| Номер на схеме | Каталожный номер | Название | Количество | Детали | |||
|---|---|---|---|---|---|---|---|
| ? | 960 186 40 | Harness - hydraulic tank | 1 | EnglischBem: DeutschBem: DeutschDesc: Kabelbaum - Hydrauliktank InternBDB: InternKon: 960 122 40 / 1 SerienBem: Zwhead_Deu: Zwhead_Eng: |
|||
| ? | 960 188 40 | Harness - oil cooler | 1 | EnglischBem: DeutschBem: DeutschDesc: Kabelbaum - Цlkьhler InternBDB: InternKon: 960 122 40 / 13 SerienBem: Zwhead_Deu: Zwhead_Eng: |
|||
| ? | 950 346 40 | Level probe | 2 | EnglischBem: DeutschBem: DeutschDesc: Niveau-Sonde InternBDB: 325 031 3/8"NPTF InternKon: 960 122 40 / 16 SerienBem: Zwhead_Deu: Zwhead_Eng: |
|||
| ? | 941 798 40 | Pressure measuring transducer 0-60bar | 2 | EnglischBem: DeutschBem: DeutschDesc: DruckmeЯumformer 0-60bar InternBDB: Hydac HDA 4740-G100-281 0,5-9,5V InternKon: 960 122 40 / 9 SerienBem: Zwhead_Deu: Zwhead_Eng: |
|||
| ? | 941 797 40 | Pressure measuring transducer 0-6bar | 2 | EnglischBem: DeutschBem: DeutschDesc: DruckmeЯumformer 0-6bar InternBDB: Hydac HDA 4740-G-006-281 0,5-9,5V InternKon: 960 122 40 / 8 SerienBem: Zwhead_Deu: Zwhead_Eng: |
|||
| ? | 654 652 40 | Maintenance switch | 1 | EnglischBem: DeutschBem: DeutschDesc: Wartungsschalter InternBDB: Mann u. Hummel 3908070802 InternKon: 960 122 40 / 17 SerienBem: Zwhead_Deu: Zwhead_Eng: |
|||
| ? | 941 812 40 | Pressure measuring transducer | 1 | EnglischBem: DeutschBem: DeutschDesc: DruckmeЯumformer InternBDB: BD-Sensor DMP 331 110-2500-9-5-JK0-200-1-0-250 InternKon: 960 122 40 / 10 SerienBem: Zwhead_Deu: Zwhead_Eng: |
|||
| ? | 944 609 40 | Plate | 1 | EnglischBem: DeutschBem: DeutschDesc: Schutzblech InternBDB: InternKon: 960 122 40 / 29 SerienBem: Zwhead_Deu: Zwhead_Eng: |
|||
| ? | 0443452110 | Clip DN 21,5 | 10 | EnglischBem: DeutschBem: DeutschDesc: Clip DN 21,5 InternBDB: KES 04434 InternKon: 960 122 40 / 7 SerienBem: Zwhead_Deu: Zwhead_Eng: |
|||
| ? | 340 508 99 | Washer | 46 | EnglischBem: DeutschBem: DeutschDesc: Scheibe InternBDB: 10,5 DIN00125 InternKon: 960 122 40 / 3 SerienBem: Zwhead_Deu: Zwhead_Eng: |
|||
| ? | 507 037 98 | Nut | 66 | EnglischBem: DeutschBem: DeutschDesc: Mutter InternBDB: M10 DIN00985 InternKon: 960 122 40 / 2 SerienBem: Zwhead_Deu: Zwhead_Eng: |
|||
| ? | 321 016 99 | Bolt | 4 | EnglischBem: DeutschBem: DeutschDesc: Schraube InternBDB: M6x30 4.8 B2E DIN00084 InternKon: 960 122 40 / 22 SerienBem: Zwhead_Deu: Zwhead_Eng: |
|||
| ? | 0443452711 | Clip | 6 | EnglischBem: DeutschBem: DeutschDesc: Clip InternBDB: DN27 BLZ10 NW23 InternKon: 960 122 40 / 6 SerienBem: Zwhead_Deu: Zwhead_Eng: |
|||
| ? | 0443451610 | Clip | 15 | EnglischBem: DeutschBem: DeutschDesc: Clip InternBDB: DN16 BLZ10 NW12 InternKon: 960 122 40 / 12 SerienBem: Zwhead_Deu: Zwhead_Eng: |
|||
| ? | 0443450810 | Clip | 2 | EnglischBem: DeutschBem: DeutschDesc: Clip InternBDB: InternKon: 960 122 40 / 28 SerienBem: Zwhead_Deu: Zwhead_Eng: |
|||
| ? | 516 143 98 | Resilent sleeve | 6 | EnglischBem: DeutschBem: DeutschDesc: Dehnhьlse InternBDB: 10,5/25x25 WN 341 948 40 InternKon: 960 122 40 / 47 SerienBem: Zwhead_Deu: Zwhead_Eng: |
|||
| ? | 507 596 98 | Washer | 24 | EnglischBem: DeutschBem: DeutschDesc: Scheibe InternBDB: A 11 DIN 07989 InternKon: 960 122 40 / 46 SerienBem: Zwhead_Deu: Zwhead_Eng: |
|||
| ? | 0819320010 | Clip | 11 | EnglischBem: DeutschBem: DeutschDesc: Clip InternBDB: KES 08193 InternKon: 960 122 40 / 25 SerienBem: Zwhead_Deu: Zwhead_Eng: |
|||
| ? | 944 608 40 | Plate | 2 | EnglischBem: DeutschBem: DeutschDesc: Schutzblech InternBDB: InternKon: 960 122 40 / 30 SerienBem: Zwhead_Deu: Zwhead_Eng: |
|||
| ? | 907 854 40 | Thread pin | 3 | EnglischBem: DeutschBem: DeutschDesc: Gewindebolzen InternBDB: M10x25 InternKon: 960 122 40 / 34 SerienBem: Zwhead_Deu: Zwhead_Eng: |
|||
| ? | 516 095 98 | Clamp set | 6 | EnglischBem: DeutschBem: DeutschDesc: Klemmpaar InternBDB: S-3-G-42/3015 InternKon: 960 122 40 / 37 SerienBem: Zwhead_Deu: Zwhead_Eng: |
|||
| ? | 518 042 98 | Clamp set | 5 | EnglischBem: DeutschBem: DeutschDesc: Klemmpaar InternBDB: S-3-G-34/3015 InternKon: 960 122 40 / 38 SerienBem: Zwhead_Deu: Zwhead_Eng: |
|||
| ? | 534 004 99 | Cover plate | 6 | EnglischBem: DeutschBem: DeutschDesc: Deckplatte InternBDB: S-DP-A-3/3015 InternKon: 960 122 40 / 42 SerienBem: Zwhead_Deu: Zwhead_Eng: |
|||
| ? | 308 581 99 | Bolt | 12 | EnglischBem: DeutschBem: DeutschDesc: Schraube InternBDB: M10x70 DIN00931 InternKon: 960 122 40 / 44 SerienBem: Zwhead_Deu: Zwhead_Eng: |
|||
| ? | 504 789 98 | Catch | 6 | EnglischBem: DeutschBem: DeutschDesc: Verdrehsicherung InternBDB: S-3/3015 InternKon: 960 122 40 / 40 SerienBem: Zwhead_Deu: Zwhead_Eng: |
|||
| ? | 504 788 98 | Build-up screw | 12 | EnglischBem: DeutschBem: DeutschDesc: Aufbauschraube InternBDB: S-3/3015 InternKon: 960 122 40 / 41 SerienBem: Zwhead_Deu: Zwhead_Eng: |
|||
| ? | 960 588 40 | Angle | 1 | EnglischBem: DeutschBem: DeutschDesc: Winkel InternBDB: InternKon: 960 122 40 / 35 SerienBem: Zwhead_Deu: Zwhead_Eng: |
|||
| ? | 307 777 99 | Bolt | 2 | EnglischBem: DeutschBem: DeutschDesc: Schraube InternBDB: M10x25DIN00933 InternKon: 960 122 40 / 36 SerienBem: Zwhead_Deu: Zwhead_Eng: |
|||
| ? | 518 032 98 | Clamp set | 1 | EnglischBem: DeutschBem: DeutschDesc: Klemmpaar InternBDB: S-3-E/3015 InternKon: 960 122 40 / 39 SerienBem: Zwhead_Deu: Zwhead_Eng: |
|||
| ? | 510 452 98 | Rubber gromment | 1 | EnglischBem: DeutschBem: DeutschDesc: Gummieinsatz InternBDB: S-3-20/3015 InternKon: 960 122 40 / 43 SerienBem: Zwhead_Deu: Zwhead_Eng: |
|||
| ? | 510 746 98 | Resilent sleeve | 12 | EnglischBem: DeutschBem: DeutschDesc: Dehnhьlse InternBDB: 10,5/25x35 WN3 41 948 40 InternKon: 960 581 40 / 6 SerienBem: Zwhead_Deu: Zwhead_Eng: |
|||
| ? | 0443453211 | Clip | 12 | EnglischBem: DeutschBem: DeutschDesc: Schelle InternBDB: DN32 BLZ10 NW29 InternKon: 960 581 40 / 5 SerienBem: Zwhead_Deu: Zwhead_Eng: |
|||
| ? | 518 547 98 | Lock washer | 12 | EnglischBem: DeutschBem: DeutschDesc: Sicherungsscheibe InternBDB: 10 WN65593740 InternKon: 960 581 40 / 10 SerienBem: Zwhead_Deu: Zwhead_Eng: |
|||
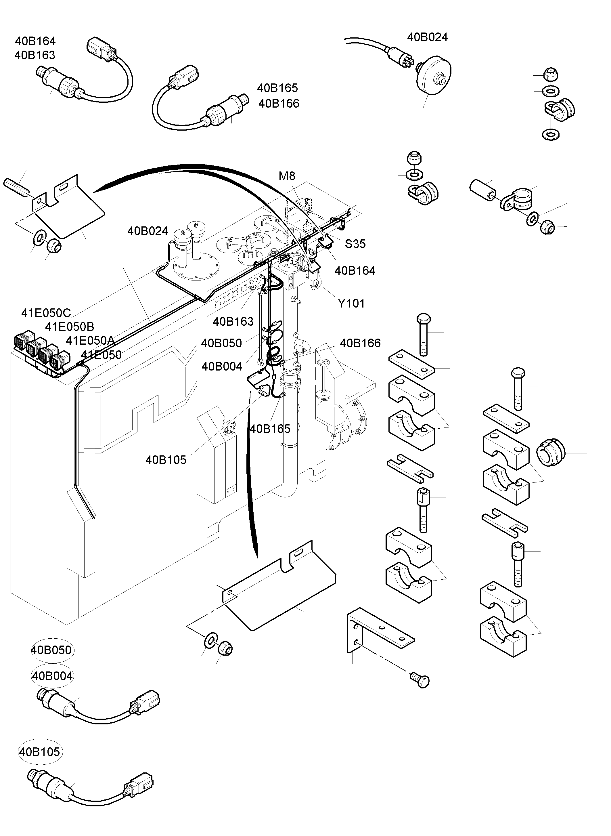
| ? | 952 675 40 | Plug, assy. | 1 | EnglischBem: DeutschBem: DeutschDesc: Stecker kpl. InternBDB: 2polig InternKon: 960 186 40 / 1 SerienBem: Zwhead_Deu: Zwhead_Eng: |
|||
| ? | 955 627 40 | Plug assy. with rubber grommet | 8 | EnglischBem: DeutschBem: DeutschDesc: Stecker kpl. mit Gummitьlle InternBDB: InternKon: 960 186 40 / 4 SerienBem: Zwhead_Deu: Zwhead_Eng: |
|||
| ? | 941 777 40 | Plate | 21 | EnglischBem: DeutschBem: DeutschDesc: Schild InternBDB: 60X15X2MM 0615 InternKon: 960 186 40 / 8 SerienBem: Zwhead_Deu: Zwhead_Eng: |
|||
| ? | 174 411 40 | Cable strap | 42 | EnglischBem: DeutschBem: DeutschDesc: Kabelband InternBDB: 200X 4,8 5315/C InternKon: 960 186 40 / 9 SerienBem: Zwhead_Deu: Zwhead_Eng: |
|||
| ? | 950 112 40 | Plug | 2 | EnglischBem: DeutschBem: DeutschDesc: Stecker InternBDB: Deutsch HD36-24-31PE-L006 InternKon: 960 186 40 / 13 SerienBem: Zwhead_Deu: Zwhead_Eng: |
|||
| ? | 0819105320 | Pin contakt | 37 | EnglischBem: DeutschBem: DeutschDesc: Stiftkontakt InternBDB: Deutsch 0460-202-16141 KES 08191 InternKon: 960 186 40 / 14 SerienBem: Zwhead_Deu: Zwhead_Eng: |
|||
| ? | 0819100770 | Sealing plug | 29 | EnglischBem: DeutschBem: DeutschDesc: Dichtverschraubung InternBDB: Deutsch 114017 KES 08191 InternKon: 960 186 40 / 15 SerienBem: Zwhead_Deu: Zwhead_Eng: |
|||
| ? | 950 133 40 | Plug | 1 | EnglischBem: DeutschBem: DeutschDesc: Stecker InternBDB: Deutsch HD36-18-8PE-L006 InternKon: 960 186 40 / 16 SerienBem: Zwhead_Deu: Zwhead_Eng: |
|||
| ? | 651 461 40 | Housing assy. | 1 | EnglischBem: DeutschBem: DeutschDesc: Gehдuse kpl. InternBDB: InternKon: 960 186 40 / 31 SerienBem: Zwhead_Deu: Zwhead_Eng: |
|||
| ? | 896 520 40 | End pin | 8 | EnglischBem: DeutschBem: DeutschDesc: VerschluЯbolzen InternBDB: BO 3,0X25 InternKon: 960 186 40 / 44 SerienBem: Zwhead_Deu: Zwhead_Eng: |
|||
| ? | 955 339 40 | Terminal box assy. | 1 | EnglischBem: DeutschBem: DeutschDesc: Klemmenkasten kpl InternBDB: InternKon: 960 186 40 / 53 SerienBem: Zwhead_Deu: Zwhead_Eng: |
|||
| ? | 944 781 40 | Switch assy. | 1 | EnglischBem: DeutschBem: DeutschDesc: Schalter kpl InternBDB: InternKon: 960 186 40 / 54 SerienBem: Zwhead_Deu: Zwhead_Eng: |
|||
| ? | 940 661 40 | Seal | 1 | EnglischBem: DeutschBem: DeutschDesc: Dichtung InternBDB: SVN4-M20 Art-Nr.69512010 InternKon: 960 186 40 / 59 SerienBem: Zwhead_Deu: Zwhead_Eng: |
|||
| ? | 517 322 98 | Cable nut | 1 | EnglischBem: DeutschBem: DeutschDesc: Kabelmutter InternBDB: MU M20x1,5 CUZN39PB3 DINEN 50262 InternKon: 960 186 40 / 60 SerienBem: Zwhead_Deu: Zwhead_Eng: |
|||
| ? | 907 934 40 | Bushing contakt | 8 | EnglischBem: DeutschBem: DeutschDesc: Buchsenkontakt InternBDB: 0460-204-12141 InternKon: 960 186 40 / 73 SerienBem: Zwhead_Deu: Zwhead_Eng: |
|||
| ? | 270 282 40 | Housing, empty | 1 | EnglischBem: DeutschBem: DeutschDesc: Leergehдuse InternBDB: ALUGEHAEUSE A 120 InternKon: 955 339 40 / 1 SerienBem: Zwhead_Deu: Zwhead_Eng: |
|||
| ? | 505 940 99 | Assembly rail | A/R | EnglischBem: DeutschBem: DeutschDesc: Tragschiene InternBDB: TS 32DIN 46277 InternKon: 955 339 40 / 10 SerienBem: Zwhead_Deu: Zwhead_Eng: |
|||
| ? | 906 612 40 | Through clamp 2.5 | 2 | EnglischBem: DeutschBem: DeutschDesc: Durchgangsklemme 2,5 InternBDB: Wago 2,5MM2 870-531 InternKon: 955 339 40 / 5 SerienBem: Zwhead_Deu: Zwhead_Eng: |
|||
| ? | 940 878 40 | Distribution block | 2 | EnglischBem: DeutschBem: DeutschDesc: Verteilerblock InternBDB: ABB 1SNA 35620 R1100 InternKon: 955 339 40 / 6 SerienBem: Zwhead_Deu: Zwhead_Eng: |
|||
| ? | 940 673 40 | Clamp | 3 | EnglischBem: DeutschBem: DeutschDesc: Endklammer InternBDB: 1SNA 206351R1600 BAM2 InternKon: 955 339 40 / 4 SerienBem: Zwhead_Deu: Zwhead_Eng: |
|||
| ? | 319 056 99 | Screw | 2 | EnglischBem: DeutschBem: DeutschDesc: Schraube InternBDB: M6X8 5.8 DIN00084 InternKon: 955 339 40 / 9 SerienBem: Zwhead_Deu: Zwhead_Eng: |
|||
| ? | 906 613 40 | Cover plate | 2 | EnglischBem: DeutschBem: DeutschDesc: AbschluЯplatte InternBDB: Wago 870-573 InternKon: 955 339 40 / 11 SerienBem: Zwhead_Deu: Zwhead_Eng: |
|||
| ? | 940 726 40 | Switch | 2 | EnglischBem: DeutschBem: DeutschDesc: Schalter InternBDB: 51LC1K6 SANTON InternKon: 944 781 40 / 1 SerienBem: Zwhead_Deu: Zwhead_Eng: |
|||
| ? | 321 010 99 | Screw | 4 | EnglischBem: DeutschBem: DeutschDesc: Schraube InternBDB: M5x25 4.8 B2E DIN00084 InternKon: 944 781 40 / 2 SerienBem: Zwhead_Deu: Zwhead_Eng: |
|||
| ? | 950 113 40 | Plug | 1 | EnglischBem: DeutschBem: DeutschDesc: Stecker InternBDB: HD36-24-31SE-L006 InternKon: 960 188 40 / 2 SerienBem: Zwhead_Deu: Zwhead_Eng: |
|||
| ? | 950 136 40 | Plug | 1 | EnglischBem: DeutschBem: DeutschDesc: Stecker InternBDB: DeutschHD36-18-14PE-L006 InternKon: 960 188 40 / 3 SerienBem: Zwhead_Deu: Zwhead_Eng: |
|||
| ? | 0819105420 | Bushing contakt | 31 | EnglischBem: DeutschBem: DeutschDesc: Buchsenkontakt InternBDB: Deutsch 0462-201-16141 KES 08191 InternKon: 960 188 40 / 6 SerienBem: Zwhead_Deu: Zwhead_Eng: |
|||
| ? | 940 852 40 | Plug | 12 | EnglischBem: DeutschBem: DeutschDesc: Blindstopfen InternBDB: 16 AWG 61103-20 InternKon: 960 188 40 / 7 SerienBem: Zwhead_Deu: Zwhead_Eng: |
|||
| ? | 903 422 40 | Plug assy. | 4 | EnglischBem: DeutschBem: DeutschDesc: Stecker kpl. InternBDB: InternKon: 960 188 40 / 19 SerienBem: Zwhead_Deu: Zwhead_Eng: |
|||
| ? | 621 548 40 | Plug | 1 | EnglischBem: DeutschBem: DeutschDesc: Stecker InternBDB: Deutsch HD16-9-96S InternKon: 960 188 40 / 27 SerienBem: Zwhead_Deu: Zwhead_Eng: |
|||
| ? | 906 696 40 | Protection cap | 1 | EnglischBem: DeutschBem: DeutschDesc: Schutzkappe InternBDB: Deutsch HDC14-9 InternKon: 960 188 40 / 30 SerienBem: Zwhead_Deu: Zwhead_Eng: |