| Номер на схеме | Каталожный номер | Название | Количество | Детали | |||
|---|---|---|---|---|---|---|---|
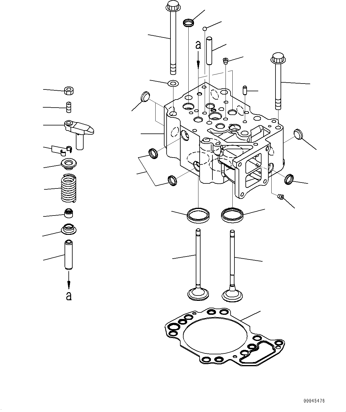
| ? | 6251-11-1200 | Cylinder Head Assembly | 6 | SN: 572339- KIT-FLAG: _- SCC: SERIALNO: 572339- |
|||
| ? | 6251-11-1100 | Cylinder Head Assembly | 6 | SN: 567007-572338 KIT-FLAG: _- SCC: A2 SERIALNO: 567007-572338 |
|||
| ? | • Head, Cylinder | 1 | SN: 567007- KIT-FLAG: _- SCC: C1 SERIALNO: 567007- |
||||
| ? | 6150-11-1320 | • Insert | 2 | SN: 567007- KIT-FLAG: _- SCC: SERIALNO: 567007- |
|||
| ? | 6150-19-1320 | • Insert, T=0.25mm | 2 | SN: 567007- KIT-FLAG: _- SCC: SERIALNO: 567007- |
|||
| ? | 6150-18-1320 | • Insert, T=0.5mm | 2 | SN: 567007- KIT-FLAG: _- SCC: SERIALNO: 567007- |
|||
| ? | 6150-17-1320 | • Insert, T=0.75mm | 2 | SN: 567007- KIT-FLAG: _- SCC: SERIALNO: 567007- |
|||
| ? | 6150-16-1320 | • Insert, T=1.00mm | 2 | SN: 567007- KIT-FLAG: _- SCC: SERIALNO: 567007- |
|||
| ? | 6251-11-1380 | • Seat | 2 | SN: 567007- KIT-FLAG: _- SCC: SERIALNO: 567007- |
|||
| ? | 6251-19-1380 | • Insert | 2 | SN: 567007- KIT-FLAG: _- SCC: SERIALNO: 567007- |
|||
| ? | 6251-18-1380 | • Insert | 2 | SN: 567007- KIT-FLAG: _- SCC: SERIALNO: 567007- |
|||
| ? | 6251-17-1380 | • Insert | 2 | SN: 567007- KIT-FLAG: _- SCC: SERIALNO: 567007- |
|||
| ? | 6251-16-1380 | • Insert | 2 | SN: 567007- KIT-FLAG: _- SCC: SERIALNO: 567007- |
|||
| ? | 6150-12-1370 | • Guide,Valve | 4 | SN: 567007- KIT-FLAG: _- SCC: SERIALNO: 567007- |
|||
| ? | 6162-13-1150 | • Plug, Expansion | 11 | SN: 567007- KIT-FLAG: _- SCC: SERIALNO: 567007- |
|||
| ? | 04260-00793 | • Ball | 1 | SN: 567007- KIT-FLAG: _- SCC: SERIALNO: 567007- |
|||
| ? | 07043-70108 | • Plug | 3 | SN: 567007- KIT-FLAG: _- SCC: SERIALNO: 567007- |
|||
| ? | 6150-42-4110 | Valve, Intake | 12 | SN: 567007- KIT-FLAG: _- SCC: SERIALNO: 567007- |
|||
| ? | 6150-42-4210 | Valve, Exhaust | 12 | SN: 567007- KIT-FLAG: _- SCC: SERIALNO: 567007- |
|||
| ? | 6150-41-4510 | Seat | 24 | SN: 567007- KIT-FLAG: _- SCC: SERIALNO: 567007- |
|||
| ? | 6150-41-4430 | Seat | 24 | SN: 567007- KIT-FLAG: _- SCC: SERIALNO: 567007- |
|||
| ? | 6136-42-4520 | Cotter, Valve | 48 | SN: 567007- KIT-FLAG: _- SCC: SERIALNO: 567007- |
|||
| ? | 6251-41-4450 | Spring | 24 | SN: 567007- KIT-FLAG: _- SCC: SERIALNO: 567007- |
|||
| ? | 6150-41-4570 | Seal | 24 | SN: 567007- KIT-FLAG: S- SCC: SERIALNO: 567007- |
|||
| ? | 6210-11-1140 | Guide | 12 | SN: 567007- KIT-FLAG: _- SCC: SERIALNO: 567007- |
|||
| ? | 04020-00820 | Pin, Dowel | 12 | SN: 567007- KIT-FLAG: _- SCC: SERIALNO: 567007- |
|||
| ? | 6150-42-5600 | Crosshead Assembly | 12 | SN: 567007- KIT-FLAG: _- SCC: SERIALNO: 567007- |
|||
| ? | 6150-42-5610 | • Crosshead | 1 | SN: 567007- KIT-FLAG: _- SCC: SERIALNO: 567007- |
|||
| ? | 6150-41-5621 | • Screw | 1 | SN: 567007- KIT-FLAG: _- SCC: SERIALNO: 567007- |
|||
| ? | 6150-41-5630 | • Nut | 1 | SN: 567007- KIT-FLAG: _- SCC: SERIALNO: 567007- |
|||
| ? | 6251-11-1810 | Gasket,Cylinder Head | 6 | SN: 567007- KIT-FLAG: S- SCC: SERIALNO: 567007- |
|||
| ? | 6251-19-1810 | Gasket, Cylinder Head, Oversize 0.4mm | 6 | SN: 567007- KIT-FLAG: _- SCC: SERIALNO: 567007- |
|||
| ? | • Grommet,Oil | 4 | SN: 567007- KIT-FLAG: _- SCC: C1 SERIALNO: 567007- |
||||
| ? | • Grommet, Oil, Oversize 0.4mm | 4 | SN: 567007- KIT-FLAG: _- SCC: C1 SERIALNO: 567007- |
||||
| ? | • Grommet,Oil | 1 | SN: 567007- KIT-FLAG: _- SCC: C1 SERIALNO: 567007- |
||||
| ? | • Grommet, Oil, Oversize 0.4mm | 1 | SN: 567007- KIT-FLAG: _- SCC: C1 SERIALNO: 567007- |
||||
| ? | • Grommet,Water | 1 | SN: 567007- KIT-FLAG: _- SCC: C1 SERIALNO: 567007- |
||||
| ? | • Grommet, Water, Oversize 0.4mm | 1 | SN: 567007- KIT-FLAG: _- SCC: C1 SERIALNO: 567007- |
||||
| ? | • Grommet,Water | 5 | SN: 567007- KIT-FLAG: _- SCC: C1 SERIALNO: 567007- |
||||
| ? | • Grommet, Water, Oversize 0.4mm | 5 | SN: 567007- KIT-FLAG: _- SCC: C1 SERIALNO: 567007- |
||||
| ? | • Grommet,Water | 1 | SN: 567007- KIT-FLAG: _- SCC: C1 SERIALNO: 567007- |
||||
| ? | • Grommet,Water,Oversize 0.4mm | 1 | SN: 567007- KIT-FLAG: _- SCC: C1 SERIALNO: 567007- |
||||
| ? | 6150-11-1620 | Bolt | 36 | SN: 567007- KIT-FLAG: _- SCC: SERIALNO: 567007- |
|||
| ? | 6164-31-3330 | Washer | 36 | SN: 567007- KIT-FLAG: _- SCC: SERIALNO: 567007- |
|||
| ? | 01438-01020 | Bolt | 6 | SN: 567007- KIT-FLAG: _- SCC: SERIALNO: 567007- |