| Номер на схеме | Каталожный номер | Название | Количество | Детали | |||
|---|---|---|---|---|---|---|---|
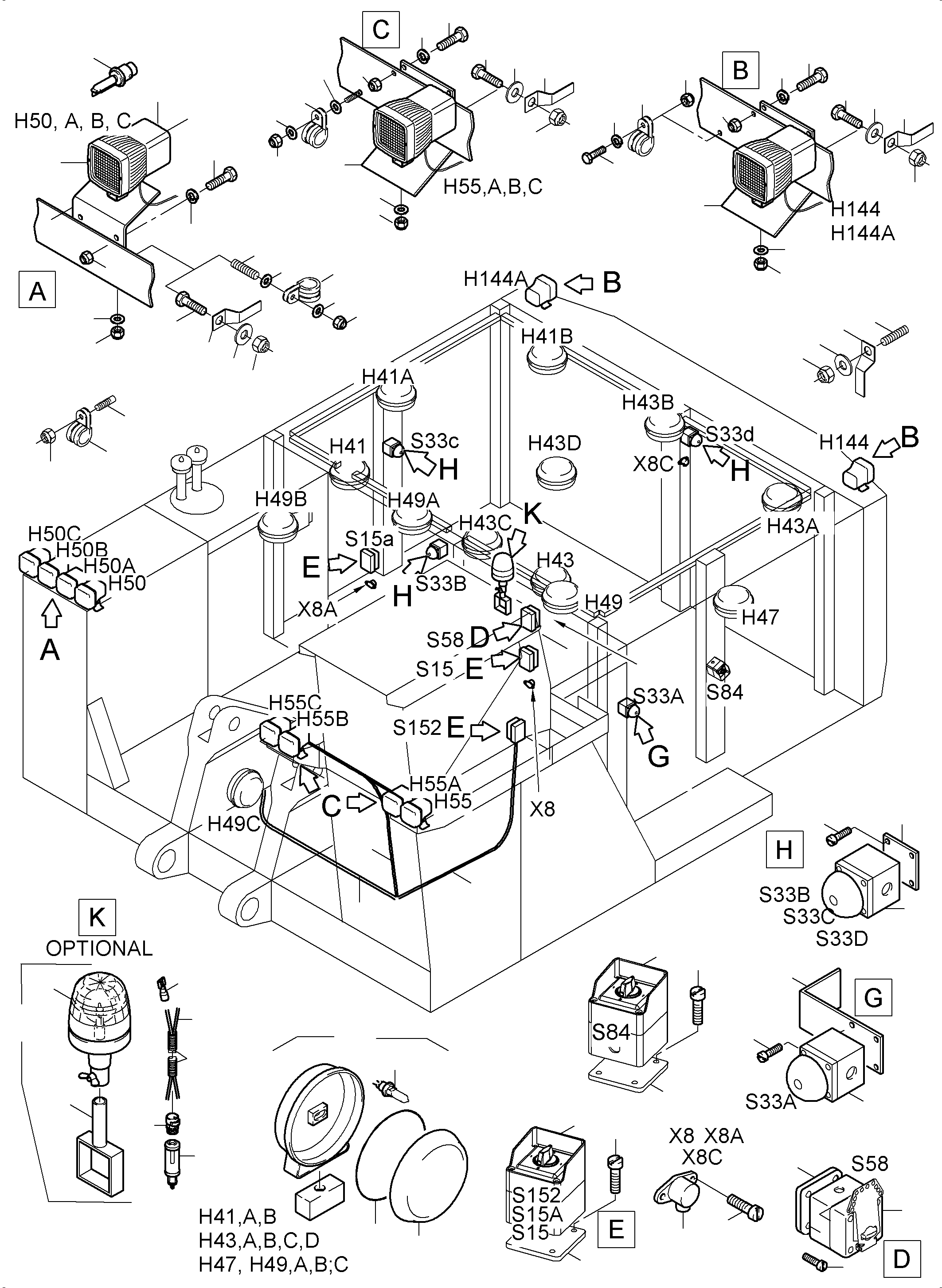
| ? | 950 158 40 | Spread beam headlamp | 10 | EnglischBem: DeutschBem: DeutschDesc: Breitstrahler InternBDB: InternKon: SerienBem: Zwhead_Deu: Zwhead_Eng: |
|||
| ? | Housing + Ballast | A/R | EnglischBem: DeutschBem: DeutschDesc: Gehдuse mit Ballast InternBDB: InternKon: SerienBem: Zwhead_Deu: Zwhead_Eng: |
||||
| ? | Bezel | A/R | EnglischBem: DeutschBem: DeutschDesc: Fassung InternBDB: InternKon: SerienBem: Zwhead_Deu: Zwhead_Eng: |
||||
| ? | Light Unit (Lense, reflector, seals, spring with screw) | A/R | EnglischBem: DeutschBem: DeutschDesc: Leuchteinheit (Linse, Reflektor,Dichtungen,Feder mit Schraube) InternBDB: InternKon: SerienBem: Zwhead_Deu: Zwhead_Eng: |
||||
| ? | Bulb | A/R | EnglischBem: DeutschBem: DeutschDesc: Glьhampe InternBDB: InternKon: SerienBem: Zwhead_Deu: Zwhead_Eng: |
||||
| ? | 940 726 40 | Light switch | 3 | EnglischBem: DeutschBem: DeutschDesc: Lichtschalter InternBDB: InternKon: SerienBem: Zwhead_Deu: Zwhead_Eng: |
|||
| ? | 940 728 40 | Safety cut off | 1 | EnglischBem: DeutschBem: DeutschDesc: Sicherheitsschalter InternBDB: InternKon: SerienBem: Zwhead_Deu: Zwhead_Eng: |
|||
| ? | 940 729 40 | Emergency switch-off | 3 | EnglischBem: DeutschBem: DeutschDesc: Notausschalter InternBDB: InternKon: SerienBem: Zwhead_Deu: Zwhead_Eng: |
|||
| ? | 321 010 99 | Screw | 28 | EnglischBem: DeutschBem: DeutschDesc: Schraube InternBDB: InternKon: SerienBem: Zwhead_Deu: Zwhead_Eng: |
|||
| ? | 940 869 40 | Socket | 3 | EnglischBem: DeutschBem: DeutschDesc: Steckdose InternBDB: InternKon: SerienBem: Zwhead_Deu: Zwhead_Eng: |
|||
| ? | 940 727 40 | Ladder switch | 1 | EnglischBem: DeutschBem: DeutschDesc: Leiterschalter InternBDB: InternKon: SerienBem: Zwhead_Deu: Zwhead_Eng: |
|||
| ? | 952 675 40 | Plug assy. with rubber grommet | 4 | EnglischBem: DeutschBem: DeutschDesc: Stecker kpl. mit Gummitьlle InternBDB: InternKon: SerienBem: Zwhead_Deu: Zwhead_Eng: |
|||
| ? | 907 733 40 | T-Distributor DN 23 | 7 | EnglischBem: DeutschBem: DeutschDesc: T-Verteiler DN 23 InternBDB: InternKon: SerienBem: Zwhead_Deu: Zwhead_Eng: |
|||
| ? | 655 628 40 | T-Distributor DN 10 | 4 | EnglischBem: DeutschBem: DeutschDesc: T-Verteiler DN 10 InternBDB: InternKon: SerienBem: Zwhead_Deu: Zwhead_Eng: |
|||
| ? | 655 629 40 | T-Distributor DN 17 | 6 | EnglischBem: DeutschBem: DeutschDesc: T-Verteiler DN 17 InternBDB: InternKon: SerienBem: Zwhead_Deu: Zwhead_Eng: |
|||
| ? | 655 630 40 | T-Distributor DN 29/23 | 1 | EnglischBem: DeutschBem: DeutschDesc: T-Verteiler DN 29/23 InternBDB: InternKon: SerienBem: Zwhead_Deu: Zwhead_Eng: |
|||
| ? | 906 079 40 | T-Distributor DN 29 | 2 | EnglischBem: DeutschBem: DeutschDesc: T-Verteiler DN 29 InternBDB: InternKon: SerienBem: Zwhead_Deu: Zwhead_Eng: |
|||
| ? | 940 666 40 | Pipe adapter DN 23/10 | 4 | EnglischBem: DeutschBem: DeutschDesc: Rohradapter DN 23/10 InternBDB: InternKon: SerienBem: Zwhead_Deu: Zwhead_Eng: |
|||
| ? | 655 632 40 | Pipe adapter DN 17/10 | 4 | EnglischBem: DeutschBem: DeutschDesc: Rohradapter DN 17/10 InternBDB: InternKon: SerienBem: Zwhead_Deu: Zwhead_Eng: |
|||
| ? | 655 633 40 | Pipe adapter DN 17/12 | 3 | EnglischBem: DeutschBem: DeutschDesc: Rohradapter DN 17/12 InternBDB: InternKon: SerienBem: Zwhead_Deu: Zwhead_Eng: |
|||
| ? | 655 634 40 | Pipe adapter DN 23/17 | 3 | EnglischBem: DeutschBem: DeutschDesc: Rohradapter DN 23/17 InternBDB: InternKon: SerienBem: Zwhead_Deu: Zwhead_Eng: |
|||
| ? | 655 809 40 | Pipe adapter DN 29/10 | 2 | EnglischBem: DeutschBem: DeutschDesc: Rohradapter DN 29/10 InternBDB: InternKon: SerienBem: Zwhead_Deu: Zwhead_Eng: |
|||
| ? | 907 971 40 | Pipe adapter DN 23/12 | 1 | EnglischBem: DeutschBem: DeutschDesc: Rohradapter DN 23/12 InternBDB: InternKon: SerienBem: Zwhead_Deu: Zwhead_Eng: |
|||
| ? | 907 476 40 | Cable union DN 10 | 12 | EnglischBem: DeutschBem: DeutschDesc: Kabelverschraubung DN 10 InternBDB: InternKon: SerienBem: Zwhead_Deu: Zwhead_Eng: |
|||
| ? | 907 623 40 | Cable union NW 12 | 2 | EnglischBem: DeutschBem: DeutschDesc: Kabelverschraubung NW 12 InternBDB: InternKon: SerienBem: Zwhead_Deu: Zwhead_Eng: |
|||
| ? | 907 478 40 | Cable union DN 17 | 3 | EnglischBem: DeutschBem: DeutschDesc: Kabelverschraubung DN 17 InternBDB: InternKon: SerienBem: Zwhead_Deu: Zwhead_Eng: |
|||
| ? | 907 694 40 | Cable union DN 10-90 | 3 | EnglischBem: DeutschBem: DeutschDesc: Kabelverschraubung DN 10-90 InternBDB: InternKon: SerienBem: Zwhead_Deu: Zwhead_Eng: |
|||
| ? | 655 649 40 | Cable protection hose DN 10 | A/R | EnglischBem: DeutschBem: DeutschDesc: Schutzschlauchleitung DN 10 InternBDB: InternKon: SerienBem: Zwhead_Deu: Zwhead_Eng: |
|||
| ? | 655 650 40 | Cable protection hose DN 12 | A/R | EnglischBem: DeutschBem: DeutschDesc: Schutzschlauchleitung DN 12 InternBDB: InternKon: SerienBem: Zwhead_Deu: Zwhead_Eng: |
|||
| ? | 655 651 40 | Cable protection hose DN 17 | A/R | EnglischBem: DeutschBem: DeutschDesc: Schutzschlauchleitung DN 17 InternBDB: InternKon: SerienBem: Zwhead_Deu: Zwhead_Eng: |
|||
| ? | 655 652 40 | Cable protection hose DN 23 | A/R | EnglischBem: DeutschBem: DeutschDesc: Schutzschlauchleitung DN 23 InternBDB: InternKon: SerienBem: Zwhead_Deu: Zwhead_Eng: |
|||
| ? | 655 696 40 | Cable protection hose DN 29 | A/R | EnglischBem: DeutschBem: DeutschDesc: Schutzschlauchleitung DN 29 InternBDB: InternKon: SerienBem: Zwhead_Deu: Zwhead_Eng: |
|||
| ? | 517 320 98 | Cable nut | 15 | EnglischBem: DeutschBem: DeutschDesc: Kabelmutter InternBDB: InternKon: SerienBem: Zwhead_Deu: Zwhead_Eng: |
|||
| ? | 517 321 98 | Cable nut | 3 | EnglischBem: DeutschBem: DeutschDesc: Kabelmutter InternBDB: InternKon: SerienBem: Zwhead_Deu: Zwhead_Eng: |
|||
| ? | 907 704 40 | Cable union 3x3,5 | 7 | EnglischBem: DeutschBem: DeutschDesc: Kabelverschraubung 3x3,5 InternBDB: InternKon: SerienBem: Zwhead_Deu: Zwhead_Eng: |
|||
| ? | 896 521 40 | End pin | 7 | EnglischBem: DeutschBem: DeutschDesc: VerschluЯbolzen InternBDB: InternKon: SerienBem: Zwhead_Deu: Zwhead_Eng: |
|||
| ? | 907 692 40 | Fitting M 16/ DN12 | 4 | EnglischBem: DeutschBem: DeutschDesc: AnschluЯarmatur M 16/ DN12 InternBDB: InternKon: SerienBem: Zwhead_Deu: Zwhead_Eng: |
|||
| ? | 941 777 40 | Plate | 30 | EnglischBem: DeutschBem: DeutschDesc: Schild InternBDB: InternKon: SerienBem: Zwhead_Deu: Zwhead_Eng: |
|||
| ? | 056 292 40 | Cable strap | 60 | EnglischBem: DeutschBem: DeutschDesc: Kabelband InternBDB: InternKon: SerienBem: Zwhead_Deu: Zwhead_Eng: |
|||
| ? | 056 070 40 | Cable sleeve 1,0-1,5 | 50 | EnglischBem: DeutschBem: DeutschDesc: Kabelhьlse 1,0-1,5 InternBDB: InternKon: SerienBem: Zwhead_Deu: Zwhead_Eng: |
|||
| ? | 056 071 40 | Cable sleeve 2,5 | 44 | EnglischBem: DeutschBem: DeutschDesc: Kabelhьlse 2,5 InternBDB: InternKon: SerienBem: Zwhead_Deu: Zwhead_Eng: |
|||
| ? | 655 626 40 | Distributor DN 17/12 | 1 | EnglischBem: DeutschBem: DeutschDesc: Hosenverteiler DN 17/12 InternBDB: InternKon: SerienBem: Zwhead_Deu: Zwhead_Eng: |
|||
| ? | 940 463 40 | Insulating tube | A/R | EnglischBem: DeutschBem: DeutschDesc: Isolierschlauch InternBDB: InternKon: SerienBem: Zwhead_Deu: Zwhead_Eng: |
|||
| ? | 515 213 40 | Cable 1,0 | A/R | EnglischBem: DeutschBem: DeutschDesc: Kabel 1,0 InternBDB: InternKon: SerienBem: Zwhead_Deu: Zwhead_Eng: |
|||
| ? | 515 214 40 | Cable 2,5 | A/R | EnglischBem: DeutschBem: DeutschDesc: Kabel 2,5 InternBDB: InternKon: SerienBem: Zwhead_Deu: Zwhead_Eng: |
|||
| ? | 950 210 40 | End grommet | 1 | EnglischBem: DeutschBem: DeutschDesc: Endtьlle InternBDB: InternKon: SerienBem: Zwhead_Deu: Zwhead_Eng: |
|||
| ? | 940 271 40 | Cable union DN 10 | 5 | EnglischBem: DeutschBem: DeutschDesc: Kabelverschraubung DN 10 InternBDB: InternKon: SerienBem: Zwhead_Deu: Zwhead_Eng: |
|||
| ? | 958 963 40 | Plug assy. | 2 | EnglischBem: DeutschBem: DeutschDesc: Stecker kpl. InternBDB: InternKon: SerienBem: Zwhead_Deu: Zwhead_Eng: |
|||
| ? | 174 411 40 | Cable strap | 2 | EnglischBem: DeutschBem: DeutschDesc: Kabelband InternBDB: InternKon: SerienBem: Zwhead_Deu: Zwhead_Eng: |
|||
| ? | 907 703 40 | Cable union | 2 | EnglischBem: DeutschBem: DeutschDesc: Kabelverschraubung InternBDB: InternKon: SerienBem: Zwhead_Deu: Zwhead_Eng: |
|||
| ? | 940 471 40 | Fitting | 2 | EnglischBem: DeutschBem: DeutschDesc: AnschluЯarmatur M16/DN10 InternBDB: InternKon: SerienBem: Zwhead_Deu: Zwhead_Eng: |
|||
| ? | 940 462 40 | Insulating tube | A/R | EnglischBem: DeutschBem: DeutschDesc: Isolierschlauch InternBDB: InternKon: SerienBem: Zwhead_Deu: Zwhead_Eng: |
|||
| ? | 950 209 40 | End grommet | 1 | EnglischBem: DeutschBem: DeutschDesc: Endtьlle InternBDB: InternKon: SerienBem: Zwhead_Deu: Zwhead_Eng: |
|||
| ? | 954 991 40 | Harness - engine housing | 1 | EnglischBem: DeutschBem: DeutschDesc: Kabelbaum - Maschinenhaus InternBDB: InternKon: SerienBem: Zwhead_Deu: Zwhead_Eng: |
|||
| ? | Harness - lightning atrium | 1 | EnglischBem: DeutschBem: DeutschDesc: Kabelbaum - Beleuchtung Atrium InternBDB: InternKon: SerienBem: Zwhead_Deu: Zwhead_Eng: |
||||
| ? | Harness - lightning platform | 1 | EnglischBem: DeutschBem: DeutschDesc: Kabelbaum - Beleuchtung Plattform InternBDB: InternKon: SerienBem: Zwhead_Deu: Zwhead_Eng: |
||||
| ? | 957 903 40 | Harness - lightning cab support | 1 | EnglischBem: DeutschBem: DeutschDesc: Kabelbaum - Beleuchtung Kabinenpodest InternBDB: InternKon: SerienBem: Zwhead_Deu: Zwhead_Eng: |
|||
| ? | 003 670 79 | Clip | A/R | EnglischBem: DeutschBem: DeutschDesc: Clip InternBDB: InternKon: SerienBem: Zwhead_Deu: Zwhead_Eng: |
|||
| ? | 510 210 98 | Thread pin | A/R | EnglischBem: DeutschBem: DeutschDesc: Gewindebolzen InternBDB: InternKon: SerienBem: Zwhead_Deu: Zwhead_Eng: |
|||
| ? | 507 025 98 | Nut | A/R | EnglischBem: DeutschBem: DeutschDesc: Mutter InternBDB: InternKon: SerienBem: Zwhead_Deu: Zwhead_Eng: |
|||
| ? | 350 762 99 | Washer | A/R | EnglischBem: DeutschBem: DeutschDesc: Scheibe InternBDB: InternKon: SerienBem: Zwhead_Deu: Zwhead_Eng: |
|||
| ? | 145 831 40 | Clamp 20/15 | A/R | EnglischBem: DeutschBem: DeutschDesc: Schelle 20/15 InternBDB: InternKon: SerienBem: Zwhead_Deu: Zwhead_Eng: |
|||
| ? | 006 301 98 | Clamp 12/15 | A/R | EnglischBem: DeutschBem: DeutschDesc: Schelle 12/15 InternBDB: InternKon: SerienBem: Zwhead_Deu: Zwhead_Eng: |
|||
| ? | 926 550 40 | Spotlight assy. | 13 | EnglischBem: DeutschBem: DeutschDesc: Arbeitsscheinwerfer kpl. InternBDB: InternKon: SerienBem: Zwhead_Deu: Zwhead_Eng: |
|||
| ? | 507 383 99 | Halogen lamp | 1 | EnglischBem: DeutschBem: DeutschDesc: Halogenlampe InternBDB: InternKon: SerienBem: Zwhead_Deu: Zwhead_Eng: |
|||
| ? | 769 155 73 | Seal | 1 | EnglischBem: DeutschBem: DeutschDesc: Dichtung InternBDB: InternKon: SerienBem: Zwhead_Deu: Zwhead_Eng: |
|||
| ? | 769 156 73 | Pane, white | 1 | EnglischBem: DeutschBem: DeutschDesc: Scheibe, weiЯ InternBDB: InternKon: SerienBem: Zwhead_Deu: Zwhead_Eng: |
|||
| ? | 946 316 40 | Retainer | 7 | EnglischBem: DeutschBem: DeutschDesc: Halter InternBDB: InternKon: SerienBem: Zwhead_Deu: Zwhead_Eng: |
|||
| ? | 320 976 99 | Bolt | 4 | EnglischBem: DeutschBem: DeutschDesc: Schraube InternBDB: InternKon: SerienBem: Zwhead_Deu: Zwhead_Eng: |
|||
| ? | 916 648 40 | Angle | 1 | EnglischBem: DeutschBem: DeutschDesc: Winkel InternBDB: InternKon: SerienBem: Zwhead_Deu: Zwhead_Eng: |
|||
| ? | 954 996 40 | Retainer | 1 | EnglischBem: DeutschBem: DeutschDesc: Halter InternBDB: InternKon: SerienBem: Zwhead_Deu: Zwhead_Eng: |
|||
| ? | 0443452110 | Clamp NW17 | 8 | EnglischBem: DeutschBem: DeutschDesc: Schelle NW17 InternBDB: InternKon: SerienBem: Zwhead_Deu: Zwhead_Eng: |
|||
| ? | 507 596 98 | Washer | 29 | EnglischBem: DeutschBem: DeutschDesc: Scheibe InternBDB: InternKon: SerienBem: Zwhead_Deu: Zwhead_Eng: |
|||
| ? | 907 989 40 | Threaded pin | 7 | EnglischBem: DeutschBem: DeutschDesc: Gewindebolzen InternBDB: InternKon: SerienBem: Zwhead_Deu: Zwhead_Eng: |
|||
| ? | 340 465 99 | Washer | 77 | EnglischBem: DeutschBem: DeutschDesc: Scheibe InternBDB: InternKon: SerienBem: Zwhead_Deu: Zwhead_Eng: |
|||
| ? | 507 037 98 | Nut | 73 | EnglischBem: DeutschBem: DeutschDesc: Mutter InternBDB: InternKon: SerienBem: Zwhead_Deu: Zwhead_Eng: |
|||
| ? | 307 780 99 | Bolt | 4 | EnglischBem: DeutschBem: DeutschDesc: Schraube InternBDB: InternKon: SerienBem: Zwhead_Deu: Zwhead_Eng: |
|||
| ? | 0819320010 | Clip | 10 | EnglischBem: DeutschBem: DeutschDesc: Clip InternBDB: InternKon: SerienBem: Zwhead_Deu: Zwhead_Eng: |
|||
| ? | 307 775 99 | Bolt | 4 | EnglischBem: DeutschBem: DeutschDesc: Schraube InternBDB: InternKon: SerienBem: Zwhead_Deu: Zwhead_Eng: |
|||
| ? | 952 071 40 | Lamp retainer | 2 | EnglischBem: DeutschBem: DeutschDesc: Lampenhalter InternBDB: InternKon: SerienBem: Zwhead_Deu: Zwhead_Eng: |
|||
| ? | 307 779 99 | Bolt | 12 | EnglischBem: DeutschBem: DeutschDesc: Schraube InternBDB: InternKon: SerienBem: Zwhead_Deu: Zwhead_Eng: |
|||
| ? | 0443451210 | Clamp NW10 | 26 | EnglischBem: DeutschBem: DeutschDesc: Schelle NW10 InternBDB: InternKon: SerienBem: Zwhead_Deu: Zwhead_Eng: |
|||
| ? | 949 021 40 | Retainer | 2 | EnglischBem: DeutschBem: DeutschDesc: Halter InternBDB: InternKon: SerienBem: Zwhead_Deu: Zwhead_Eng: |
|||
| ? | 307 777 99 | Bolt | 14 | EnglischBem: DeutschBem: DeutschDesc: Schraube InternBDB: InternKon: SerienBem: Zwhead_Deu: Zwhead_Eng: |
|||
| ? | 898 629 40 | Rotaflare light yellow assy. | 1 | EnglischBem: DeutschBem: DeutschDesc: Rundumleuchte gelb kpl. InternBDB: InternKon: SerienBem: Zwhead_Deu: Zwhead_Eng: |
|||
| ? | 898 612 40 | Retainer | 1 | EnglischBem: DeutschBem: DeutschDesc: Halter InternBDB: InternKon: SerienBem: Zwhead_Deu: Zwhead_Eng: |
|||
| ? | 896 497 40 | Rotaflare light 24 yellow | 1 | EnglischBem: DeutschBem: DeutschDesc: Rundumkennleuchte 24 gelb InternBDB: InternKon: SerienBem: Zwhead_Deu: Zwhead_Eng: |
|||
| ? | 655 621 40 | Cable union PG9/DN 10 | 1 | EnglischBem: DeutschBem: DeutschDesc: Kabelverschraubung PG9/DN 10 InternBDB: InternKon: SerienBem: Zwhead_Deu: Zwhead_Eng: |
|||
| ? | 180 322 40 | Plug | 1 | EnglischBem: DeutschBem: DeutschDesc: Stecker InternBDB: InternKon: SerienBem: Zwhead_Deu: Zwhead_Eng: |
|||
| ? | 323 960 40 | Tab | 2 | EnglischBem: DeutschBem: DeutschDesc: Flachstecker InternBDB: InternKon: SerienBem: Zwhead_Deu: Zwhead_Eng: |
|||
| ? | 056 054 40 | Cable spout | 4 | EnglischBem: DeutschBem: DeutschDesc: Kabeltьlle InternBDB: InternKon: SerienBem: Zwhead_Deu: Zwhead_Eng: |
|||
| ? | 170 495 40 | Cable sleeve | 3 | EnglischBem: DeutschBem: DeutschDesc: Kabelmuffe InternBDB: InternKon: SerienBem: Zwhead_Deu: Zwhead_Eng: |
?
?
?
?
?
?
?
?
?
?
?
?
?
?
?
?
?
?
?
?
?
?
?
?
?
?
?
?
?
?
?
?
?
?
?
?
?
?
?
?
?
?
?
?
?
?
?
?
?
?
?
?
?
?
?
?
?
?
?
?
?
?
?
?
?
?
?
?
?
?
?
?
?
?
?
?
?
?
?
?
?
?
?
?
?
?
?
?
?
?
?
?
?
?
?
?
?
?
?
?
?
?
?
?
?
?
?
?
?
?
?
?
?
?
?
?
?
?
?
?
?
?
?
?
?
?
?
?
?
?
?
?
?
?
?
?
?
?
?
?
?
?
?
?
?
?
?
?
?
?
?
?
?
?
?
?
?
?
?
?