| Номер на схеме | Каталожный номер | Название | Количество | Детали | |||
|---|---|---|---|---|---|---|---|
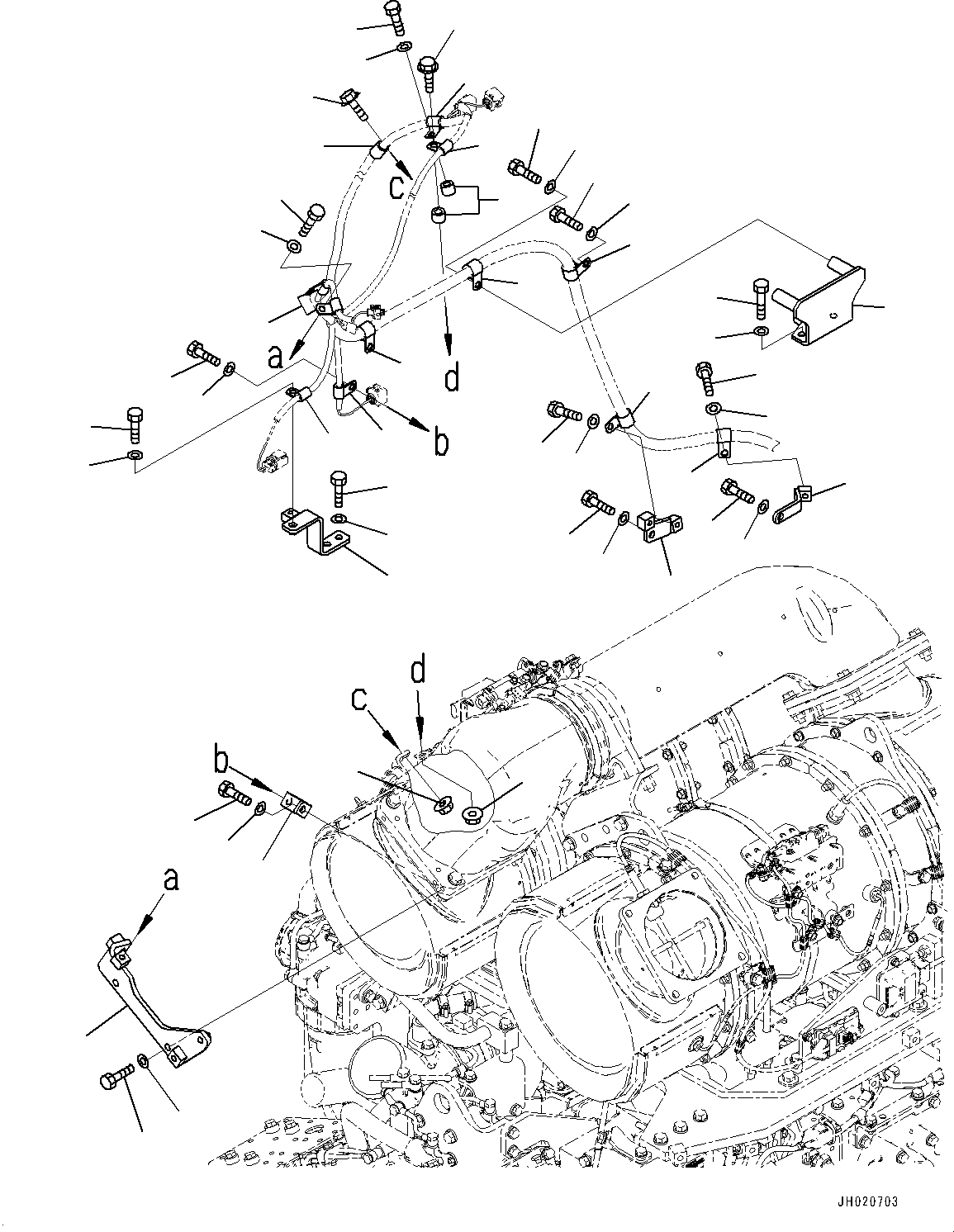
| ? | 17A-06-52321 | Bracket | 1 | SN: 160001- KIT-FLAG: _- SCC: SERIALNO: 160001- |
|||
| ? | 01010-81025 | Bolt | 1 | SN: 160001- KIT-FLAG: _- SCC: SERIALNO: 160001- |
|||
| ? | 01643-31032 | Washer | 1 | SN: 160001- KIT-FLAG: _- SCC: SERIALNO: 160001- |
|||
| ? | 600-051-2190 | Clip | 1 | SN: 160001- KIT-FLAG: _- SCC: SERIALNO: 160001- |
|||
| ? | 01010-81020 | Bolt | 1 | SN: 160001- KIT-FLAG: _- SCC: SERIALNO: 160001- |
|||
| ? | 01643-31032 | Washer | 1 | SN: 160001- KIT-FLAG: _- SCC: SERIALNO: 160001- |
|||
| ? | 17A-06-65160 | Plate | 1 | SN: 160001- KIT-FLAG: _- SCC: SERIALNO: 160001- |
|||
| ? | 01010-81025 | Bolt | 1 | SN: 160001- KIT-FLAG: _- SCC: SERIALNO: 160001- |
|||
| ? | 01643-31032 | Washer | 1 | SN: 160001- KIT-FLAG: _- SCC: SERIALNO: 160001- |
|||
| ? | 600-051-2190 | Clip | 1 | SN: 160001- KIT-FLAG: _- SCC: SERIALNO: 160001- |
|||
| ? | 01010-81020 | Bolt | 1 | SN: 160001- KIT-FLAG: _- SCC: SERIALNO: 160001- |
|||
| ? | 01643-31032 | Washer | 1 | SN: 160001- KIT-FLAG: _- SCC: SERIALNO: 160001- |
|||
| ? | 600-051-2190 | Clip | 1 | SN: 160001- KIT-FLAG: _- SCC: SERIALNO: 160001- |
|||
| ? | 01010-81020 | Bolt | 1 | SN: 160001- KIT-FLAG: _- SCC: SERIALNO: 160001- |
|||
| ? | 01643-31032 | Washer | 1 | SN: 160001- KIT-FLAG: _- SCC: SERIALNO: 160001- |
|||
| ? | 17A-06-65140 | Bracket | 1 | SN: 160001- KIT-FLAG: _- SCC: SERIALNO: 160001- |
|||
| ? | 01010-81040 | Bolt | 2 | SN: 160001- KIT-FLAG: _- SCC: SERIALNO: 160001- |
|||
| ? | 01643-31032 | Washer | 2 | SN: 160001- KIT-FLAG: _- SCC: SERIALNO: 160001- |
|||
| ? | 600-051-2190 | Clip | 2 | SN: 160001- KIT-FLAG: _- SCC: SERIALNO: 160001- |
|||
| ? | 01010-81020 | Bolt | 2 | SN: 160001- KIT-FLAG: _- SCC: SERIALNO: 160001- |
|||
| ? | 01643-31032 | Washer | 2 | SN: 160001- KIT-FLAG: _- SCC: SERIALNO: 160001- |
|||
| ? | 17A-06-65130 | Bracket | 1 | SN: 160001- KIT-FLAG: _- SCC: SERIALNO: 160001- |
|||
| ? | 01010-81025 | Bolt | 2 | SN: 160001- KIT-FLAG: _- SCC: SERIALNO: 160001- |
|||
| ? | 01643-31032 | Washer | 2 | SN: 160001- KIT-FLAG: _- SCC: SERIALNO: 160001- |
|||
| ? | 600-051-2100 | Clip | 1 | SN: 160001- KIT-FLAG: _- SCC: SERIALNO: 160001- |
|||
| ? | 01010-81020 | Bolt | 1 | SN: 160001- KIT-FLAG: _- SCC: SERIALNO: 160001- |
|||
| ? | 01643-31032 | Washer | 1 | SN: 160001- KIT-FLAG: _- SCC: SERIALNO: 160001- |
|||
| ? | 17A-06-52361 | Bracket | 1 | SN: 160001- KIT-FLAG: _- SCC: SERIALNO: 160001- |
|||
| ? | 01010-81025 | Bolt | 1 | SN: 160001- KIT-FLAG: _- SCC: SERIALNO: 160001- |
|||
| ? | 01643-31032 | Washer | 1 | SN: 160001- KIT-FLAG: _- SCC: SERIALNO: 160001- |
|||
| ? | 600-051-2100 | Clip | 1 | SN: 160001- KIT-FLAG: _- SCC: SERIALNO: 160001- |
|||
| ? | 01010-81020 | Bolt | 1 | SN: 160001- KIT-FLAG: _- SCC: SERIALNO: 160001- |
|||
| ? | 01643-31032 | Washer | 1 | SN: 160001- KIT-FLAG: _- SCC: SERIALNO: 160001- |
|||
| ? | 600-051-2140 | Clip | 2 | SN: 160001- KIT-FLAG: _- SCC: SERIALNO: 160001- |
|||
| ? | 600-051-6100 | Clip | 1 | SN: 160001- KIT-FLAG: _- SCC: SERIALNO: 160001- |
|||
| ? | 17A-06-61530 | Collar | 2 | SN: 160001- KIT-FLAG: _- SCC: SERIALNO: 160001- |
|||
| ? | 01435-01025 | Bolt, Flanged | 1 | SN: 160001- KIT-FLAG: _- SCC: SERIALNO: 160001- |
|||
| ? | 01435-01035 | Bolt, Flanged | 1 | SN: 160001- KIT-FLAG: _- SCC: SERIALNO: 160001- |
|||
| ? | 01010-81040 | Bolt | 1 | SN: 160001- KIT-FLAG: _- SCC: SERIALNO: 160001- |
|||
| ? | 01643-31032 | Washer | 1 | SN: 160001- KIT-FLAG: _- SCC: SERIALNO: 160001- |
|||
| ? | 01584-01008 | Nut | 2 | SN: 160001- KIT-FLAG: _- SCC: SERIALNO: 160001- |
|||
| ? | 17A-06-65151 | Bracket | 1 | SN: 160001- KIT-FLAG: _- SCC: SERIALNO: 160001- |
|||
| ? | 01010-81025 | Bolt | 2 | SN: 160001- KIT-FLAG: _- SCC: SERIALNO: 160001- |
|||
| ? | 01643-31032 | Washer | 2 | SN: 160001- KIT-FLAG: _- SCC: SERIALNO: 160001- |
|||
| ? | 600-051-6100 | Clip | 2 | SN: 160001- KIT-FLAG: _- SCC: SERIALNO: 160001- |
|||
| ? | 01010-81020 | Bolt | 2 | SN: 160001- KIT-FLAG: _- SCC: SERIALNO: 160001- |
|||
| ? | 01643-31032 | Washer | 2 | SN: 160001- KIT-FLAG: _- SCC: SERIALNO: 160001- |