| Номер на схеме | Каталожный номер | Название | Количество | Детали | |||
|---|---|---|---|---|---|---|---|
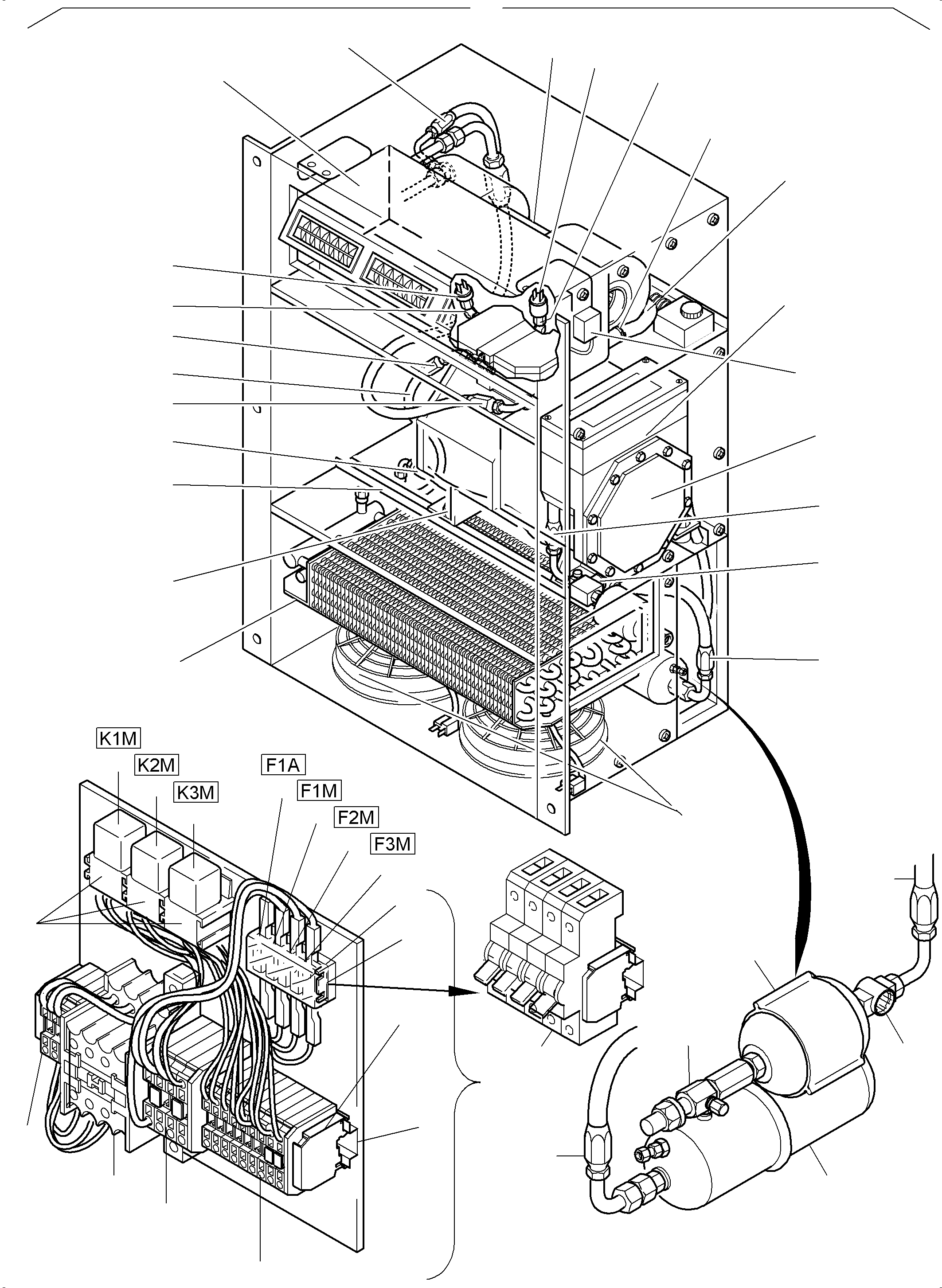
| ? | 795 963 73 | Compact air condition. equipm., 50Hz | 1 | EnglischBem: DeutschBem: DeutschDesc: Kompaktklimaanlage, 50Hz InternBDB: InternKon: SerienBem: Zwhead_Deu: Zwhead_Eng: |
|||
| ? | 765 694 73 | Condenser | 1 | EnglischBem: DeutschBem: DeutschDesc: Kondensator InternBDB: InternKon: SerienBem: Zwhead_Deu: Zwhead_Eng: |
|||
| ? | 794 139 73 | Compressor, 50Hz | 1 | EnglischBem: DeutschBem: DeutschDesc: Kompressor, 50Hz InternBDB: InternKon: SerienBem: Zwhead_Deu: Zwhead_Eng: |
|||
| ? | 794 140 73 | Add. evaporator | 1 | EnglischBem: DeutschBem: DeutschDesc: Zusatzverdampfer InternBDB: InternKon: SerienBem: Zwhead_Deu: Zwhead_Eng: |
|||
| ? | 765 697 73 | Condenser fan | 2 | EnglischBem: DeutschBem: DeutschDesc: Kondensator Lьfter InternBDB: InternKon: SerienBem: Zwhead_Deu: Zwhead_Eng: |
|||
| ? | 765 115 73 | Receiver tank | 1 | EnglischBem: DeutschBem: DeutschDesc: Sammelflasche InternBDB: InternKon: SerienBem: Zwhead_Deu: Zwhead_Eng: |
|||
| ? | 765 698 73 | Filter drier | 1 | EnglischBem: DeutschBem: DeutschDesc: Filtertrockner InternBDB: InternKon: SerienBem: Zwhead_Deu: Zwhead_Eng: |
|||
| ? | 765 116 73 | Inspection glass | 1 | EnglischBem: DeutschBem: DeutschDesc: Schauglas InternBDB: InternKon: SerienBem: Zwhead_Deu: Zwhead_Eng: |
|||
| ? | 765 117 73 | Relay | 3 | EnglischBem: DeutschBem: DeutschDesc: Relais InternBDB: InternKon: SerienBem: Zwhead_Deu: Zwhead_Eng: |
|||
| ? | 765 159 73 | Base | 3 | EnglischBem: DeutschBem: DeutschDesc: Sockel InternBDB: InternKon: SerienBem: Zwhead_Deu: Zwhead_Eng: |
|||
| ? | 765 701 73 | Contactor | 1 | EnglischBem: DeutschBem: DeutschDesc: Schьtz InternBDB: InternKon: SerienBem: Zwhead_Deu: Zwhead_Eng: |
|||
| ? | 765 305 73 | Fuse box | 1 | EnglischBem: DeutschBem: DeutschDesc: Sicherungsdose InternBDB: InternKon: SerienBem: Zwhead_Deu: Zwhead_Eng: |
|||
| ? | 765 702 73 | Fuse 10 A | 4 | EnglischBem: DeutschBem: DeutschDesc: Sicherung 10 A InternBDB: InternKon: SerienBem: Zwhead_Deu: Zwhead_Eng: |
|||
| ? | 765 703 73 | Fuse 20 A | 1 | EnglischBem: DeutschBem: DeutschDesc: Sicherung 20 A InternBDB: InternKon: SerienBem: Zwhead_Deu: Zwhead_Eng: |
|||
| ? | 769 123 73 | Blower grid | 2 | EnglischBem: DeutschBem: DeutschDesc: Geblдsegitter InternBDB: InternKon: SerienBem: Zwhead_Deu: Zwhead_Eng: |
|||
| ? | 505 940 99 | Assembly rail | A/R | EnglischBem: DeutschBem: DeutschDesc: Tragschiene InternBDB: InternKon: SerienBem: Zwhead_Deu: Zwhead_Eng: |
|||
| ? | 794 527 73 | Blower engine | 1 | EnglischBem: DeutschBem: DeutschDesc: Geblдsemotor InternBDB: InternKon: SerienBem: Zwhead_Deu: Zwhead_Eng: |
|||
| ? | 795 965 73 | Switch plate assy. | 1 | EnglischBem: DeutschBem: DeutschDesc: Schalttafel kpl InternBDB: InternKon: SerienBem: Zwhead_Deu: Zwhead_Eng: |
|||
| ? | 255 891 40 | Hose DN6 | A/R | EnglischBem: DeutschBem: DeutschDesc: Schlauch DN6 InternBDB: InternKon: SerienBem: Zwhead_Deu: Zwhead_Eng: |
|||
| ? | 655 730 40 | Hose DN13 | A/R | EnglischBem: DeutschBem: DeutschDesc: Schlauch DN13 InternBDB: InternKon: SerienBem: Zwhead_Deu: Zwhead_Eng: |
|||
| ? | 269 412 40 | Hose DN10 | A/R | EnglischBem: DeutschBem: DeutschDesc: Schlauch DN10 InternBDB: InternKon: SerienBem: Zwhead_Deu: Zwhead_Eng: |
|||
| ? | 270 813 40 | Socket | 3 | EnglischBem: DeutschBem: DeutschDesc: Fassung InternBDB: InternKon: SerienBem: Zwhead_Deu: Zwhead_Eng: |
|||
| ? | 794 141 73 | Angle | 2 | EnglischBem: DeutschBem: DeutschDesc: Einschraubwinkel InternBDB: InternKon: SerienBem: Zwhead_Deu: Zwhead_Eng: |
|||
| ? | 255 008 40 | Socket | 2 | EnglischBem: DeutschBem: DeutschDesc: Fassung InternBDB: InternKon: SerienBem: Zwhead_Deu: Zwhead_Eng: |
|||
| ? | 270 816 40 | Nipple 90 ? | 3 | EnglischBem: DeutschBem: DeutschDesc: Nippel 90 ? InternBDB: InternKon: SerienBem: Zwhead_Deu: Zwhead_Eng: |
|||
| ? | 794 142 73 | Double nut | 1 | EnglischBem: DeutschBem: DeutschDesc: Doppelmutter InternBDB: InternKon: SerienBem: Zwhead_Deu: Zwhead_Eng: |
|||
| ? | 270 818 40 | Nipple 90 ? | 2 | EnglischBem: DeutschBem: DeutschDesc: Nippel 90 ? InternBDB: InternKon: SerienBem: Zwhead_Deu: Zwhead_Eng: |
|||
| ? | 794 994 73 | High pressure switch | 1 | EnglischBem: DeutschBem: DeutschDesc: Hochdruckschalter InternBDB: InternKon: SerienBem: Zwhead_Deu: Zwhead_Eng: |
|||
| ? | 794 993 73 | Low pressure switch | 1 | EnglischBem: DeutschBem: DeutschDesc: Niederdruckschalter InternBDB: InternKon: SerienBem: Zwhead_Deu: Zwhead_Eng: |
|||
| ? | 766 216 73 | Seal ring | 2 | EnglischBem: DeutschBem: DeutschDesc: Dichtring InternBDB: InternKon: SerienBem: Zwhead_Deu: Zwhead_Eng: |
|||
| ? | 794 131 73 | Thermostat | 1 | EnglischBem: DeutschBem: DeutschDesc: Abtauthermostat InternBDB: InternKon: SerienBem: Zwhead_Deu: Zwhead_Eng: |
|||
| ? | 794 132 73 | Thermostat | 1 | EnglischBem: DeutschBem: DeutschDesc: Raumthermostat InternBDB: InternKon: SerienBem: Zwhead_Deu: Zwhead_Eng: |
|||
| ? | 794 143 73 | Nipple 45 ? | 1 | EnglischBem: DeutschBem: DeutschDesc: Nippel 45 ? InternBDB: InternKon: SerienBem: Zwhead_Deu: Zwhead_Eng: |
|||
| ? | 334 599 99 | Nut | 4 | EnglischBem: DeutschBem: DeutschDesc: Mutter InternBDB: InternKon: SerienBem: Zwhead_Deu: Zwhead_Eng: |
|||
| ? | 340 464 99 | Washer | 4 | EnglischBem: DeutschBem: DeutschDesc: Scheibe InternBDB: InternKon: SerienBem: Zwhead_Deu: Zwhead_Eng: |
|||
| ? | 794 144 73 | Shock absorber | 4 | EnglischBem: DeutschBem: DeutschDesc: Rundlager InternBDB: InternKon: SerienBem: Zwhead_Deu: Zwhead_Eng: |
|||
| ? | 007 666 98 | Clamp | 1 | EnglischBem: DeutschBem: DeutschDesc: Schelle InternBDB: InternKon: SerienBem: Zwhead_Deu: Zwhead_Eng: |
|||
| ? | 765 307 73 | Through clamp | 12 | EnglischBem: DeutschBem: DeutschDesc: Durchgangsklemme InternBDB: InternKon: SerienBem: Zwhead_Deu: Zwhead_Eng: |
|||
| ? | 794 145 73 | Through clamp | 4 | EnglischBem: DeutschBem: DeutschDesc: Durchgangsklemme InternBDB: InternKon: SerienBem: Zwhead_Deu: Zwhead_Eng: |
|||
| ? | 769 564 73 | Clamp | 2 | EnglischBem: DeutschBem: DeutschDesc: Endklammer InternBDB: InternKon: SerienBem: Zwhead_Deu: Zwhead_Eng: |
|||
| ? | 795 964 73 | Compact air condition. equipm., 60Hz | 1 | EnglischBem: DeutschBem: DeutschDesc: Kompaktklimaanlage, 60Hz InternBDB: InternKon: SerienBem: Zwhead_Deu: Zwhead_Eng: |
|||
| ? | 794 699 73 | Compressor, 60Hz | 1 | EnglischBem: DeutschBem: DeutschDesc: Kompressor, 60Hz InternBDB: InternKon: SerienBem: Zwhead_Deu: Zwhead_Eng: |
|||
| ? | 797 504 73 | Power switch (H485 12022,24 PC5500-6E 15074,77 PC 8000-6E 12061,63 and12065 PC4000-6E 08198 and 08202 10A 1-pol. | 4 | EnglischBem: DeutschBem: DeutschDesc: Leistungsschalter (H485 12022,24 PC5500-6E 15074,77PC 8000-6E 12 InternBDB: InternKon: SerienBem: Zwhead_Deu: Zwhead_Eng: |