k-part
Наименование Страница Код страницы
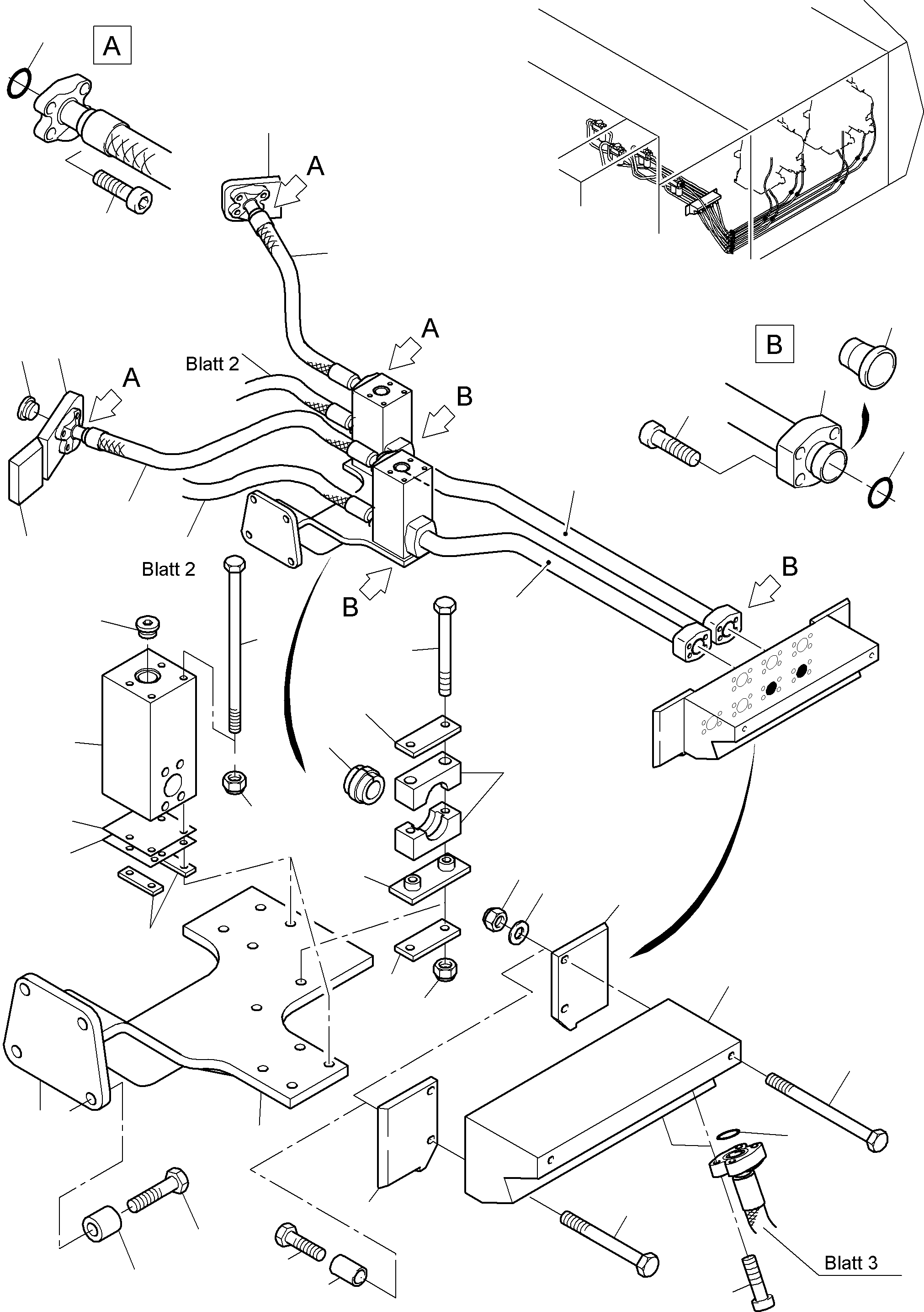
H. P. Filter 991-0244 991-0244

Номер на схеме Каталожный номер Название Количество Детали
? 794 320 73 Pipe assy. Ш 65 1
EnglischBem:
DeutschBem:
DeutschDesc: Rohrleitung kpl. Ш 65
InternBDB:
InternKon:
SerienBem:
Zwhead_Deu:
Zwhead_Eng:
? 794 322 73 Pipe assy. Ш 65 1
EnglischBem:
DeutschBem:
DeutschDesc: Rohrleitung kpl. Ш 65
InternBDB:
InternKon:
SerienBem:
Zwhead_Deu:
Zwhead_Eng:
? 794 323 73 Pipe assy. Ш 65 1
EnglischBem:
DeutschBem:
DeutschDesc: Rohrleitung kpl. Ш 65
InternBDB:
InternKon:
SerienBem:
Zwhead_Deu:
Zwhead_Eng:
? 796 725 73 Pipe assy. 1
EnglischBem:
DeutschBem:
DeutschDesc: Rohrleitung kpl.
InternBDB:
InternKon:
SerienBem:
Zwhead_Deu:
Zwhead_Eng:
? 940 418 40 Hose assy. DN 50x1980 2
EnglischBem:
DeutschBem:
DeutschDesc: Schlauchleitung DN 50x1980
InternBDB:
InternKon:
SerienBem:
Zwhead_Deu:
Zwhead_Eng:
? 940 344 40 Hose assy. DN 50x940 1
EnglischBem:
DeutschBem:
DeutschDesc: Schlauchleitung DN 50x940
InternBDB:
InternKon:
SerienBem:
Zwhead_Deu:
Zwhead_Eng:
? 940 407 40 Hose assy. DN 50x1010 4
EnglischBem:
DeutschBem:
DeutschDesc: Schlauchleitung DN 50x1010
InternBDB:
InternKon:
SerienBem:
Zwhead_Deu:
Zwhead_Eng:
? 940 370 40 Hose assy. DN 50x2100 2
EnglischBem:
DeutschBem:
DeutschDesc: Schlauchleitung DN 50x2100
InternBDB:
InternKon:
SerienBem:
Zwhead_Deu:
Zwhead_Eng:
? 794 681 73 Pipe assy. Ш 65 1
EnglischBem:
DeutschBem:
DeutschDesc: Rohrleitung kpl. Ш 65
InternBDB:
InternKon:
SerienBem:
Zwhead_Deu:
Zwhead_Eng:
? 794 682 73 Pipe assy. Ш 65 1
EnglischBem:
DeutschBem:
DeutschDesc: Rohrleitung kpl. Ш 65
InternBDB:
InternKon:
SerienBem:
Zwhead_Deu:
Zwhead_Eng:
? 794 683 73 Pipe assy. Ш 65 1
EnglischBem:
DeutschBem:
DeutschDesc: Rohrleitung kpl. Ш 65
InternBDB:
InternKon:
SerienBem:
Zwhead_Deu:
Zwhead_Eng:
? 793 829 73 Pipe assy. Ш 65 1
EnglischBem:
DeutschBem:
DeutschDesc: Rohrleitung kpl. Ш 65
InternBDB:
InternKon:
SerienBem:
Zwhead_Deu:
Zwhead_Eng:
? 794 685 73 Pipe assy. Ш 65 1
EnglischBem:
DeutschBem:
DeutschDesc: Rohrleitung kpl. Ш 65
InternBDB:
InternKon:
SerienBem:
Zwhead_Deu:
Zwhead_Eng:
? 794 686 73 Pipe assy. Ш 65 1
EnglischBem:
DeutschBem:
DeutschDesc: Rohrleitung kpl. Ш 65
InternBDB:
InternKon:
SerienBem:
Zwhead_Deu:
Zwhead_Eng:
? 793 830 73 Pipe assy. Ш 65 1
EnglischBem:
DeutschBem:
DeutschDesc: Rohrleitung kpl. Ш 65
InternBDB:
InternKon:
SerienBem:
Zwhead_Deu:
Zwhead_Eng:
? 794 688 73 Pipe assy. Ш 65 1
EnglischBem:
DeutschBem:
DeutschDesc: Rohrleitung kpl. Ш 65
InternBDB:
InternKon:
SerienBem:
Zwhead_Deu:
Zwhead_Eng:
? 940 341 40 Hose assy. DN 50x830 1
EnglischBem:
DeutschBem:
DeutschDesc: Schlauchleitung DN 50x830
InternBDB:
InternKon:
SerienBem:
Zwhead_Deu:
Zwhead_Eng:
? 504 448 98 Flange 28
EnglischBem:
DeutschBem:
DeutschDesc: Flansch
InternBDB:
InternKon:
SerienBem:
Zwhead_Deu:
Zwhead_Eng:
? 385 243 40 Seal ring 52
EnglischBem:
DeutschBem:
DeutschDesc: Dichtring
InternBDB:
InternKon:
SerienBem:
Zwhead_Deu:
Zwhead_Eng:
? 504 449 98 Collar ring 9
EnglischBem:
DeutschBem:
DeutschDesc: Kragenring
InternBDB:
InternKon:
SerienBem:
Zwhead_Deu:
Zwhead_Eng:
? 504 461 98 Collar ring 19
EnglischBem:
DeutschBem:
DeutschDesc: Kragenring
InternBDB:
InternKon:
SerienBem:
Zwhead_Deu:
Zwhead_Eng:
? 912 534 40 Diffuser 1
EnglischBem:
DeutschBem:
DeutschDesc: Umlenkklotz
InternBDB:
InternKon:
SerienBem:
Zwhead_Deu:
Zwhead_Eng:
? 302 554 99 Bolt 2
EnglischBem:
DeutschBem:
DeutschDesc: Schraube
InternBDB:
InternKon:
SerienBem:
Zwhead_Deu:
Zwhead_Eng:
? 504 662 98 Nut 72
EnglischBem:
DeutschBem:
DeutschDesc: Mutter
InternBDB:
InternKon:
SerienBem:
Zwhead_Deu:
Zwhead_Eng:
? 319 305 99 Bolt 92
EnglischBem:
DeutschBem:
DeutschDesc: Schraube
InternBDB:
InternKon:
SerienBem:
Zwhead_Deu:
Zwhead_Eng:
? 319 309 99 Bolt 12
EnglischBem:
DeutschBem:
DeutschDesc: Schraube
InternBDB:
InternKon:
SerienBem:
Zwhead_Deu:
Zwhead_Eng:
? 319 313 99 Bolt 36
EnglischBem:
DeutschBem:
DeutschDesc: Schraube
InternBDB:
InternKon:
SerienBem:
Zwhead_Deu:
Zwhead_Eng:
? 940 339 40 Hose assy. DN 50x750 1
EnglischBem:
DeutschBem:
DeutschDesc: Schlauchleitung DN 50x750
InternBDB:
InternKon:
SerienBem:
Zwhead_Deu:
Zwhead_Eng:
? 940 349 40 Hose assy. DN 50x1130 1
EnglischBem:
DeutschBem:
DeutschDesc: Schlauchleitung DN 50x1130
InternBDB:
InternKon:
SerienBem:
Zwhead_Deu:
Zwhead_Eng:
? 940 345 40 Hose assy. DN 50x1000 1
EnglischBem:
DeutschBem:
DeutschDesc: Schlauchleitung DN 50x1000
InternBDB:
InternKon:
SerienBem:
Zwhead_Deu:
Zwhead_Eng:
? 940 342 40 Hose assy. DN 50x885 1
EnglischBem:
DeutschBem:
DeutschDesc: Schlauchleitung DN 50x885
InternBDB:
InternKon:
SerienBem:
Zwhead_Deu:
Zwhead_Eng:
? 940 340 40 Hose assy. DN 50x800 1
EnglischBem:
DeutschBem:
DeutschDesc: Schlauchleitung DN 50x800
InternBDB:
InternKon:
SerienBem:
Zwhead_Deu:
Zwhead_Eng:
? 308 645 99 Bolt 2
EnglischBem:
DeutschBem:
DeutschDesc: Schraube
InternBDB:
InternKon:
SerienBem:
Zwhead_Deu:
Zwhead_Eng:
? 316 211 99 Washer 14
EnglischBem:
DeutschBem:
DeutschDesc: Scheibe
InternBDB:
InternKon:
SerienBem:
Zwhead_Deu:
Zwhead_Eng:
? 334 695 99 Nut 18
EnglischBem:
DeutschBem:
DeutschDesc: Mutter
InternBDB:
InternKon:
SerienBem:
Zwhead_Deu:
Zwhead_Eng:
? 912 533 40 Plate 2
EnglischBem:
DeutschBem:
DeutschDesc: Blech
InternBDB:
InternKon:
SerienBem:
Zwhead_Deu:
Zwhead_Eng:
? 319 323 99 Bolt 32
EnglischBem:
DeutschBem:
DeutschDesc: Schraube
InternBDB:
InternKon:
SerienBem:
Zwhead_Deu:
Zwhead_Eng:
? 933 409 40 Frame 1
EnglischBem:
DeutschBem:
DeutschDesc: Rahmen
InternBDB:
InternKon:
SerienBem:
Zwhead_Deu:
Zwhead_Eng:
? 928 325 40 Intermediate plate 4
EnglischBem:
DeutschBem:
DeutschDesc: Zwischenplatte
InternBDB:
InternKon:
SerienBem:
Zwhead_Deu:
Zwhead_Eng:
? 928 326 40 Intermediate plate 4
EnglischBem:
DeutschBem:
DeutschDesc: Zwischenplatte
InternBDB:
InternKon:
SerienBem:
Zwhead_Deu:
Zwhead_Eng:
? 510 727 98 Resilient sleeve 21/40x75 16
EnglischBem:
DeutschBem:
DeutschDesc: Dehnhьlse 21/40x75
InternBDB:
InternKon:
SerienBem:
Zwhead_Deu:
Zwhead_Eng:
? 516 430 98 Bolt 16
EnglischBem:
DeutschBem:
DeutschDesc: Schraube
InternBDB:
InternKon:
SerienBem:
Zwhead_Deu:
Zwhead_Eng:
? 308 433 99 Bolt 16
EnglischBem:
DeutschBem:
DeutschDesc: Schraube
InternBDB:
InternKon:
SerienBem:
Zwhead_Deu:
Zwhead_Eng:
? 505 891 98 Bolt 16
EnglischBem:
DeutschBem:
DeutschDesc: Schraube
InternBDB:
InternKon:
SerienBem:
Zwhead_Deu:
Zwhead_Eng:
? 534 009 99 Weld on plate 8
EnglischBem:
DeutschBem:
DeutschDesc: AnschweiЯplatte
InternBDB:
InternKon:
SerienBem:
Zwhead_Deu:
Zwhead_Eng:
? 504 446 98 Clamp set 24
EnglischBem:
DeutschBem:
DeutschDesc: Klemmpaar
InternBDB:
InternKon:
SerienBem:
Zwhead_Deu:
Zwhead_Eng:
? 334 600 99 Nut 32
EnglischBem:
DeutschBem:
DeutschDesc: Mutter
InternBDB:
InternKon:
SerienBem:
Zwhead_Deu:
Zwhead_Eng:
? 502 965 98 Cover plate 8
EnglischBem:
DeutschBem:
DeutschDesc: Deckplatte
InternBDB:
InternKon:
SerienBem:
Zwhead_Deu:
Zwhead_Eng:
? 502 961 98 Weld-on plate 8
EnglischBem:
DeutschBem:
DeutschDesc: AnschweiЯplatte
InternBDB:
InternKon:
SerienBem:
Zwhead_Deu:
Zwhead_Eng:
? 534 002 99 Weld-on plate 6
EnglischBem:
DeutschBem:
DeutschDesc: AnschweiЯplatte
InternBDB:
InternKon:
SerienBem:
Zwhead_Deu:
Zwhead_Eng:
? 502 371 98 Clamp set 24
EnglischBem:
DeutschBem:
DeutschDesc: Klemmpaar
InternBDB:
InternKon:
SerienBem:
Zwhead_Deu:
Zwhead_Eng:
? 512 053 98 Grommet 22
EnglischBem:
DeutschBem:
DeutschDesc: Gummieinsatz
InternBDB:
InternKon:
SerienBem:
Zwhead_Deu:
Zwhead_Eng:
? 534 008 99 Cover plate 25
EnglischBem:
DeutschBem:
DeutschDesc: Deckplatte
InternBDB:
InternKon:
SerienBem:
Zwhead_Deu:
Zwhead_Eng:
? 308 612 99 Bolt 26
EnglischBem:
DeutschBem:
DeutschDesc: Schraube
InternBDB:
InternKon:
SerienBem:
Zwhead_Deu:
Zwhead_Eng:
? 534 001 99 Cover plate 7
EnglischBem:
DeutschBem:
DeutschDesc: Deckplatte
InternBDB:
InternKon:
SerienBem:
Zwhead_Deu:
Zwhead_Eng:
? 504 817 98 Clamp set 14
EnglischBem:
DeutschBem:
DeutschDesc: Klemmpaar
InternBDB:
InternKon:
SerienBem:
Zwhead_Deu:
Zwhead_Eng:
? 927 169 40 Retainer 1
EnglischBem:
DeutschBem:
DeutschDesc: Halter
InternBDB:
InternKon:
SerienBem:
Zwhead_Deu:
Zwhead_Eng:
? 927 165 40 Plate 2
EnglischBem:
DeutschBem:
DeutschDesc: Blech
InternBDB:
InternKon:
SerienBem:
Zwhead_Deu:
Zwhead_Eng:
? 512 958 98 Resilient sleeve 4
EnglischBem:
DeutschBem:
DeutschDesc: Dehnhьlse
InternBDB:
InternKon:
SerienBem:
Zwhead_Deu:
Zwhead_Eng:
? 308 782 99 Bolt 4
EnglischBem:
DeutschBem:
DeutschDesc: Schraube
InternBDB:
InternKon:
SerienBem:
Zwhead_Deu:
Zwhead_Eng:
? 928 330 40 Retainer 1
EnglischBem:
DeutschBem:
DeutschDesc: Halter
InternBDB:
InternKon:
SerienBem:
Zwhead_Deu:
Zwhead_Eng:
? 504 682 98 Bolt 14
EnglischBem:
DeutschBem:
DeutschDesc: Schraube
InternBDB:
InternKon:
SerienBem:
Zwhead_Deu:
Zwhead_Eng:
? 509 310 98 Locking plate 20
EnglischBem:
DeutschBem:
DeutschDesc: Sicherungsblech
InternBDB:
InternKon:
SerienBem:
Zwhead_Deu:
Zwhead_Eng:
? 505 729 98 Grommet 2
EnglischBem:
DeutschBem:
DeutschDesc: Gummieinsatz
InternBDB:
InternKon:
SerienBem:
Zwhead_Deu:
Zwhead_Eng:
? 509 308 98 Locking plate 7
EnglischBem:
DeutschBem:
DeutschDesc: Sicherungsblech
InternBDB:
InternKon:
SerienBem:
Zwhead_Deu:
Zwhead_Eng:
? 307 785 99 Bolt 14
EnglischBem:
DeutschBem:
DeutschDesc: Schraube
InternBDB:
InternKon:
SerienBem:
Zwhead_Deu:
Zwhead_Eng:
? 510 733 98 Resilient sleeve 2
EnglischBem:
DeutschBem:
DeutschDesc: Dehnhьlse
InternBDB:
InternKon:
SerienBem:
Zwhead_Deu:
Zwhead_Eng:
? 308 321 99 Bolt 2
EnglischBem:
DeutschBem:
DeutschDesc: Schraube
InternBDB:
InternKon:
SerienBem:
Zwhead_Deu:
Zwhead_Eng:
? 940 369 40 Hose assy. DN 50x2050 1
EnglischBem:
DeutschBem:
DeutschDesc: Schlauchleitung DN 50x2050
InternBDB:
InternKon:
SerienBem:
Zwhead_Deu:
Zwhead_Eng:
? 794 327 73 Pipe assy. Ш 65 1
EnglischBem:
DeutschBem:
DeutschDesc: Rohrleitung kpl. Ш 65
InternBDB:
InternKon:
SerienBem:
Zwhead_Deu:
Zwhead_Eng:
? 794 328 73 Pipe assy. Ш 65 1
EnglischBem:
DeutschBem:
DeutschDesc: Rohrleitung kpl. Ш 65
InternBDB:
InternKon:
SerienBem:
Zwhead_Deu:
Zwhead_Eng:
? 926 716 40 Manifold 2
EnglischBem:
DeutschBem:
DeutschDesc: Verteilerklotz
InternBDB:
InternKon:
SerienBem:
Zwhead_Deu:
Zwhead_Eng:
? 934 802 40 Console 1
EnglischBem:
DeutschBem:
DeutschDesc: Konsole
InternBDB:
InternKon:
SerienBem:
Zwhead_Deu:
Zwhead_Eng:
? 926 704 40 Plate 4
EnglischBem:
DeutschBem:
DeutschDesc: Blech
InternBDB:
InternKon:
SerienBem:
Zwhead_Deu:
Zwhead_Eng:
? 926 705 40 Plate 4
EnglischBem:
DeutschBem:
DeutschDesc: Blech
InternBDB:
InternKon:
SerienBem:
Zwhead_Deu:
Zwhead_Eng:
? 517 091 98 Bolt 32
EnglischBem:
DeutschBem:
DeutschDesc: Schraube
InternBDB:
InternKon:
SerienBem:
Zwhead_Deu:
Zwhead_Eng:
? 510 740 98 Resilient sleeve 4
EnglischBem:
DeutschBem:
DeutschDesc: Dehnhьlse
InternBDB:
InternKon:
SerienBem:
Zwhead_Deu:
Zwhead_Eng:
? 514 857 98 Bolt 80mm lg 4
EnglischBem:
DeutschBem:
DeutschDesc: Schraube 80mm lg
InternBDB:
InternKon:
SerienBem:
Zwhead_Deu:
Zwhead_Eng:
? 514 092 98 Bolt 70mm lg 4
EnglischBem:
DeutschBem:
DeutschDesc: Schraube 70mm lg
InternBDB:
InternKon:
SerienBem:
Zwhead_Deu:
Zwhead_Eng:
? 506 638 98 Bolt 90mm lg 4
EnglischBem:
DeutschBem:
DeutschDesc: Schraube 90mm lg
InternBDB:
InternKon:
SerienBem:
Zwhead_Deu:
Zwhead_Eng:
? 334 695 99 Nut 18
EnglischBem:
DeutschBem:
DeutschDesc: Mutter
InternBDB:
InternKon:
SerienBem:
Zwhead_Deu:
Zwhead_Eng:
? 509 064 98 Clamp set 3
EnglischBem:
DeutschBem:
DeutschDesc: Klemmpaar
InternBDB:
InternKon:
SerienBem:
Zwhead_Deu:
Zwhead_Eng:
? 504 957 98 Grommet 1
EnglischBem:
DeutschBem:
DeutschDesc: Gummieinsatz
InternBDB:
InternKon:
SerienBem:
Zwhead_Deu:
Zwhead_Eng:
? 500 398 98 Cover plate 4
EnglischBem:
DeutschBem:
DeutschDesc: Deckplatte
InternBDB:
InternKon:
SerienBem:
Zwhead_Deu:
Zwhead_Eng:
? 304 114 99 Bolt 2
EnglischBem:
DeutschBem:
DeutschDesc: Schraube
InternBDB:
InternKon:
SerienBem:
Zwhead_Deu:
Zwhead_Eng:
? 500 399 98 Weld-on plate 1
EnglischBem:
DeutschBem:
DeutschDesc: AnschweiЯplatte
InternBDB:
InternKon:
SerienBem:
Zwhead_Deu:
Zwhead_Eng:
? 950 003 40 Plug 2
EnglischBem:
DeutschBem:
DeutschDesc: VerschluЯflansch
InternBDB:
InternKon:
SerienBem:
Zwhead_Deu:
Zwhead_Eng:
? 950 002 40 Support plate 1
EnglischBem:
DeutschBem:
DeutschDesc: Stьtzblech
InternBDB:
InternKon:
SerienBem:
Zwhead_Deu:
Zwhead_Eng:
? 180 113 40 Plug 2
EnglischBem:
DeutschBem:
DeutschDesc: VerschluЯschraube
InternBDB:
InternKon:
SerienBem:
Zwhead_Deu:
Zwhead_Eng:
? 168 474 40 Plug 2
EnglischBem:
DeutschBem:
DeutschDesc: VerschluЯschraube
InternBDB:
InternKon:
SerienBem:
Zwhead_Deu:
Zwhead_Eng:
? 319 288 99 Bolt 16
EnglischBem:
DeutschBem:
DeutschDesc: Schraube
InternBDB:
InternKon:
SerienBem:
Zwhead_Deu:
Zwhead_Eng:
? 356 209 40 Flange seal 4
EnglischBem:
DeutschBem:
DeutschDesc: Flanschdichtung
InternBDB:
InternKon:
SerienBem:
Zwhead_Deu:
Zwhead_Eng:
? 517 675 98 Hose assy. DN 40x1200 2
EnglischBem:
DeutschBem:
DeutschDesc: Schlauchleitung DN 40x1200
InternBDB:
InternKon:
SerienBem:
Zwhead_Deu:
Zwhead_Eng:
? 304 315 99 Bolt 8
EnglischBem:
DeutschBem:
DeutschDesc: Schraube
InternBDB:
InternKon:
SerienBem:
Zwhead_Deu:
Zwhead_Eng:
? 926 707 40 Base 4
EnglischBem:
DeutschBem:
DeutschDesc: Unterlage
InternBDB:
InternKon:
SerienBem:
Zwhead_Deu:
Zwhead_Eng:
? 930 398 40 Plate 2
EnglischBem:
DeutschBem:
DeutschDesc: Platte
InternBDB:
InternKon:
SerienBem:
Zwhead_Deu:
Zwhead_Eng:
? 930 397 40 Thread plate 1
EnglischBem:
DeutschBem:
DeutschDesc: Gewindeplatte
InternBDB:
InternKon:
SerienBem:
Zwhead_Deu:
Zwhead_Eng:
? 504 586 98 Locking plate 14
EnglischBem:
DeutschBem:
DeutschDesc: Verdrehsicherung
InternBDB:
InternKon:
SerienBem:
Zwhead_Deu:
Zwhead_Eng:
? 504 585 98 Screw 28
EnglischBem:
DeutschBem:
DeutschDesc: Aufbauschraube
InternBDB:
InternKon:
SerienBem:
Zwhead_Deu:
Zwhead_Eng:
? 940 367 40 Hose assy. DN50x1900 1
EnglischBem:
DeutschBem:
DeutschDesc: Schlauchleitung DN50x1900
InternBDB:
InternKon:
SerienBem:
Zwhead_Deu:
Zwhead_Eng:
? 940 359 40 Hose assy. DN50x1470 2
EnglischBem:
DeutschBem:
DeutschDesc: Schlauchleitung DN50x1470
InternBDB:
InternKon:
SerienBem:
Zwhead_Deu:
Zwhead_Eng:
? 940 354 40 Hose assy. DN50x1390 1
EnglischBem:
DeutschBem:
DeutschDesc: Schlauchleitung DN50x1390
InternBDB:
InternKon:
SerienBem:
Zwhead_Deu:
Zwhead_Eng:
? 933 499 40 Support plate 1
EnglischBem:
DeutschBem:
DeutschDesc: Stьtzblech
InternBDB:
InternKon:
SerienBem:
Zwhead_Deu:
Zwhead_Eng:
? 950 001 40 Support plate 1
EnglischBem:
DeutschBem:
DeutschDesc: Stьtzblech
InternBDB:
InternKon:
SerienBem:
Zwhead_Deu:
Zwhead_Eng:
? 916 041 40 Hose retainer 1
EnglischBem:
DeutschBem:
DeutschDesc: Schlauchhalter
InternBDB:
InternKon:
SerienBem:
Zwhead_Deu:
Zwhead_Eng:
? 916 040 40 Hose retainer 1
EnglischBem:
DeutschBem:
DeutschDesc: Schlauchhalter
InternBDB:
InternKon:
SerienBem:
Zwhead_Deu:
Zwhead_Eng:
? 516 024 98 Grommet 2
EnglischBem:
DeutschBem:
DeutschDesc: Gummieinsatz
InternBDB:
InternKon:
SerienBem:
Zwhead_Deu:
Zwhead_Eng:
? 308 643 99 Bolt 4
EnglischBem:
DeutschBem:
DeutschDesc: Schraube
InternBDB:
InternKon:
SerienBem:
Zwhead_Deu:
Zwhead_Eng:
? 308 395 99 Bolt 8
EnglischBem:
DeutschBem:
DeutschDesc: Schraube
InternBDB:
InternKon:
SerienBem:
Zwhead_Deu:
Zwhead_Eng:
? 510 536 98 Nut 8
EnglischBem:
DeutschBem:
DeutschDesc: Mutter
InternBDB:
InternKon:
SerienBem:
Zwhead_Deu:
Zwhead_Eng:
? 502 811 98 Washer 8
EnglischBem:
DeutschBem:
DeutschDesc: Scheibe
InternBDB:
InternKon:
SerienBem:
Zwhead_Deu:
Zwhead_Eng:
? 926 783 40 Plate 1
EnglischBem:
DeutschBem:
DeutschDesc: Blech
InternBDB:
InternKon:
SerienBem:
Zwhead_Deu:
Zwhead_Eng:
? 308 414 99 Bolt 8
EnglischBem:
DeutschBem:
DeutschDesc: Schraube
InternBDB:
InternKon:
SerienBem:
Zwhead_Deu:
Zwhead_Eng:
? 924 377 40 Filter bracket 1
EnglischBem:
DeutschBem:
DeutschDesc: Filtertrдger
InternBDB:
InternKon:
SerienBem:
Zwhead_Deu:
Zwhead_Eng:
? 924 378 40 Filter bracket 1
EnglischBem:
DeutschBem:
DeutschDesc: Filtertrдger
InternBDB:
InternKon:
SerienBem:
Zwhead_Deu:
Zwhead_Eng:
? 924 379 40 Filter bracket 2
EnglischBem:
DeutschBem:
DeutschDesc: Filtertrдger
InternBDB:
InternKon:
SerienBem:
Zwhead_Deu:
Zwhead_Eng:
? 515 812 98 Test coupling 4
EnglischBem:
DeutschBem:
DeutschDesc: Minimesskupplung
InternBDB:
InternKon:
SerienBem:
Zwhead_Deu:
Zwhead_Eng:
? 516 637 98 Bolt 6
EnglischBem:
DeutschBem:
DeutschDesc: Schraube
InternBDB:
InternKon:
SerienBem:
Zwhead_Deu:
Zwhead_Eng:
? 316 212 99 Washer 16
EnglischBem:
DeutschBem:
DeutschDesc: Scheibe
InternBDB:
InternKon:
SerienBem:
Zwhead_Deu:
Zwhead_Eng:
? 517 755 98 Nut 8
EnglischBem:
DeutschBem:
DeutschDesc: Mutter
InternBDB:
InternKon:
SerienBem:
Zwhead_Deu:
Zwhead_Eng:
? 932 899 40 Measuring transducer 500bar 4
EnglischBem:
DeutschBem:
DeutschDesc: Druckmessumformer 500bar
InternBDB:
InternKon:
SerienBem:
Zwhead_Deu:
Zwhead_Eng:
? 924 376 40 Plate 3
EnglischBem:
DeutschBem:
DeutschDesc: Blech
InternBDB:
InternKon:
SerienBem:
Zwhead_Deu:
Zwhead_Eng:
? 927 172 40 Plate 4
EnglischBem:
DeutschBem:
DeutschDesc: Blech
InternBDB:
InternKon:
SerienBem:
Zwhead_Deu:
Zwhead_Eng:
? 927 173 40 Plate 4
EnglischBem:
DeutschBem:
DeutschDesc: Blech
InternBDB:
InternKon:
SerienBem:
Zwhead_Deu:
Zwhead_Eng:
? 517 124 98 Lock washer 8
EnglischBem:
DeutschBem:
DeutschDesc: Sicherungsscheibe
InternBDB:
InternKon:
SerienBem:
Zwhead_Deu:
Zwhead_Eng:
? 926 706 40 Plate 4
EnglischBem:
DeutschBem:
DeutschDesc: Blech
InternBDB:
InternKon:
SerienBem:
Zwhead_Deu:
Zwhead_Eng:
? 302 573 99 Bolt 8
EnglischBem:
DeutschBem:
DeutschDesc: Schraube
InternBDB:
InternKon:
SerienBem:
Zwhead_Deu:
Zwhead_Eng:

Excavators Mining Komatsu / PC8000-1E S/N 12022(G12022) / Pressure Lines, Main Pumps - H.P. Filter(113-1893-5 : 113-1893-5)
?
?
?
?
?
?
?
?
?
?
?
?
?
?
?
?
?
?
?
?
?
?
?
?
?
?
?
?
?
?
?
?
?
?
?
?
?
?
?
?
?
?
?
?
?
?
?
?
Excavators Mining Komatsu / PC8000-1E S/N 12022(G12022) / Pressure Lines, Main Pumps - H.P. Filter(113-1893-5 : 113-1893-5)
?
?
?
?
?
?
?
?
?
?
?
?
?
?
?
?
?
?
?
?
?
?
?
?
?
?
?
Excavators Mining Komatsu / PC8000-1E S/N 12022(G12022) / Pressure Lines, Main Pumps - H.P. Filter(113-1893-5 : 113-1893-5)
?
?
?
?
?
?
?
?
?
?
?
?
?
?
?
?
?
?
?
?
?
?
?
?
?
?
?
?
?
Excavators Mining Komatsu / PC8000-1E S/N 12022(G12022) / Pressure Lines, Main Pumps - H.P. Filter(113-1893-5 : 113-1893-5)
?
?
?
?
?
?
?
?
?
?
?
?
?
?
?
?
?
?
?
?
?
?
?
?
?
?
?
?
?
?
?
?
?
?
?
Excavators Mining Komatsu / PC8000-1E S/N 12022(G12022) / Pressure Lines, Main Pumps - H.P. Filter(113-1893-5 : 113-1893-5)
?
?
?
?
?
?
?
?
?
?
?
?
?
?
?
?
?
?
?
?
?
?
?
?
?
?
?
?
?
?
?
?
?
?
?
?
?
?
?
?
?
?
?
?
?
?
?
?
?
?
?
?
?
?
?
?
?
Excavators Mining Komatsu / PC8000-1E S/N 12022(G12022) / Pressure Lines, Main Pumps - H.P. Filter(113-1893-5 : 113-1893-5)
?
?
?
?
?
?
?
?
?
?
?
?
?
?
?
?
?
?
?
?
?
?
?
?
?
?
?
?
?
?
?
?
?
?
?
?
?
?
?
?
?
?
?
?
?
?
?
?
?
?
?
?
?
?
?