k-part
Номер на схеме Каталожный номер Название Количество Детали
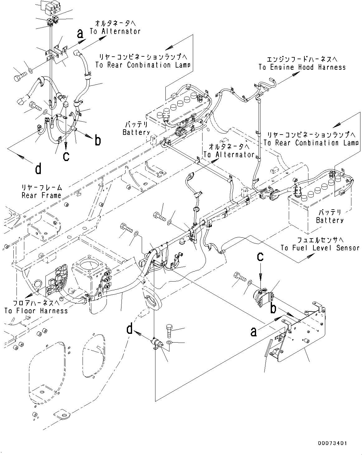
? 418-06-42411 Bracket 1
SN: 75750-
KIT-FLAG: _-
SCC:
SERIALNO: 75750-
? 418-06-42341 Wiring Harness 1
SN: 75750-
KIT-FLAG: _-
SCC:
SERIALNO: 75750-
? 21J-06-13661 • Diode 3
SN: 75750-
KIT-FLAG: _-
SCC:
SERIALNO: 75750-
? 04434-52712 Clip 1
SN: 75750-
KIT-FLAG: _-
SCC:
SERIALNO: 75750-
? 04434-52512 Clip 1
SN: 75750-
KIT-FLAG: _-
SCC:
SERIALNO: 75750-
? 04434-51712 Clip 1
SN: 75750-
KIT-FLAG: _-
SCC:
SERIALNO: 75750-
? 04434-51012 Clip 2
SN: 75750-
KIT-FLAG: _-
SCC:
SERIALNO: 75750-
? 421-06-22880 Holder 2
SN: 75750-
KIT-FLAG: _-
SCC:
SERIALNO: 75750-
? 421-06-22990 • Bolt 4
SN: 75750-
KIT-FLAG: _-
SCC:
SERIALNO: 75750-
? 421-06-22830 Fuse, 120Amp. 2
SN: 75750-
KIT-FLAG: _-
SCC:
SERIALNO: 75750-
? 421-06-22820 Fuse, 80Amp., Slow Blow 1
SN: 75750-
KIT-FLAG: _-
SCC:
SERIALNO: 75750-
? 417-06-22610 Fuse, 50Amp., Slow Blow 1
SN: 75750-
KIT-FLAG: _-
SCC:
SERIALNO: 75750-
? 421-06-22910 Bracket 2
SN: 75750-
KIT-FLAG: _-
SCC:
SERIALNO: 75750-
? 421-06-22920 Bracket 2
SN: 75750-
KIT-FLAG: _-
SCC:
SERIALNO: 75750-
? 01010-80820 Bolt 1
SN: 75750-
KIT-FLAG: _-
SCC:
SERIALNO: 75750-
? 01643-30823 Washer 1
SN: 75750-
KIT-FLAG: _-
SCC:
SERIALNO: 75750-
? 418-06-42750 Cable 1
SN: 75750-
KIT-FLAG: _-
SCC:
SERIALNO: 75750-
? 04434-51012 Clip 1
SN: 75750-
KIT-FLAG: _-
SCC:
SERIALNO: 75750-
? 418-06-42760 Cable 1
SN: 75750-
KIT-FLAG: _-
SCC:
SERIALNO: 75750-
? 418-Z91-4230 Cable 1
SN: 75750-
KIT-FLAG: _-
SCC:
SERIALNO: 75750-
? 418-944-4480 Cable 1
SN: 75750-
KIT-FLAG: _-
SCC:
SERIALNO: 75750-
? 04434-51412 Clip 2
SN: 75750-
KIT-FLAG: _-
SCC:
SERIALNO: 75750-
? 418-06-42770 Cable 1
SN: 75750-
KIT-FLAG: _-
SCC:
SERIALNO: 75750-
? 08088-30000 Switch, Battery Relay 1
SN: 75750-
KIT-FLAG: _-
SCC:
SERIALNO: 75750-
? 01010-80830 Bolt 2
SN: 75750-
KIT-FLAG: _-
SCC:
SERIALNO: 75750-
? 01643-30823 Washer 2
SN: 75750-
KIT-FLAG: _-
SCC:
SERIALNO: 75750-
? 600-815-2170 Switch, Heater 1
SN: 75750-
KIT-FLAG: _-
SCC:
SERIALNO: 75750-
? 01010-80616 Bolt 2
SN: 75750-
KIT-FLAG: _-
SCC:
SERIALNO: 75750-
? 01643-30623 Washer 2
SN: 75750-
KIT-FLAG: _-
SCC:
SERIALNO: 75750-
? 01010-81020 Bolt 6
SN: 75750-
KIT-FLAG: _-
SCC:
SERIALNO: 75750-
? 01643-31032 Washer 6
SN: 75750-
KIT-FLAG: _-
SCC:
SERIALNO: 75750-
? 23S-61-51310 Seal 1
SN: 75750-
KIT-FLAG: _-
SCC:
SERIALNO: 75750-

Wheel Loaders Komatsu / WA250PZ-6 S/N 75750-UP(0000384c) / Rear Electric Wiring Harness, Rear Wiring Harness (#75750-)(E007001 : E0202-003001)
?
?
?
?
?
?
?
?
?
?
?
?
?
?
?
?
?
?
?
?
?
?
?
?
?
?
?
?
?
?
?
?
?
?
?
?
?
?