| Номер на схеме | Каталожный номер | Название | Количество | Детали | |||
|---|---|---|---|---|---|---|---|
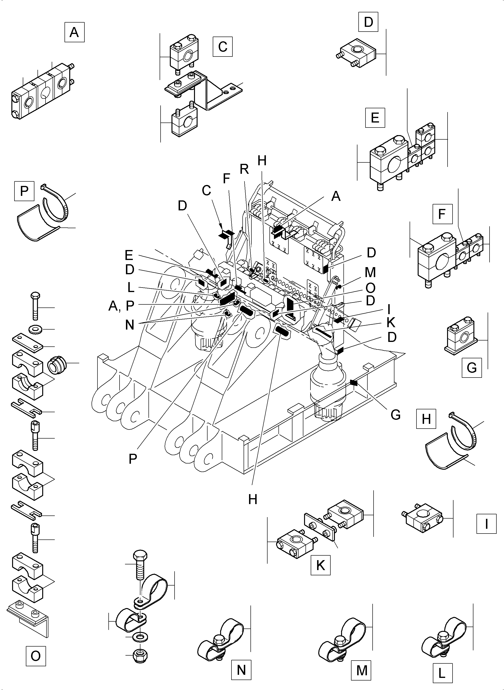
| ? | 970 554 40 | Retainer ri. | 1 | EnglischBem: DeutschBem: DeutschDesc: Halterung re. InternBDB: InternKon: SerienBem: Zwhead_Deu: Zwhead_Eng: |
|||
| ? | 939 438 40 | Clamp retainer | 2 | EnglischBem: DeutschBem: DeutschDesc: Schellenhalter InternBDB: InternKon: SerienBem: Zwhead_Deu: Zwhead_Eng: |
|||
| ? | 506 371 98 | Clamp set | 17 | EnglischBem: DeutschBem: DeutschDesc: Klemmpaar InternBDB: InternKon: SerienBem: Zwhead_Deu: Zwhead_Eng: |
|||
| ? | 512 885 98 | Clamp set | 1 | EnglischBem: DeutschBem: DeutschDesc: Klemmpaar InternBDB: InternKon: SerienBem: Zwhead_Deu: Zwhead_Eng: |
|||
| ? | 534 008 99 | Cover plate | 15 | EnglischBem: DeutschBem: DeutschDesc: Deckplatte InternBDB: InternKon: SerienBem: Zwhead_Deu: Zwhead_Eng: |
|||
| ? | 502 626 98 | Grommet | 11 | EnglischBem: DeutschBem: DeutschDesc: Gummieinsatz InternBDB: InternKon: SerienBem: Zwhead_Deu: Zwhead_Eng: |
|||
| ? | 505 729 98 | Grommet | 1 | EnglischBem: DeutschBem: DeutschDesc: Gummieinsatz InternBDB: InternKon: SerienBem: Zwhead_Deu: Zwhead_Eng: |
|||
| ? | 512 053 98 | Grommet | 2 | EnglischBem: DeutschBem: DeutschDesc: Gummieinsatz InternBDB: InternKon: SerienBem: Zwhead_Deu: Zwhead_Eng: |
|||
| ? | 504 787 98 | Locking plate | 3 | EnglischBem: DeutschBem: DeutschDesc: Verdrehsicherung InternBDB: InternKon: SerienBem: Zwhead_Deu: Zwhead_Eng: |
|||
| ? | 504 786 98 | Build-up screw | 6 | EnglischBem: DeutschBem: DeutschDesc: Aufbauschraube InternBDB: InternKon: SerienBem: Zwhead_Deu: Zwhead_Eng: |
|||
| ? | 534 009 99 | Weld on plate | 1 | EnglischBem: DeutschBem: DeutschDesc: AnschweiЯplatte InternBDB: InternKon: SerienBem: Zwhead_Deu: Zwhead_Eng: |
|||
| ? | 518 043 98 | Clamp set | 2 | EnglischBem: DeutschBem: DeutschDesc: Klemmpaar InternBDB: InternKon: SerienBem: Zwhead_Deu: Zwhead_Eng: |
|||
| ? | 505 712 98 | Cover plate | 2 | EnglischBem: DeutschBem: DeutschDesc: Deckplatte InternBDB: InternKon: SerienBem: Zwhead_Deu: Zwhead_Eng: |
|||
| ? | 509 058 98 | Clamp set | 2 | EnglischBem: DeutschBem: DeutschDesc: Klemmpaar InternBDB: InternKon: SerienBem: Zwhead_Deu: Zwhead_Eng: |
|||
| ? | 509 057 98 | Clamp set | 3 | EnglischBem: DeutschBem: DeutschDesc: Klemmpaar InternBDB: InternKon: SerienBem: Zwhead_Deu: Zwhead_Eng: |
|||
| ? | 511 856 98 | Cover plate | 4 | EnglischBem: DeutschBem: DeutschDesc: Deckplatte InternBDB: InternKon: SerienBem: Zwhead_Deu: Zwhead_Eng: |
|||
| ? | 504 985 98 | Locking plate | 1 | EnglischBem: DeutschBem: DeutschDesc: Verdrehsicherung InternBDB: InternKon: SerienBem: Zwhead_Deu: Zwhead_Eng: |
|||
| ? | 504 986 98 | Build-up screw | 2 | EnglischBem: DeutschBem: DeutschDesc: Aufbauschraube InternBDB: InternKon: SerienBem: Zwhead_Deu: Zwhead_Eng: |
|||
| ? | 518 419 98 | Clamp set | 1 | EnglischBem: DeutschBem: DeutschDesc: Klemmpaar InternBDB: InternKon: SerienBem: Zwhead_Deu: Zwhead_Eng: |
|||
| ? | 511 855 98 | Cover plate | 1 | EnglischBem: DeutschBem: DeutschDesc: Deckplatte InternBDB: InternKon: SerienBem: Zwhead_Deu: Zwhead_Eng: |
|||
| ? | 0443453211 | Clamp | 1 | EnglischBem: DeutschBem: DeutschDesc: Schelle InternBDB: InternKon: SerienBem: Zwhead_Deu: Zwhead_Eng: |
|||
| ? | 0443452711 | Clamp | 2 | EnglischBem: DeutschBem: DeutschDesc: Schelle InternBDB: InternKon: SerienBem: Zwhead_Deu: Zwhead_Eng: |
|||
| ? | 0443451910 | Clamp | 1 | EnglischBem: DeutschBem: DeutschDesc: Schelle InternBDB: InternKon: SerienBem: Zwhead_Deu: Zwhead_Eng: |
|||
| ? | 0443451410 | Clamp | 1 | EnglischBem: DeutschBem: DeutschDesc: Schelle InternBDB: InternKon: SerienBem: Zwhead_Deu: Zwhead_Eng: |
|||
| ? | 0443451310 | Clamp | 3 | EnglischBem: DeutschBem: DeutschDesc: Schelle InternBDB: InternKon: SerienBem: Zwhead_Deu: Zwhead_Eng: |
|||
| ? | 952 894 40 | Rubber plate | 2 | EnglischBem: DeutschBem: DeutschDesc: Gummiplatte InternBDB: InternKon: SerienBem: Zwhead_Deu: Zwhead_Eng: |
|||
| ? | 948 278 40 | Rubber plate | 1 | EnglischBem: DeutschBem: DeutschDesc: Gummiplatte InternBDB: InternKon: SerienBem: Zwhead_Deu: Zwhead_Eng: |
|||
| ? | 170 427 40 | 10 | EnglischBem: DeutschBem: DeutschDesc: Kabelband InternBDB: InternKon: SerienBem: Zwhead_Deu: Zwhead_Eng: |
||||
| ? | 308 612 99 | Bolt | 30 | EnglischBem: DeutschBem: DeutschDesc: Schraube InternBDB: InternKon: SerienBem: Zwhead_Deu: Zwhead_Eng: |
|||
| ? | 307 779 99 | Bolt | 4 | EnglischBem: DeutschBem: DeutschDesc: Schraube InternBDB: InternKon: SerienBem: Zwhead_Deu: Zwhead_Eng: |
|||
| ? | 308 542 99 | Bolt | 4 | EnglischBem: DeutschBem: DeutschDesc: Schraube InternBDB: InternKon: SerienBem: Zwhead_Deu: Zwhead_Eng: |
|||
| ? | 307 736 99 | Bolt | 8 | EnglischBem: DeutschBem: DeutschDesc: Schraube InternBDB: InternKon: SerienBem: Zwhead_Deu: Zwhead_Eng: |
|||
| ? | 307 735 99 | Bolt | 2 | EnglischBem: DeutschBem: DeutschDesc: Schraube InternBDB: InternKon: SerienBem: Zwhead_Deu: Zwhead_Eng: |
|||
| ? | 507 037 98 | Nut | 4 | EnglischBem: DeutschBem: DeutschDesc: Mutter InternBDB: InternKon: SerienBem: Zwhead_Deu: Zwhead_Eng: |
|||
| ? | 518 200 98 | Washer | 30 | EnglischBem: DeutschBem: DeutschDesc: Scheibe InternBDB: InternKon: SerienBem: Zwhead_Deu: Zwhead_Eng: |
|||
| ? | 518 546 98 | Washer | 14 | EnglischBem: DeutschBem: DeutschDesc: Scheibe InternBDB: InternKon: SerienBem: Zwhead_Deu: Zwhead_Eng: |
|||
| ? | 340 465 99 | Washer | 4 | EnglischBem: DeutschBem: DeutschDesc: Scheibe InternBDB: InternKon: SerienBem: Zwhead_Deu: Zwhead_Eng: |