k-part
Номер на схеме Каталожный номер Название Количество Детали
? 957 960 40 Harness - hydraulic tank 1
EnglischBem:
DeutschBem:
DeutschDesc: Kabelbaum - Hydrauliktank
InternBDB:
InternKon:
SerienBem:
Zwhead_Deu:
Zwhead_Eng:
? 940 480 40 Resistance Thermometer 2
EnglischBem:
DeutschBem:
DeutschDesc: Widerstandsthermometer
InternBDB:
InternKon:
SerienBem:
Zwhead_Deu:
Zwhead_Eng:
? 938 318 40 Level probe assy. 2
EnglischBem:
DeutschBem:
DeutschDesc: Niveau-Sonde kpl.
InternBDB:
InternKon:
SerienBem:
Zwhead_Deu:
Zwhead_Eng:
? 950 612 40 Pressure switch 1
EnglischBem:
DeutschBem:
DeutschDesc: Druckschalter
InternBDB:
InternKon:
SerienBem:
Zwhead_Deu:
Zwhead_Eng:
? 907 536 40 Seal 1
EnglischBem:
DeutschBem:
DeutschDesc: Dichtung
InternBDB:
InternKon:
SerienBem:
Zwhead_Deu:
Zwhead_Eng:
? 950 633 40 Pressure switch 1
EnglischBem:
DeutschBem:
DeutschDesc: Druckschalter
InternBDB:
InternKon:
SerienBem:
Zwhead_Deu:
Zwhead_Eng:
? 907 538 40 Seal 1
EnglischBem:
DeutschBem:
DeutschDesc: Dichtung
InternBDB:
InternKon:
SerienBem:
Zwhead_Deu:
Zwhead_Eng:
? 654 652 40 Maintenance switch 1
EnglischBem:
DeutschBem:
DeutschDesc: Wartungsschalter
InternBDB:
InternKon:
SerienBem:
Zwhead_Deu:
Zwhead_Eng:
? 431 168 40 Temperature transmitter (standard) 1
EnglischBem:
DeutschBem:
DeutschDesc: Temperaturgeber (standard)
InternBDB:
InternKon:
SerienBem:
Zwhead_Deu:
Zwhead_Eng:
? 907 546 40 Sensor (cold weather design) A/R
EnglischBem:
DeutschBem:
DeutschDesc: Temperaturfьhler (Tieftemperatur)
InternBDB:
InternKon:
SerienBem:
Zwhead_Deu:
Zwhead_Eng:
? 898 146 40 Floatswitch (Bull clam equipment) 1
EnglischBem:
DeutschBem:
DeutschDesc: Schwimmerschalter (Klappschaufeleinrichtung)
InternBDB:
InternKon:
SerienBem:
Zwhead_Deu:
Zwhead_Eng:
? 898 147 40 Floatswitch (Backhoe equipment) 1
EnglischBem:
DeutschBem:
DeutschDesc: Schwimmerschalter (Tieflцffeleinrichtung)
InternBDB:
InternKon:
SerienBem:
Zwhead_Deu:
Zwhead_Eng:
? 898 148 40 Floatswitch (Backhoe equipment) cold weather -50° 1
EnglischBem:
DeutschBem:
DeutschDesc: Schwimmerschalter (Tieflцffeleinrichtung) TT -50°
InternBDB:
InternKon:
SerienBem:
Zwhead_Deu:
Zwhead_Eng:
? 321 010 99 Bolt 4
EnglischBem:
DeutschBem:
DeutschDesc: Schraube
InternBDB:
InternKon:
SerienBem:
Zwhead_Deu:
Zwhead_Eng:
? 343 852 99 Lock washer 4
EnglischBem:
DeutschBem:
DeutschDesc: Federring
InternBDB:
InternKon:
SerienBem:
Zwhead_Deu:
Zwhead_Eng:
? 0443452711 Clip D27 18
EnglischBem:
DeutschBem:
DeutschDesc: Schelle D27
InternBDB:
InternKon:
SerienBem:
Zwhead_Deu:
Zwhead_Eng:
? 0443451910 Clip D19 8
EnglischBem:
DeutschBem:
DeutschDesc: Schelle D19
InternBDB:
InternKon:
SerienBem:
Zwhead_Deu:
Zwhead_Eng:
? 0443451510 Clip D15 12
EnglischBem:
DeutschBem:
DeutschDesc: Schelle D15
InternBDB:
InternKon:
SerienBem:
Zwhead_Deu:
Zwhead_Eng:
? 308 582 99 Bolt 7
EnglischBem:
DeutschBem:
DeutschDesc: Schraube
InternBDB:
InternKon:
SerienBem:
Zwhead_Deu:
Zwhead_Eng:
? 517 122 98 Lock washer 9
EnglischBem:
DeutschBem:
DeutschDesc: Sicherungsscheibe
InternBDB:
InternKon:
SerienBem:
Zwhead_Deu:
Zwhead_Eng:
? 507 037 98 Nut 22
EnglischBem:
DeutschBem:
DeutschDesc: Mutter
InternBDB:
InternKon:
SerienBem:
Zwhead_Deu:
Zwhead_Eng:
? 655 650 40 Cable protection hose DN 12 A/R
EnglischBem:
DeutschBem:
DeutschDesc: Schutzschlauchleitung DN 12
InternBDB:
InternKon:
SerienBem:
Zwhead_Deu:
Zwhead_Eng:
? 655 651 40 Cable protection hose DN 17 A/R
EnglischBem:
DeutschBem:
DeutschDesc: Schutzschlauchleitung DN 17
InternBDB:
InternKon:
SerienBem:
Zwhead_Deu:
Zwhead_Eng:
? 655 652 40 Cable protection hose DN 23 A/R
EnglischBem:
DeutschBem:
DeutschDesc: Schutzschlauchleitung DN 23
InternBDB:
InternKon:
SerienBem:
Zwhead_Deu:
Zwhead_Eng:
? 655 634 40 Pipe adapter DN 23/17 1
EnglischBem:
DeutschBem:
DeutschDesc: Rohradapter DN 23/17
InternBDB:
InternKon:
SerienBem:
Zwhead_Deu:
Zwhead_Eng:
? 655 633 40 Pipe adapter DN 17/12 2
EnglischBem:
DeutschBem:
DeutschDesc: Rohradapter DN 17/12
InternBDB:
InternKon:
SerienBem:
Zwhead_Deu:
Zwhead_Eng:
? 655 630 40 T-Distributor DN 29/23 5
EnglischBem:
DeutschBem:
DeutschDesc: T-Verteiler DN 29/23
InternBDB:
InternKon:
SerienBem:
Zwhead_Deu:
Zwhead_Eng:
? 655 626 40 Distributor DN 17/12 1
EnglischBem:
DeutschBem:
DeutschDesc: Hosenverteiler DN 17/12
InternBDB:
InternKon:
SerienBem:
Zwhead_Deu:
Zwhead_Eng:
? 655 629 40 T-Distributor DN 17 3
EnglischBem:
DeutschBem:
DeutschDesc: T-Verteiler DN 17
InternBDB:
InternKon:
SerienBem:
Zwhead_Deu:
Zwhead_Eng:
? 907 971 40 Pipe adapter DN 23/12 2
EnglischBem:
DeutschBem:
DeutschDesc: Rohradapter DN 23/12
InternBDB:
InternKon:
SerienBem:
Zwhead_Deu:
Zwhead_Eng:
? 655 635 40 Pipe adapter DN 29/17 1
EnglischBem:
DeutschBem:
DeutschDesc: Rohradapter DN 29/17
InternBDB:
InternKon:
SerienBem:
Zwhead_Deu:
Zwhead_Eng:
? 515 213 40 Cable 1,0mm2, blue A/R
EnglischBem:
DeutschBem:
DeutschDesc: Kabel 1,0mm2, blau
InternBDB:
InternKon:
SerienBem:
Zwhead_Deu:
Zwhead_Eng:
? 515 214 40 Cable 2,5mm2, blue A/R
EnglischBem:
DeutschBem:
DeutschDesc: Kabel 2,5mm2, blau
InternBDB:
InternKon:
SerienBem:
Zwhead_Deu:
Zwhead_Eng:
? 655 810 40 Pipe adapter DN 29/12 2
EnglischBem:
DeutschBem:
DeutschDesc: Rohradapter DN 29/12
InternBDB:
InternKon:
SerienBem:
Zwhead_Deu:
Zwhead_Eng:
? 907 693 40 Fitting M20/DN 17 1
EnglischBem:
DeutschBem:
DeutschDesc: AnschluЯarmatur M20/DN 17
InternBDB:
InternKon:
SerienBem:
Zwhead_Deu:
Zwhead_Eng:
? 907 692 40 Fitting M16/DN 12 4
EnglischBem:
DeutschBem:
DeutschDesc: AnschluЯarmatur M16/DN 12
InternBDB:
InternKon:
SerienBem:
Zwhead_Deu:
Zwhead_Eng:
? 907 703 40 Cable union 4
EnglischBem:
DeutschBem:
DeutschDesc: Kabelverschraubung
InternBDB:
InternKon:
SerienBem:
Zwhead_Deu:
Zwhead_Eng:
? 655 809 40 Pipe adapter DN 29/10 2
EnglischBem:
DeutschBem:
DeutschDesc: Rohradapter DN 29/10
InternBDB:
InternKon:
SerienBem:
Zwhead_Deu:
Zwhead_Eng:
? 910 029 40 Plug assy. 1
EnglischBem:
DeutschBem:
DeutschDesc: Stecker kpl.
InternBDB:
InternKon:
SerienBem:
Zwhead_Deu:
Zwhead_Eng:
? 955 627 40 Plug assy. 2
EnglischBem:
DeutschBem:
DeutschDesc: Stecker kpl. mit Gummitьlle
InternBDB:
InternKon:
SerienBem:
Zwhead_Deu:
Zwhead_Eng:
? 952 675 40 Plug assy. with rubber grommet 11
EnglischBem:
DeutschBem:
DeutschDesc: Stecker kpl. mit Gummitьlle
InternBDB:
InternKon:
SerienBem:
Zwhead_Deu:
Zwhead_Eng:
? 950 454 40 Seal 2
EnglischBem:
DeutschBem:
DeutschDesc: Flachdichtung
InternBDB:
InternKon:
SerienBem:
Zwhead_Deu:
Zwhead_Eng:
? 906 922 40 Protection cap 1
EnglischBem:
DeutschBem:
DeutschDesc: Schutzkappe
InternBDB:
InternKon:
SerienBem:
Zwhead_Deu:
Zwhead_Eng:
? 323 961 40 Sleeve 6,3x0,8 1
EnglischBem:
DeutschBem:
DeutschDesc: Steckhьlse 6,3x0,8
InternBDB:
InternKon:
SerienBem:
Zwhead_Deu:
Zwhead_Eng:
? 940 462 40 Insulating tube A/R
EnglischBem:
DeutschBem:
DeutschDesc: Isolierschlauch
InternBDB:
InternKon:
SerienBem:
Zwhead_Deu:
Zwhead_Eng:
? 655 621 40 Cable union DN 10 1
EnglischBem:
DeutschBem:
DeutschDesc: Kabelverschraubung DN 10
InternBDB:
InternKon:
SerienBem:
Zwhead_Deu:
Zwhead_Eng:
? 907 708 40 Cable union 1
EnglischBem:
DeutschBem:
DeutschDesc: Kabelverschraubung
InternBDB:
InternKon:
SerienBem:
Zwhead_Deu:
Zwhead_Eng:
? 907 480 40 Cable union DN 10-90 2
EnglischBem:
DeutschBem:
DeutschDesc: Kabelverschraubung DN 10-90
InternBDB:
InternKon:
SerienBem:
Zwhead_Deu:
Zwhead_Eng:
? 941 777 40 Plate 21
EnglischBem:
DeutschBem:
DeutschDesc: Schild
InternBDB:
InternKon:
SerienBem:
Zwhead_Deu:
Zwhead_Eng:
? 056 292 40 Cable strap 36
EnglischBem:
DeutschBem:
DeutschDesc: Kabelband
InternBDB:
InternKon:
SerienBem:
Zwhead_Deu:
Zwhead_Eng:
? 651 461 40 Housing assy. 1
EnglischBem:
DeutschBem:
DeutschDesc: Gehдuse kpl.
InternBDB:
InternKon:
SerienBem:
Zwhead_Deu:
Zwhead_Eng:
? 655 547 40 Housing 1
EnglischBem:
DeutschBem:
DeutschDesc: Gehдuse
InternBDB:
InternKon:
SerienBem:
Zwhead_Deu:
Zwhead_Eng:
? 655 548 40 Contact seal 2
EnglischBem:
DeutschBem:
DeutschDesc: Kontaktdichtung
InternBDB:
InternKon:
SerienBem:
Zwhead_Deu:
Zwhead_Eng:
? 655 549 40 Single seal 2
EnglischBem:
DeutschBem:
DeutschDesc: Einzeldichtung
InternBDB:
InternKon:
SerienBem:
Zwhead_Deu:
Zwhead_Eng:
? 655 550 40 Rubber grommet 1
EnglischBem:
DeutschBem:
DeutschDesc: Gummitьlle
InternBDB:
InternKon:
SerienBem:
Zwhead_Deu:
Zwhead_Eng:
? 950 108 40 Plug 1
EnglischBem:
DeutschBem:
DeutschDesc: Stecker
InternBDB:
InternKon:
SerienBem:
Zwhead_Deu:
Zwhead_Eng:
? 950 112 40 Plug 1
EnglischBem:
DeutschBem:
DeutschDesc: Stecker
InternBDB:
InternKon:
SerienBem:
Zwhead_Deu:
Zwhead_Eng:
? 896 520 40 End pin 14
EnglischBem:
DeutschBem:
DeutschDesc: VerschluЯbolzen
InternBDB:
InternKon:
SerienBem:
Zwhead_Deu:
Zwhead_Eng:
? 440 109 40 Sleeve 4
EnglischBem:
DeutschBem:
DeutschDesc: Steckhьlse
InternBDB:
InternKon:
SerienBem:
Zwhead_Deu:
Zwhead_Eng:
? 907 947 40 Connector distributor DN 29/23 1
EnglischBem:
DeutschBem:
DeutschDesc: Hosenverteiler DN 29/23
InternBDB:
InternKon:
SerienBem:
Zwhead_Deu:
Zwhead_Eng:
? 896 558 40 Pipe adapter DN 29/23 1
EnglischBem:
DeutschBem:
DeutschDesc: Rohradapter DN 29/23
InternBDB:
InternKon:
SerienBem:
Zwhead_Deu:
Zwhead_Eng:
? 634 009 40 Spotlight 2
EnglischBem:
DeutschBem:
DeutschDesc: Scheinwerfer
InternBDB:
InternKon:
SerienBem:
Zwhead_Deu:
Zwhead_Eng:
? 507 383 99 Halogen lamp 24V70W 2
EnglischBem:
DeutschBem:
DeutschDesc: Halogenlampe 24V70W
InternBDB:
InternKon:
SerienBem:
Zwhead_Deu:
Zwhead_Eng:
? 507 596 98 Washer 21
EnglischBem:
DeutschBem:
DeutschDesc: Scheibe
InternBDB:
InternKon:
SerienBem:
Zwhead_Deu:
Zwhead_Eng:
? 510 741 98 Resilient sleeve 7
EnglischBem:
DeutschBem:
DeutschDesc: Dehnhьlse
InternBDB:
InternKon:
SerienBem:
Zwhead_Deu:
Zwhead_Eng:
? 0819320010 Clip 3
EnglischBem:
DeutschBem:
DeutschDesc: Schelle
InternBDB:
InternKon:
SerienBem:
Zwhead_Deu:
Zwhead_Eng:
? 934 329 40 Cover 1
EnglischBem:
DeutschBem:
DeutschDesc: Abdeckung
InternBDB:
InternKon:
SerienBem:
Zwhead_Deu:
Zwhead_Eng:
? 950 664 40 Seal 1
EnglischBem:
DeutschBem:
DeutschDesc: Dichtung
InternBDB:
InternKon:
SerienBem:
Zwhead_Deu:
Zwhead_Eng:
? 655 649 40 Protecting hose DN 10 A/R
EnglischBem:
DeutschBem:
DeutschDesc: Schutzschlauch DN 10
InternBDB:
InternKon:
SerienBem:
Zwhead_Deu:
Zwhead_Eng:
? 655 631 40 Pipe adapter DN 12/10 1
EnglischBem:
DeutschBem:
DeutschDesc: Rohradapter DN 12/10
InternBDB:
InternKon:
SerienBem:
Zwhead_Deu:
Zwhead_Eng:
? 907 980 40 Fitting DN 23 2
EnglischBem:
DeutschBem:
DeutschDesc: AnschluЯarmatur DN 23
InternBDB:
InternKon:
SerienBem:
Zwhead_Deu:
Zwhead_Eng:
? 0819100770 Sealing plug 3
EnglischBem:
DeutschBem:
DeutschDesc: Blindstopfen
InternBDB:
InternKon:
SerienBem:
Zwhead_Deu:
Zwhead_Eng:
? 0819105420 Female contact 37
EnglischBem:
DeutschBem:
DeutschDesc: Buchsenkontakt
InternBDB:
InternKon:
SerienBem:
Zwhead_Deu:
Zwhead_Eng:
? 0819105340 Female contact 1
EnglischBem:
DeutschBem:
DeutschDesc: Buchsenkontakt
InternBDB:
InternKon:
SerienBem:
Zwhead_Deu:
Zwhead_Eng:
? 950 346 40 Level probe 1
EnglischBem:
DeutschBem:
DeutschDesc: Niveau-Sonde
InternBDB:
InternKon:
SerienBem:
Zwhead_Deu:
Zwhead_Eng:
? 955 670 40 Socket assy. with pins and rubber grommet 1
EnglischBem:
DeutschBem:
DeutschDesc: Steckdose kpl. mit Stiften und Gummitьlle
InternBDB:
InternKon:
SerienBem:
Zwhead_Deu:
Zwhead_Eng:
? 340 465 99 Washer 27
EnglischBem:
DeutschBem:
DeutschDesc: Scheibe
InternBDB:
InternKon:
SerienBem:
Zwhead_Deu:
Zwhead_Eng:
? 0443451010 Clip D10 2
EnglischBem:
DeutschBem:
DeutschDesc: Schelle D10
InternBDB:
InternKon:
SerienBem:
Zwhead_Deu:
Zwhead_Eng:
? 0443450612 Clip D6,4 3
EnglischBem:
DeutschBem:
DeutschDesc: Schelle D6,4
InternBDB:
InternKon:
SerienBem:
Zwhead_Deu:
Zwhead_Eng:
? 907 709 40 Cable union PG 16 1
EnglischBem:
DeutschBem:
DeutschDesc: Kabelverschraubung PG 16
InternBDB:
InternKon:
SerienBem:
Zwhead_Deu:
Zwhead_Eng:
? 940 452 40 Fitting M25/NW17 2
EnglischBem:
DeutschBem:
DeutschDesc: AnschluЯarmatur M25/NW17
InternBDB:
InternKon:
SerienBem:
Zwhead_Deu:
Zwhead_Eng:
? 056 070 40 Cable sleeve 1,0-1,5 4
EnglischBem:
DeutschBem:
DeutschDesc: Kabelhьlse 1,0-1,5
InternBDB:
InternKon:
SerienBem:
Zwhead_Deu:
Zwhead_Eng:
? 307 780 99 Bolt 1
EnglischBem:
DeutschBem:
DeutschDesc: Schraube
InternBDB:
InternKon:
SerienBem:
Zwhead_Deu:
Zwhead_Eng:
? 318 914 99 Screw 2
EnglischBem:
DeutschBem:
DeutschDesc: Schraube
InternBDB:
InternKon:
SerienBem:
Zwhead_Deu:
Zwhead_Eng:
? 346 510 99 Lock washer 2
EnglischBem:
DeutschBem:
DeutschDesc: Federring
InternBDB:
InternKon:
SerienBem:
Zwhead_Deu:
Zwhead_Eng:
? 0443452712 Clip D27 1
EnglischBem:
DeutschBem:
DeutschDesc: Schelle D27
InternBDB:
InternKon:
SerienBem:
Zwhead_Deu:
Zwhead_Eng:
? 940 852 40 Plug 13
EnglischBem:
DeutschBem:
DeutschDesc: Blindstopfen
InternBDB:
InternKon:
SerienBem:
Zwhead_Deu:
Zwhead_Eng:
? 517 321 98 Cable nut 2
EnglischBem:
DeutschBem:
DeutschDesc: Kabelmutter
InternBDB:
InternKon:
SerienBem:
Zwhead_Deu:
Zwhead_Eng:
? 940 461 40 Insulating tube B5x0,6 A/R
EnglischBem:
DeutschBem:
DeutschDesc: Isolierschlauch B5x0,6
InternBDB:
InternKon:
SerienBem:
Zwhead_Deu:
Zwhead_Eng:
? A/R
EnglischBem:
DeutschBem:
DeutschDesc:
InternBDB:
InternKon:
SerienBem:
Zwhead_Deu:
Zwhead_Eng:
? A/R
EnglischBem:
DeutschBem:
DeutschDesc:
InternBDB:
InternKon:
SerienBem:
Zwhead_Deu:
Zwhead_Eng:
? A/R
EnglischBem:
DeutschBem:
DeutschDesc:
InternBDB:
InternKon:
SerienBem:
Zwhead_Deu:
Zwhead_Eng:
? A/R
EnglischBem:
DeutschBem:
DeutschDesc:
InternBDB:
InternKon:
SerienBem:
Zwhead_Deu:
Zwhead_Eng:
? A/R
EnglischBem:
DeutschBem:
DeutschDesc:
InternBDB:
InternKon:
SerienBem:
Zwhead_Deu:
Zwhead_Eng:
? A/R
EnglischBem:
DeutschBem:
DeutschDesc:
InternBDB:
InternKon:
SerienBem:
Zwhead_Deu:
Zwhead_Eng:
? A/R
EnglischBem:
DeutschBem:
DeutschDesc:
InternBDB:
InternKon:
SerienBem:
Zwhead_Deu:
Zwhead_Eng:
? A/R
EnglischBem:
DeutschBem:
DeutschDesc:
InternBDB:
InternKon:
SerienBem:
Zwhead_Deu:
Zwhead_Eng:
? A/R
EnglischBem:
DeutschBem:
DeutschDesc:
InternBDB:
InternKon:
SerienBem:
Zwhead_Deu:
Zwhead_Eng:
? A/R
EnglischBem:
DeutschBem:
DeutschDesc:
InternBDB:
InternKon:
SerienBem:
Zwhead_Deu:
Zwhead_Eng:
? A/R
EnglischBem:
DeutschBem:
DeutschDesc:
InternBDB:
InternKon:
SerienBem:
Zwhead_Deu:
Zwhead_Eng:

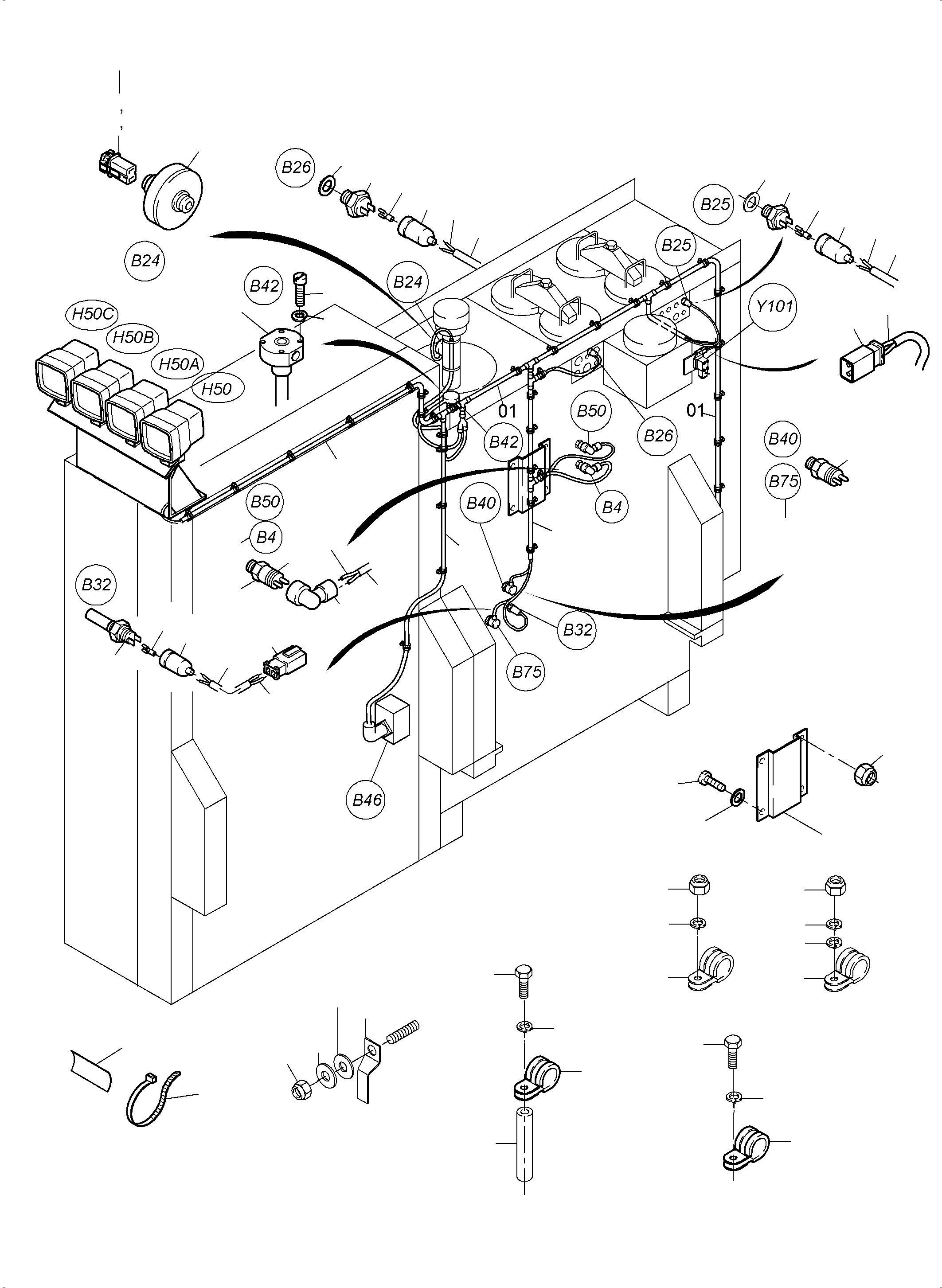
Excavators Mining Komatsu / PC3000-6E S/N 06313(G06313) / Cables - Oil Tank and Switch(255-2138d : 255-2138d)
?
?
?
?
?
?
?
?
?
?
?
?
?
?
?
?
?
?
?
?
?
?
?
?
?
?
?
?
?
?
?
?
?
?
?
?
?
?
?
?
?
?
?
?
?
?
?
?
?
?
?
?
?
?
?
?
?
?
?
?
?
?
?
?
?
?
?
?
?
?
?
?
?
Excavators Mining Komatsu / PC3000-6E S/N 06313(G06313) / Cables - Oil Tank and Switch(255-2138d : 255-2138d)
?
?
?
?
?
?
?
?
?
?
?
?
?
?
?
?
?
?
?
?
?
?
?
?
?
?
?
?
?
?
?
?
?
?
?
?
?
?
?
?
?
?
?
?
?
?
?
?
?
?
?
?
?
?
?
?
?
?
?
?
?
?
?
?
?
?
?
?
?
?
?
?
?
?
?
?
?
?
?
?
?
?
?
?
?
?
?
?
?
?
?
?
?
?
?
?
?
?
?
?
?