| Номер на схеме | Каталожный номер | Название | Количество | Детали | |||
|---|---|---|---|---|---|---|---|
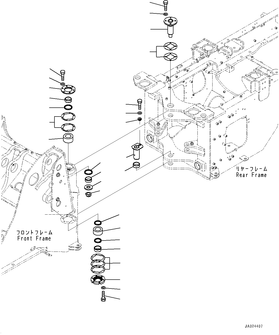
| ? | 417-46-24140 | Bar | 1 | SN: 83001- KIT-FLAG: _- SCC: SERIALNO: 83001- |
|||
| ? | 416-46-12230 | Pin | 1 | SN: 83001- KIT-FLAG: _- SCC: SERIALNO: 83001- |
|||
| ? | 04050-18055 | Pin, Cotter | 1 | SN: 83001- KIT-FLAG: _- SCC: SERIALNO: 83001- |
|||
| ? | 416-46-12220 | Pin | 1 | SN: 83001- KIT-FLAG: _- SCC: SERIALNO: 83001- |
|||
| ? | 421-46-12750 | Pin, Linch | 1 | SN: 83001- KIT-FLAG: _- SCC: SERIALNO: 83001- |
|||
| ? | 417-46-11312 | Cover | 1 | SN: 83001- KIT-FLAG: _- SCC: SERIALNO: 83001- |
|||
| ? | 421-09-21420 | Sheet | 4 | SN: 83001- KIT-FLAG: _- SCC: SERIALNO: 83001- |
|||
| ? | 01010-81230 | Bolt | 4 | SN: 83001- KIT-FLAG: _- SCC: SERIALNO: 83001- |
|||
| ? | 01643-31232 | Washer | 4 | SN: 83001- KIT-FLAG: _- SCC: SERIALNO: 83001- |
|||
| ? | 418-46-64411 | Cover | 1 | SN: 83001- KIT-FLAG: _- SCC: SERIALNO: 83001- |
|||
| ? | 421-09-21420 | Sheet | 3 | SN: 83001- KIT-FLAG: _- SCC: SERIALNO: 83001- |
|||
| ? | 01010-81230 | Bolt | 3 | SN: 83001- KIT-FLAG: _- SCC: SERIALNO: 83001- |
|||
| ? | 01643-31232 | Washer | 3 | SN: 83001- KIT-FLAG: _- SCC: SERIALNO: 83001- |
|||
| ? | 418-46-54430 | Cover | 1 | SN: 83001- KIT-FLAG: _- SCC: SERIALNO: 83001- |
|||
| ? | 421-09-21420 | Sheet | 2 | SN: 83001- KIT-FLAG: _- SCC: SERIALNO: 83001- |
|||
| ? | 01010-81230 | Bolt | 2 | SN: 83001- KIT-FLAG: _- SCC: SERIALNO: 83001- |
|||
| ? | 01643-31232 | Washer | 2 | SN: 83001- KIT-FLAG: _- SCC: SERIALNO: 83001- |
|||
| ? | 416-54-34230 | Plug | 2 | SN: 83001- KIT-FLAG: _- SCC: SERIALNO: 83001- |