k-part
Номер на схеме Каталожный номер Название Количество Детали
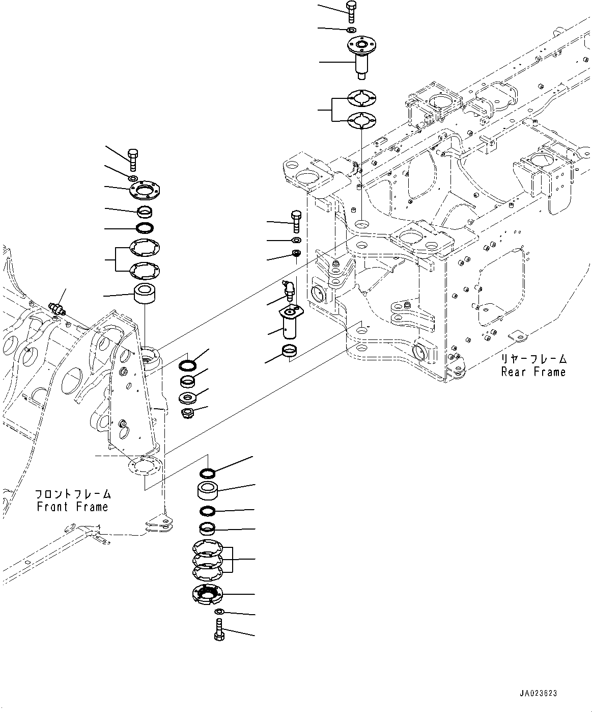
? 417-46-24110 Bar 1
SN: 83001-
KIT-FLAG: _-
SCC:
SERIALNO: 83001-
? 416-46-12230 Pin 1
SN: 83001-
KIT-FLAG: _-
SCC:
SERIALNO: 83001-
? 04050-18055 Pin, Cotter 1
SN: 83001-
KIT-FLAG: _-
SCC:
SERIALNO: 83001-
? 416-46-12230 Pin 1
SN: 83001-
KIT-FLAG: _-
SCC:
SERIALNO: 83001-
? 415-46-11360 Pin, Snap 1
SN: 83001-
KIT-FLAG: _-
SCC:
SERIALNO: 83001-
? 417-46-11312 Cover 1
SN: 83001-
KIT-FLAG: _-
SCC:
SERIALNO: 83001-
? 421-09-21420 Sheet 4
SN: 83001-
KIT-FLAG: _-
SCC:
SERIALNO: 83001-
? 01010-81230 Bolt 4
SN: 83001-
KIT-FLAG: _-
SCC:
SERIALNO: 83001-
? 01643-31232 Washer 4
SN: 83001-
KIT-FLAG: _-
SCC:
SERIALNO: 83001-
? 418-46-64411 Cover 1
SN: 83001-
KIT-FLAG: _-
SCC:
SERIALNO: 83001-
? 421-09-21420 Sheet 3
SN: 83001-
KIT-FLAG: _-
SCC:
SERIALNO: 83001-
? 01010-81230 Bolt 3
SN: 83001-
KIT-FLAG: _-
SCC:
SERIALNO: 83001-
? 01643-31232 Washer 3
SN: 83001-
KIT-FLAG: _-
SCC:
SERIALNO: 83001-
? 418-46-54430 Cover 1
SN: 83001-
KIT-FLAG: _-
SCC:
SERIALNO: 83001-
? 421-09-21420 Sheet 2
SN: 83001-
KIT-FLAG: _-
SCC:
SERIALNO: 83001-
? 01010-81230 Bolt 2
SN: 83001-
KIT-FLAG: _-
SCC:
SERIALNO: 83001-
? 01643-31232 Washer 2
SN: 83001-
KIT-FLAG: _-
SCC:
SERIALNO: 83001-
? 416-54-34230 Plug 2
SN: 83001-
KIT-FLAG: _-
SCC:
SERIALNO: 83001-

Wheel Loaders Komatsu / WA270-8 S/N 83001-UP(0001010C) / Articulate Lock Bar and Frame Cover, Bar and Pin (#83001-)(J011001 : J4190-003001)
?
?
?
?
?
?
?
?
?
?
?
?
?
?
?
?
?
?
?
?
?
?