| Номер на схеме | Каталожный номер | Название | Количество | Детали | |||
|---|---|---|---|---|---|---|---|
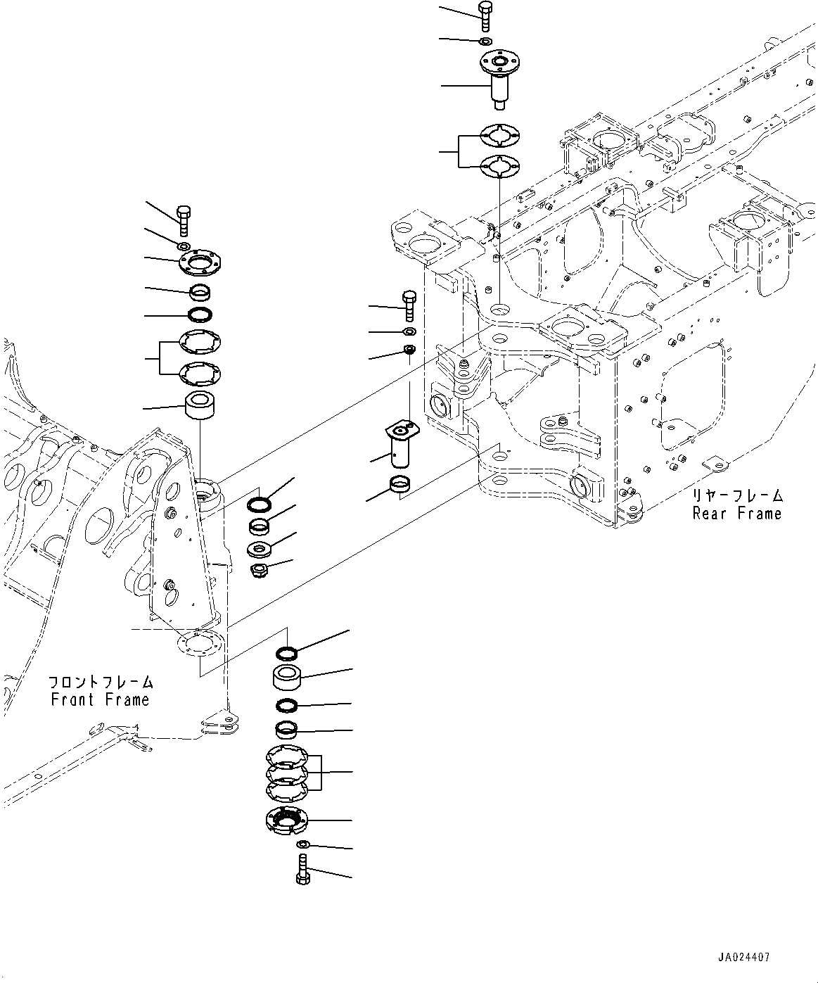
| ? | 418-46-11160 | Spacer | 1 | SN: 83001- KIT-FLAG: _- SCC: SERIALNO: 83001- |
|||
| ? | 419-09-11110 | Seal, Dust | 1 | SN: 83001- KIT-FLAG: _- SCC: SERIALNO: 83001- |
|||
| ? | 419-09-11110 | Seal, Dust | 1 | SN: 83001- KIT-FLAG: _- SCC: SERIALNO: 83001- |
|||
| ? | 418-46-11180 | Retainer | 1 | SN: 83001- KIT-FLAG: _- SCC: SERIALNO: 83001- |
|||
| ? | 01010-81030 | Bolt | 6 | SN: 83001- KIT-FLAG: _- SCC: SERIALNO: 83001- |
|||
| ? | 01643-31032 | Washer | 6 | SN: 83001- KIT-FLAG: _- SCC: SERIALNO: 83001- |
|||
| ? | 418-46-11320 | Shim, T=0.1mm | 4 | SN: 83001- KIT-FLAG: _- SCC: SERIALNO: 83001- |
|||
| ? | 418-46-11210 | Shim, T=0.2mm | 2 | SN: 83001- KIT-FLAG: _- SCC: SERIALNO: 83001- |
|||
| ? | 418-46-11220 | Shim, T=0.5mm | 4 | SN: 83001- KIT-FLAG: _- SCC: SERIALNO: 83001- |
|||
| ? | 417-09-11120 | Seal, Dust | 1 | SN: 83001- KIT-FLAG: _- SCC: SERIALNO: 83001- |
|||
| ? | 417-09-11120 | Seal, Dust | 1 | SN: 83001- KIT-FLAG: _- SCC: SERIALNO: 83001- |
|||
| ? | 418-46-13330 | Retainer | 1 | SN: 83001- KIT-FLAG: _- SCC: SERIALNO: 83001- |
|||
| ? | 01010-81025 | Bolt | 6 | SN: 83001- KIT-FLAG: _- SCC: SERIALNO: 83001- |
|||
| ? | 01643-31032 | Washer | 6 | SN: 83001- KIT-FLAG: _- SCC: SERIALNO: 83001- |
|||
| ? | 418-46-11320 | Shim, T=0.1mm | 2 | SN: 83001- KIT-FLAG: _- SCC: SERIALNO: 83001- |
|||
| ? | 418-46-11210 | Shim, T=0.2mm | 4 | SN: 83001- KIT-FLAG: _- SCC: SERIALNO: 83001- |
|||
| ? | 418-46-11220 | Shim, T=0.5mm | 2 | SN: 83001- KIT-FLAG: _- SCC: SERIALNO: 83001- |
|||
| ? | 418-46-11150 | Bearing | 1 | SN: 83001- KIT-FLAG: _- SCC: SERIALNO: 83001- |
|||
| ? | 418-46-13320 | Bearing | 1 | SN: 83001- KIT-FLAG: _- SCC: SERIALNO: 83001- |
|||
| ? | 418-46-42210 | Bushing | 1 | SN: 83001- KIT-FLAG: _- SCC: SERIALNO: 83001- |
|||
| ? | 418-46-42220 | Bushing | 1 | SN: 83001- KIT-FLAG: _- SCC: SERIALNO: 83001- |
|||
| ? | 418-46-41190 | Pin | 1 | SN: 83001- KIT-FLAG: _- SCC: SERIALNO: 83001- |
|||
| ? | 01010-81235 | Bolt | 1 | SN: 83001- KIT-FLAG: _- SCC: SERIALNO: 83001- |
|||
| ? | 01643-31232 | Washer | 1 | SN: 83001- KIT-FLAG: _- SCC: SERIALNO: 83001- |
|||
| ? | 424-46-11130 | Bushing | 1 | SN: 83001- KIT-FLAG: _- SCC: SERIALNO: 83001- |
|||
| ? | 418-46-11141 | Shaft | 1 | SN: 83001- KIT-FLAG: _- SCC: SERIALNO: 83001- |
|||
| ? | 418-46-11160 | Spacer | 1 | SN: 83001- KIT-FLAG: _- SCC: SERIALNO: 83001- |
|||
| ? | 01010-81235 | Bolt | 4 | SN: 83001- KIT-FLAG: _- SCC: SERIALNO: 83001- |
|||
| ? | 01643-31232 | Washer | 4 | SN: 83001- KIT-FLAG: _- SCC: SERIALNO: 83001- |
|||
| ? | 418-46-11240 | Shim, T=0.1mm | 2 | SN: 83001- KIT-FLAG: _- SCC: SERIALNO: 83001- |
|||
| ? | 418-46-11250 | Shim, T=0.2mm | 4 | SN: 83001- KIT-FLAG: _- SCC: SERIALNO: 83001- |
|||
| ? | 418-46-11260 | Shim, T=0.5mm | 2 | SN: 83001- KIT-FLAG: _- SCC: SERIALNO: 83001- |
|||
| ? | 418-46-11270 | Shim, T=1.0mm | 2 | SN: 83001- KIT-FLAG: _- SCC: SERIALNO: 83001- |
|||
| ? | 418-46-11280 | Washer | 1 | SN: 83001- KIT-FLAG: _- SCC: SERIALNO: 83001- |
|||
| ? | 01597-03629 | Nut, Flanged | 1 | SN: 83001- KIT-FLAG: _- SCC: SERIALNO: 83001- |