| Номер на схеме | Каталожный номер | Название | Количество | Детали | |||
|---|---|---|---|---|---|---|---|
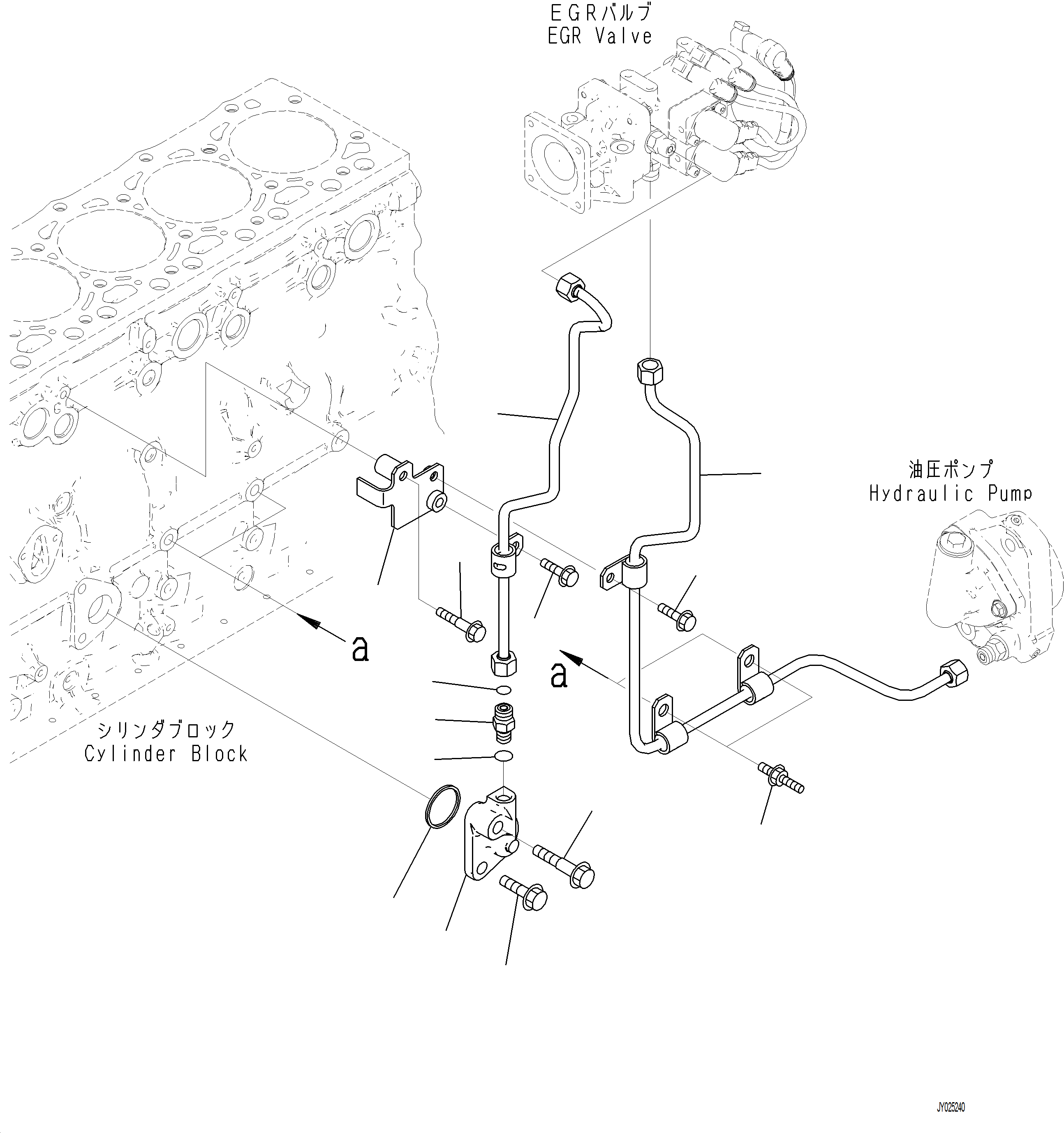
| ? | 6755-51-9810 | CONNECTION, OIL DRAIN | 1 | ||||
| ? | 6755-51-9820 | • CONNECTION | 1 | ||||
| ? | 02896-21009 | • O-RING | 1 | ||||
| ? | 02781-0031D | • NIPPLE | 1 | ||||
| ? | 07002-21423 | • O-RING | 1 | ||||
| ? | 6736-21-3360 | SEAL RING | 1 | ||||
| ? | 6742-01-3780 | BOLT | 1 | ||||
| ? | 6732-51-5130 | BOLT | 1 | ||||
| ? | 6755-51-9830 | TUBE | 1 | ||||
| ? | 6755-51-9840 | TUBE | 1 | ||||
| ? | 6755-51-9850 | BRACE | 1 | ||||
| ? | 6732-61-3170 | BOLT | 1 | ||||
| ? | 6754-21-1910 | BOLT | 2 | ||||
| ? | 01435-00825 | BOLT, FLANGED | 2 |