k-part
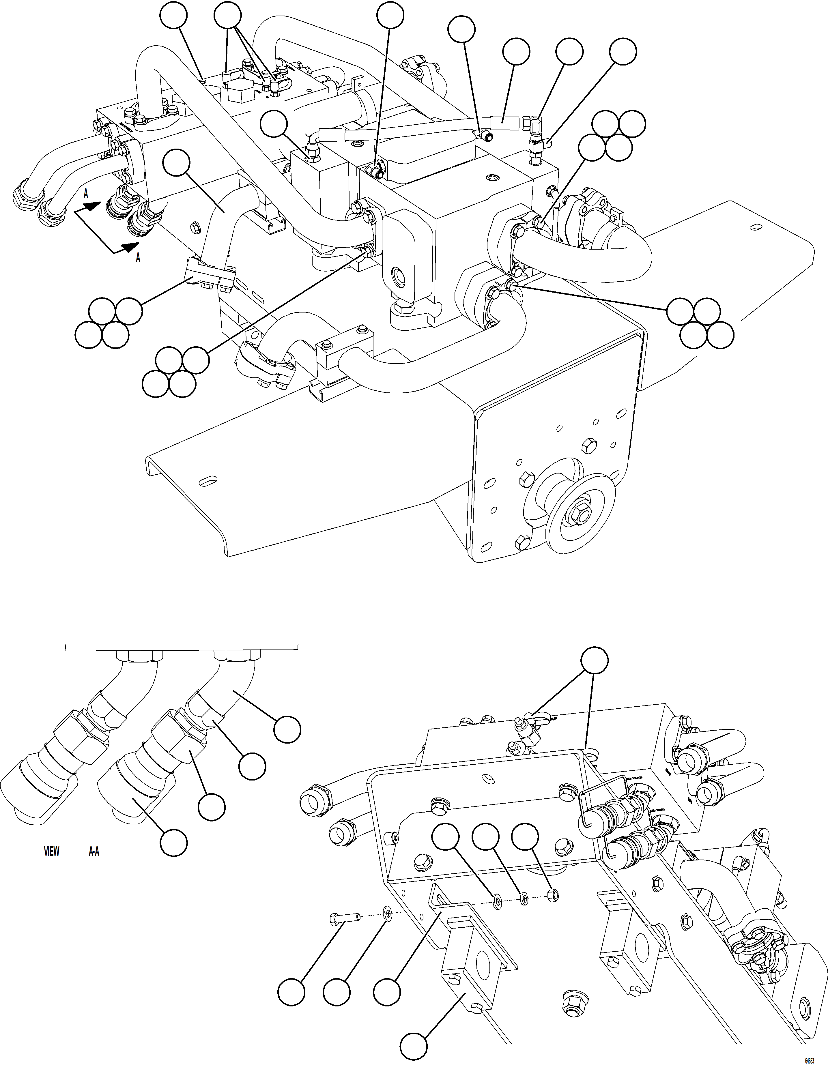
Номер на схеме Каталожный номер Название Количество Детали
? WB0584 FITTING, STRAIGHT 1
? 58E-60-02260 HOSE 1
? WB0375 FITTING, ELBOW - 90 DEG 1
? WB0557 FITTING, TEE 1
? VH6718 CLAMP, SPLIT FLANGE - 2 1/2" 2
? WA0232 O-RING 1
? C1615 CAPSCREW - 1/2" - 13NC X 1 3/4" 8
? C1540 LOCKWASHER - 1/2" 20
? TF3231 CLAMP, SPLIT FLANGE - 2" 6
? WA0187 O-RING 3
? C1614 CAPSCREW - 1/2" - 13NC X 1 1/2" 8
? WB0508 FITTING, ELBOW - 90 DEG 2
? EL3483 TUBE 1
? C1619 CAPSCREW - 1/2" - 13NC X 2 3/4" 4
? WB0547 FITTING, ELBOW - 45 DEG 2
? WA3568 FITTING, TUBE 2
? PB4685 COUPLING, HYDRAULIC 2
? TA2968 PLUG, DUST 2
? PB6770 COUPLING, MALE QUICK DISCONNECT 5
? VM0313 PLUG 1
? WA0360 FLAT WASHER, HARDENED - 1/2" 8
? 58B-60-50000 ANGLE 2
? WB0988 CLAMP, HEAVY DUTY 2
? C1523 NUT - 1/2" - 13NC 4

Dump Trucks Komatsu / AFE77-S 830E-5 S/N A50057  HEAVY METAL(afe77-s) / VALVE/PUMP MODULE PIPING    2/3(364 : 64683)
?
?
?
?
?
?
?
?
?
?
?
?
?
?
?
?
?
?
?
?
?
?
?
?
?
?
?
?
?
?
?
?
?
?
?
?
?