k-part
Номер на схеме Каталожный номер Название Количество Детали
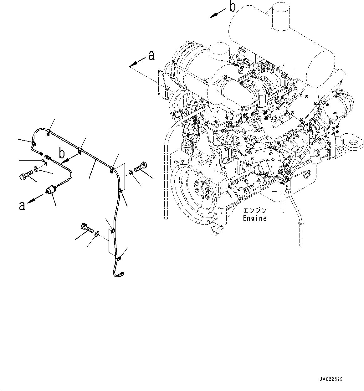
? 600-815-8860 Indicator, Dust 1
SN: 90216-
KIT-FLAG: _-
SCC:
SERIALNO: 90216-
? 421-06-41310 Wiring Harness 1
SN: 90216-
KIT-FLAG: _-
SCC:
SERIALNO: 90216-
? 08193-20010 Clip 1
SN: 90216-
KIT-FLAG: _-
SCC:
SERIALNO: 90216-
? 01010-81016 Bolt 1
SN: 90216-
KIT-FLAG: _-
SCC:
SERIALNO: 90216-
? 01643-31032 Washer 1
SN: 90216-
KIT-FLAG: _-
SCC:
SERIALNO: 90216-
? 04434-51010 Clip 5
SN: 90216-
KIT-FLAG: _-
SCC:
SERIALNO: 90216-
? 04434-51010 Clip 2
SN: 90216-
KIT-FLAG: _-
SCC:
SERIALNO: 90216-
? 01010-81016 Bolt 2
SN: 90216-
KIT-FLAG: _-
SCC:
SERIALNO: 90216-
? 01643-31032 Washer 2
SN: 90216-
KIT-FLAG: _-
SCC:
SERIALNO: 90216-
? 01010-81016 Bolt 2
SN: 90216-
KIT-FLAG: _-
SCC:
SERIALNO: 90216-
? 01643-31032 Washer 2
SN: 90216-
KIT-FLAG: _-
SCC:
SERIALNO: 90216-

Wheel Loaders Komatsu / WA480-6 S/N 90216-UP (For EU)(0000533c) / Engine Wiring Harness, Dust Indicator (#90216-)(B004004 : B0110-006004)
?
?
?
?
?
?
?
?
?
?
?
?
?
?
?
?