k-part
Номер на схеме Каталожный номер Название Количество Детали
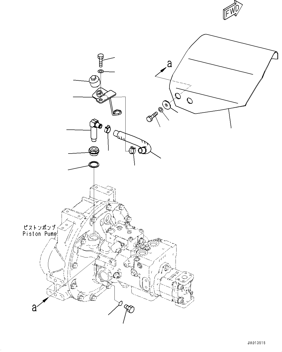
? 07040-11209 Plug 1
SN: 30001-
KIT-FLAG: _-
SCC:
SERIALNO: 30001-
? 07002-11223 O-ring 1
SN: 30001-
KIT-FLAG: _-
SCC:
SERIALNO: 30001-
? 21W-01-21150 Nipple 1
SN: 30001-
KIT-FLAG: _-
SCC:
SERIALNO: 30001-
? 07005-03016 Seal, Washer 1
SN: 30001-
KIT-FLAG: _-
SCC:
SERIALNO: 30001-
? 22P-01-21370 Hose 1
SN: 30001-
KIT-FLAG: _-
SCC:
SERIALNO: 30001-
? 07285-00200 Clip, Hose 1
SN: 30001-
KIT-FLAG: _-
SCC:
SERIALNO: 30001-
? 21W-01-42190 Elbow 1
SN: 30001-
KIT-FLAG: _-
SCC:
SERIALNO: 30001-
? 22P-01-21381 Sheet 1
SN: 30001-
KIT-FLAG: _-
SCC:
SERIALNO: 30001-
? 01010-81030 Bolt 2
SN: 30001-
KIT-FLAG: _-
SCC:
SERIALNO: 30001-
? 01643-31032 Washer 2
SN: 30001-
KIT-FLAG: _-
SCC:
SERIALNO: 30001-
? 203-54-56960 Collar 2
SN: 30001-
KIT-FLAG: _-
SCC:
SERIALNO: 30001-
? 07030-00252 Breather 1
SN: 30001-
KIT-FLAG: _-
SCC:
SERIALNO: 30001-
? 22P-01-21191 Joint 1
SN: 30001-
KIT-FLAG: _-
SCC:
SERIALNO: 30001-
? 01010-81020 Bolt 1
SN: 30001-
KIT-FLAG: _-
SCC:
SERIALNO: 30001-
? 01643-31032 Washer 1
SN: 30001-
KIT-FLAG: _-
SCC:
SERIALNO: 30001-
? 07285-00200 Clip, Hose 1
SN: 30001-
KIT-FLAG: _-
SCC:
SERIALNO: 30001-

Excavators Komatsu / PC78US-10 S/N 30001-UP(0000868C) / Damper (#30001-)(B003001 : B0600-001001)
?
?
?
?
?
?
?
?
?
?
?
?
?
?
?
?