k-part
Номер на схеме Каталожный номер Название Количество Детали
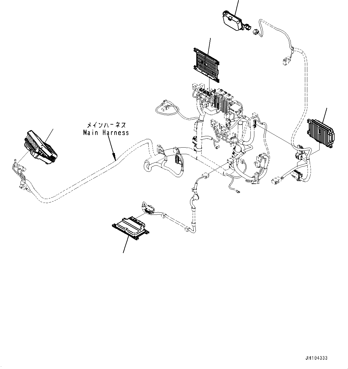
? 7835-37-8009 Monitor 1
SN: K77001-
KIT-FLAG: _-
SCC:
SERIALNO: K77001-
? 7835-57-3006 Controller 1
SN: K77001-
KIT-FLAG: _-
SCC:
SERIALNO: K77001-
? 7826-60-3002 Controller, Gateway Function Controller 1
SN: K77001-
KIT-FLAG: _-
SCC:
SERIALNO: K77001-
? 7826-26-1003 Controller 1
SN: K77001-
KIT-FLAG: _-
SCC:
SERIALNO: K77001-
? 7826-47-3011 Controller, KomVision 1
SN: K77001-
KIT-FLAG: _-
SCC:
SERIALNO: K77001-

Excavators Komatsu / PC210LCI-11E0 S/N K77001-UP(pc00098u) / Cab, Controller and Monitor(K015033 : K1110-010033)
?
?
?
?
?