k-part
Номер на схеме Каталожный номер Название Количество Детали
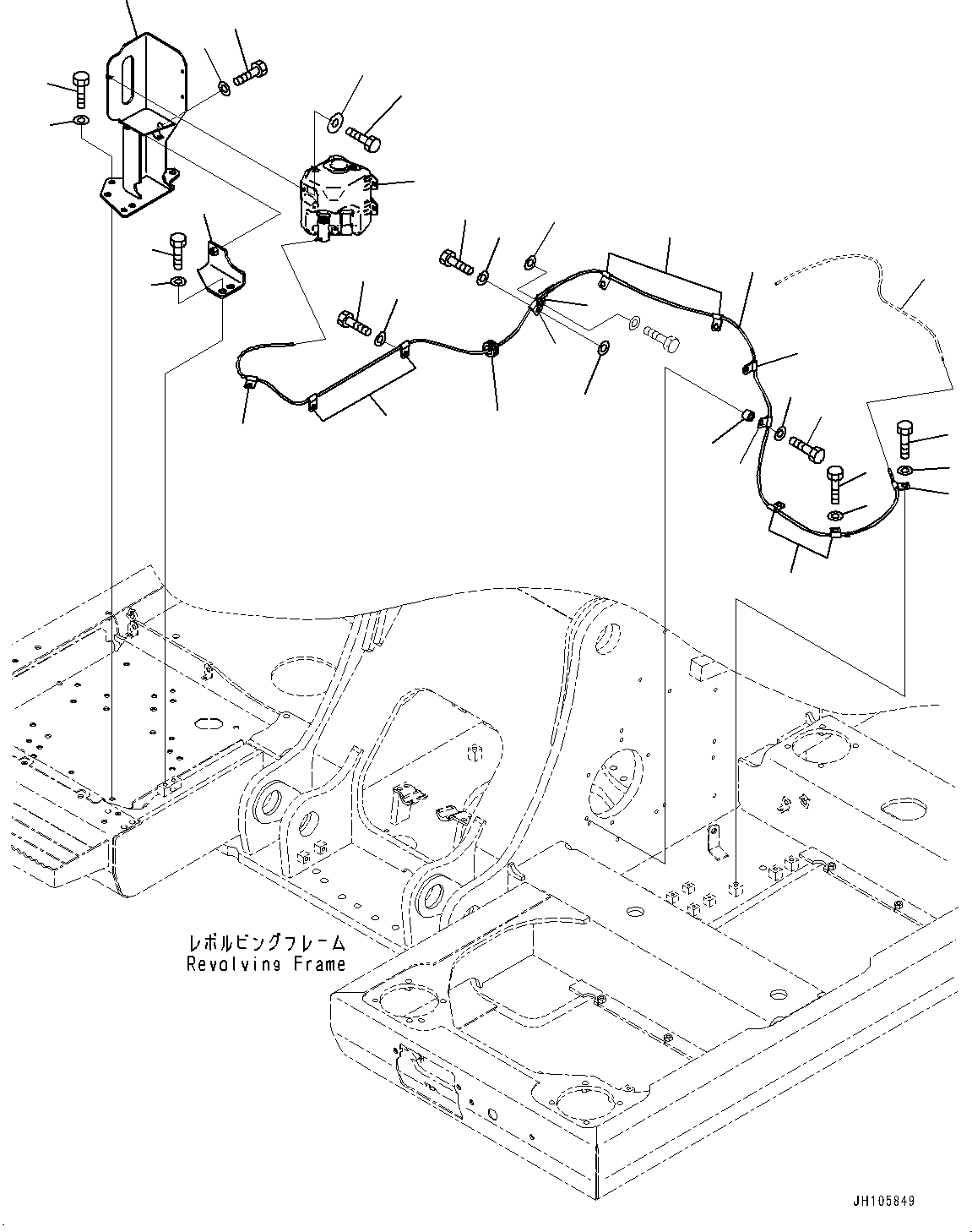
? 21T-06-11351 Tank Assembly 1
SN: K77001-
KIT-FLAG: _-
SCC:
SERIALNO: K77001-
? ND0603530420 • Cap 1
SN: K77001-
KIT-FLAG: _-
SCC:
SERIALNO: K77001-
? 2A5-06-25340 Bracket 1
SN: K77001-
KIT-FLAG: _-
SCC:
SERIALNO: K77001-
? 01010-81230 Bolt 5
SN: K77001-
KIT-FLAG: _-
SCC:
SERIALNO: K77001-
? 01643-31232 Washer 5
SN: K77001-
KIT-FLAG: _-
SCC:
SERIALNO: K77001-
? 01010-80620 Bolt 3
SN: K77001-
KIT-FLAG: _-
SCC:
SERIALNO: K77001-
? 209-72-12230 Washer 3
SN: K77001-
KIT-FLAG: _-
SCC:
SERIALNO: K77001-
? 21T-38-12270 Clip 12
SN: K77001-
KIT-FLAG: _-
SCC:
SERIALNO: K77001-
? 01010-81225 Bolt 6
SN: K77001-
KIT-FLAG: _-
SCC:
SERIALNO: K77001-
? 01643-31232 Washer 6
SN: K77001-
KIT-FLAG: _-
SCC:
SERIALNO: K77001-
? 01643-31232 Washer 2
SN: K77001-
KIT-FLAG: _-
SCC:
SERIALNO: K77001-
? 2A5-06-26980 Hose 1
SN: K77001-
KIT-FLAG: _-
SCC:
SERIALNO: K77001-
? 22U-54-25590 Grommet 1
SN: K77001-
KIT-FLAG: _-
SCC:
SERIALNO: K77001-
? 2A5-06-25330 Bracket 1
SN: K77001-
KIT-FLAG: _-
SCC:
SERIALNO: K77001-
? 01010-81230 Bolt 3
SN: K77001-
KIT-FLAG: _-
SCC:
SERIALNO: K77001-
? 01643-31232 Washer 3
SN: K77001-
KIT-FLAG: _-
SCC:
SERIALNO: K77001-
? 01010-81245 Bolt 1
SN: K77001-
KIT-FLAG: _-
SCC:
SERIALNO: K77001-
? 01643-31232 Washer 1
SN: K77001-
KIT-FLAG: _-
SCC:
SERIALNO: K77001-
? 144-947-3490 Spacer 1
SN: K77001-
KIT-FLAG: _-
SCC:
SERIALNO: K77001-
? (2A5-43-12580) Hose (Cab,Floor, Window Washer Hose)
KIT-FLAG: _-
SCC:
SERIALNO: -
K1110-010046

Excavators Komatsu / PC210LCI-11E0 S/N K77001-UP(pc00098u) / Window Washer(K012001 : K0350-003001)
?
?
?
?
?
?
?
?
?
?
?
?
?
?
?
?
?
?
?
?
?
?
?
?
?
?
?
?
?
?
?
?
?
?
?
?