| Номер на схеме | Каталожный номер | Название | Количество | Детали | |||
|---|---|---|---|---|---|---|---|
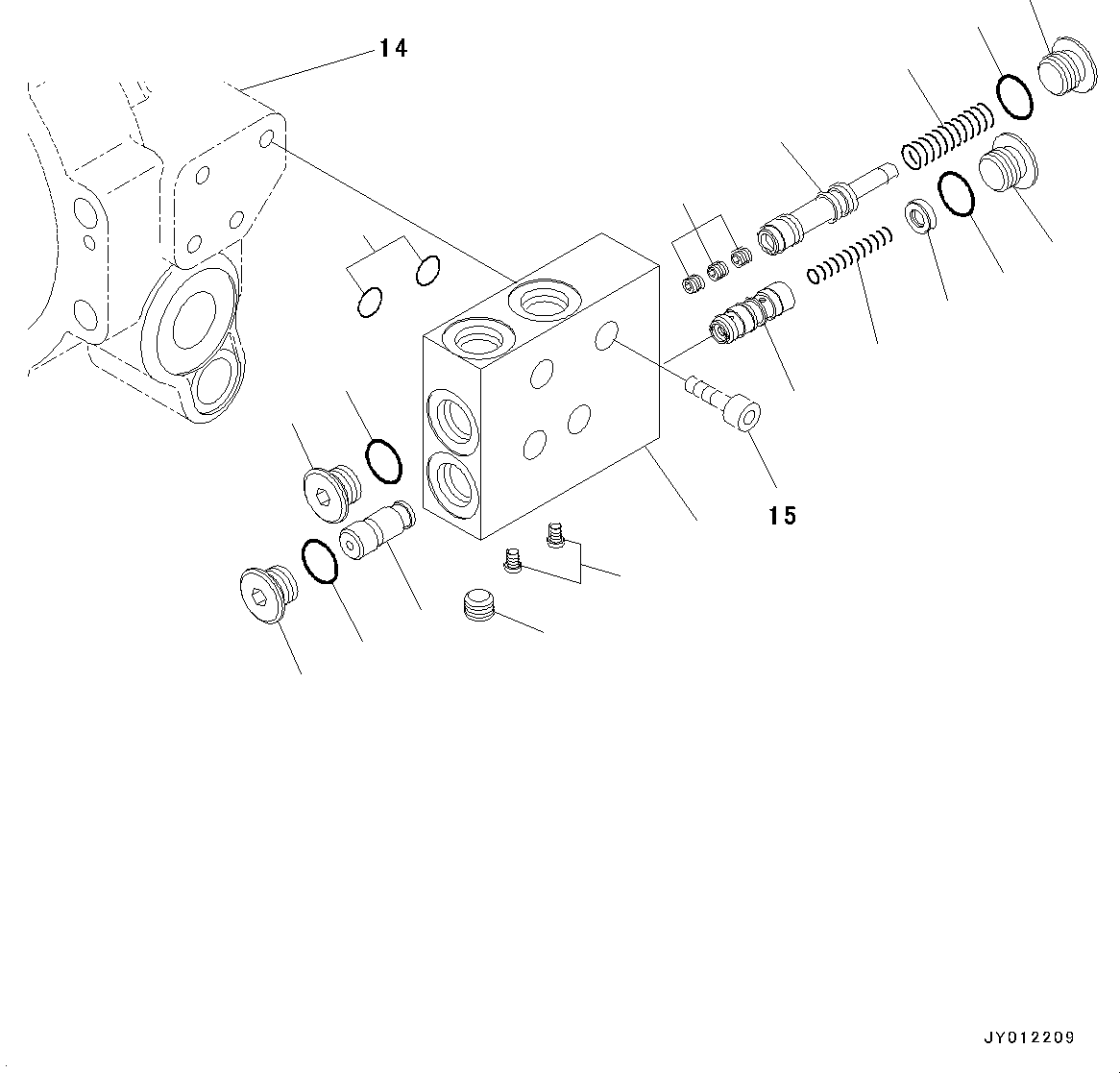
| ? | 22K-60-21202 | SWING MACHINERY, ASSEMBLY | 1 | SN: F10001- |
X | ||
| ? | FUPM1B24BFS284 | • HYDRAULIC MOTOR, SUBASSEMBLY | 1 | SN: F10001- |
|||
| ? | FUZFT02C8271A | • • VALVE ASSEMBLY, TIMER | 1 | SN: F10001- |
|||
| ? | ☆ | • • • BODY | 1 | SN: F10001- |
|||
| ? | ☆ | • • • SPOOL | 1 | SN: F10001- |
|||
| ? | ☆ | • • • PISTON | 1 | SN: F10001- |
|||
| ? | ☆ | • • • STOPPER | 1 | SN: F10001- |
|||
| ? | ☆ | • • • SPRING | 1 | SN: F10001- |
|||
| ? | ☆ | • • • SPRING | 1 | SN: F10001- |
|||
| ? | ☆ | • • • SPRING, HOLDER | 1 | SN: F10001- |
|||
| ? | 840141035 | • • • PLUG | 4 | SN: F10001- |
|||
| ? | FUGCS18271 | • • • KIT, GASKET | 1 | SN: F10001- |
|||
| ? | FUROP1190 | • • • • O-RING | 4 | SN: F10001- |
|||
| ? | FUROP790 | • • • • O-RING | 2 | SN: F10001- |
|||
| ? | ☆ | • • • PLUG | 2 | SN: F10001- |
|||
| ? | FUTPHA1/8 | • • • PLUG | 1 | SN: F10001- |
|||
| ? | ☆ | • • • CHOKE | 3 | SN: F10001- |