| Номер на схеме | Каталожный номер | Название | Количество | Детали | |||
|---|---|---|---|---|---|---|---|
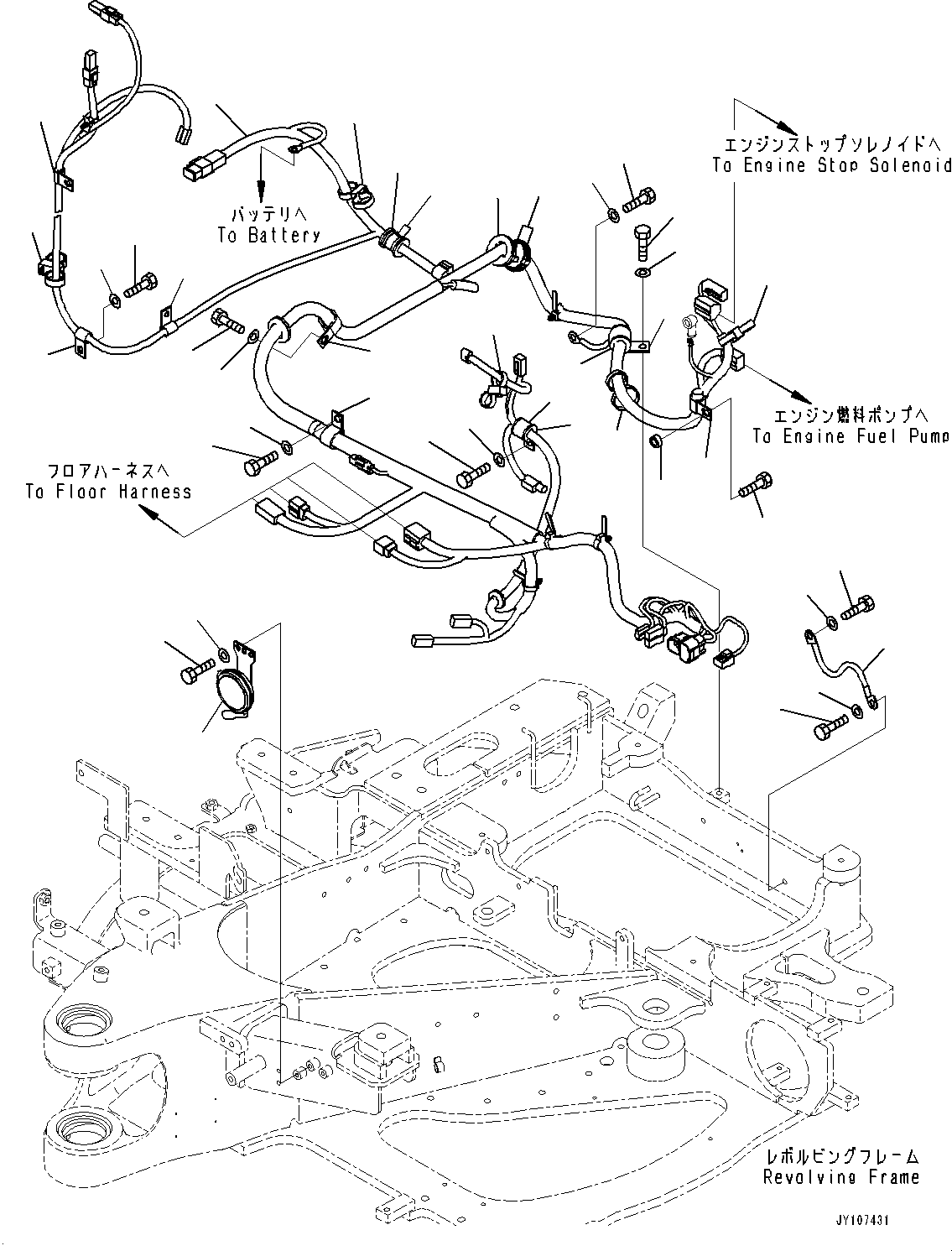
| ? | 2A1-06-52210 | WIRING HARNESS | 1 | SN: 23001- |
A | ||
| ? | 20T-06-81230 | • FUSIBLE LINK, 45 AMP | 1 | SN: 23001- |
B | ||
| ? | 21X-06-31530 | • DIODE | 1 | SN: 23001- |
C | ||
| ? | 04434-52711 | CLIP | 1 | SN: 23001- |
|||
| ? | 07095-20418 | RUBBER | 1 | SN: 23001- |
|||
| ? | 01010-81020 | BOLT | 1 | SN: 23001- |
|||
| ? | 01643-31032 | WASHER | 1 | SN: 23001- |
|||
| ? | 08034-40521 | BAND | 1 | SN: 23001- |
|||
| ? | 04434-52110 | CLIP | 1 | SN: 23001- |
|||
| ? | 07095-20316 | CUSHION | 1 | SN: 23001- |
|||
| ? | 01010-81020 | BOLT | 1 | SN: 23001- |
|||
| ? | 01643-31032 | WASHER | 1 | SN: 23001- |
|||
| ? | 08034-40521 | BAND | 1 | SN: 23001- |
|||
| ? | 04434-51710 | CLIP | 1 | SN: 23001- |
|||
| ? | 3EB-41-41490 | BOSS | 1 | SN: 23001- |
|||
| ? | 01010-81025 | BOLT | 1 | SN: 23001- |
|||
| ? | 08034-40521 | BAND | 1 | SN: 23001- |
|||
| ? | 04434-52310 | CLAMP | 2 | SN: 23001- |
|||
| ? | 01010-81020 | BOLT | 2 | SN: 23001- |
|||
| ? | 01643-31032 | WASHER | 2 | SN: 23001- |
|||
| ? | 01010-81020 | BOLT | 1 | SN: 23001- |
|||
| ? | 01643-31032 | WASHER | 1 | SN: 23001- |
|||
| ? | 07095-20418 | RUBBER | 1 | SN: 23001- |
|||
| ? | 08034-20414 | BAND, BLACK | 2 | SN: 23001- |
|||
| ? | 04434-51008 | CLAMP | 3 | SN: 23001- |
|||
| ? | 01010-80816 | BOLT | 1 | SN: 23001- |
|||
| ? | 01643-30823 | WASHER | 1 | SN: 23001- |
|||
| ? | 08034-40521 | BAND | 2 | SN: 23001- |
|||
| ? | 07095-20314 | RUBBER | 1 | SN: 23001- |
|||
| ? | 08034-20414 | BAND, BLACK | 2 | SN: 23001- |
|||
| ? | 22K-06-11170 | WIRING HARNESS | 1 | SN: 23001- |
|||
| ? | 01010-81020 | BOLT | 2 | SN: 23001- |
|||
| ? | 01643-31032 | WASHER | 2 | SN: 23001- |
|||
| ? | 22H-06-11250 | HORN | 1 | SN: 23001- |
|||
| ? | 01010-80816 | BOLT | 2 | SN: 23001- |
|||
| ? | 01643-30823 | WASHER | 2 | SN: 23001- |