| Номер на схеме | Каталожный номер | Название | Количество | Детали | |||
|---|---|---|---|---|---|---|---|
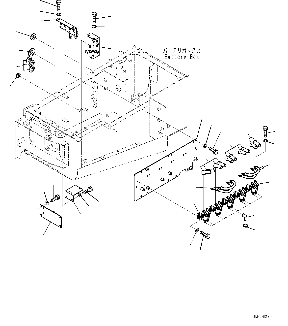
| ? | 56B-06-34322 | Bracket | 1 | SN: 10233- KIT-FLAG: _- SCC: SERIALNO: 10233- |
|||
| ? | 01010-81020 | Bolt | 6 | SN: 10001- KIT-FLAG: _- SCC: SERIALNO: 10001- |
|||
| ? | 01643-31032 | Washer | 6 | SN: 10001- KIT-FLAG: _- SCC: SERIALNO: 10001- |
|||
| ? | 08037-02512 | Grommet | 1 | SN: 10001- KIT-FLAG: _- SCC: SERIALNO: 10001- |
|||
| ? | 08037-05016 | Grommet | 1 | SN: 10001- KIT-FLAG: _- SCC: SERIALNO: 10001- |
|||
| ? | 08037-03614 | Grommet | 4 | SN: 10001- KIT-FLAG: _- SCC: SERIALNO: 10001- |
|||
| ? | 56B-06-54330 | Bracket | 1 | SN: 10001- KIT-FLAG: _- SCC: SERIALNO: 10001- |
|||
| ? | 56B-06-34341 | Bracket | 1 | SN: 10001- KIT-FLAG: _- SCC: SERIALNO: 10001- |
|||
| ? | 56B-06-34350 | Bracket | 1 | SN: 10001- KIT-FLAG: _- SCC: SERIALNO: 10001- |
|||
| ? | 56B-06-34360 | Plate | 1 | SN: 10001- KIT-FLAG: _- SCC: SERIALNO: 10001- |
|||
| ? | 01010-81020 | Bolt | 10 | SN: 10001- KIT-FLAG: _- SCC: SERIALNO: 10001- |
|||
| ? | 01643-31032 | Washer | 10 | SN: 10001- KIT-FLAG: _- SCC: SERIALNO: 10001- |
|||
| ? | 08088-70000 | Switch, Battery Relay | 1 | SN: 10233- KIT-FLAG: _- SCC: SERIALNO: 10233- |
|||
| ? | 08088-50000 | Switch, Battery Relay | 4 | SN: 10233- KIT-FLAG: _- SCC: SERIALNO: 10233- |
|||
| ? | 01010-80825 | Bolt | 10 | SN: 10001- KIT-FLAG: _- SCC: SERIALNO: 10001- |
|||
| ? | 01643-30823 | Washer | 10 | SN: 10001- KIT-FLAG: _- SCC: SERIALNO: 10001- |
|||
| ? | 08028-65011 | Wire, L=110mm | 4 | SN: 10001- KIT-FLAG: _- SCC: SERIALNO: 10001- |
|||
| ? | 08038-00035 | Cap, Terminal | 10 | SN: 10001- KIT-FLAG: _- SCC: SERIALNO: 10001- |
|||
| ? | 08038-00518 | Cap | 10 | SN: 10001- KIT-FLAG: _- SCC: SERIALNO: 10001- |
|||
| ? | 08034-20310 | Band, Black | 10 | SN: 10001- KIT-FLAG: _- SCC: SERIALNO: 10001- |
|||
| ? | 01010-80820 | Bolt | 10 | SN: 10001- KIT-FLAG: _- SCC: SERIALNO: 10001- |