| Номер на схеме | Каталожный номер | Название | Количество | Детали | |||
|---|---|---|---|---|---|---|---|
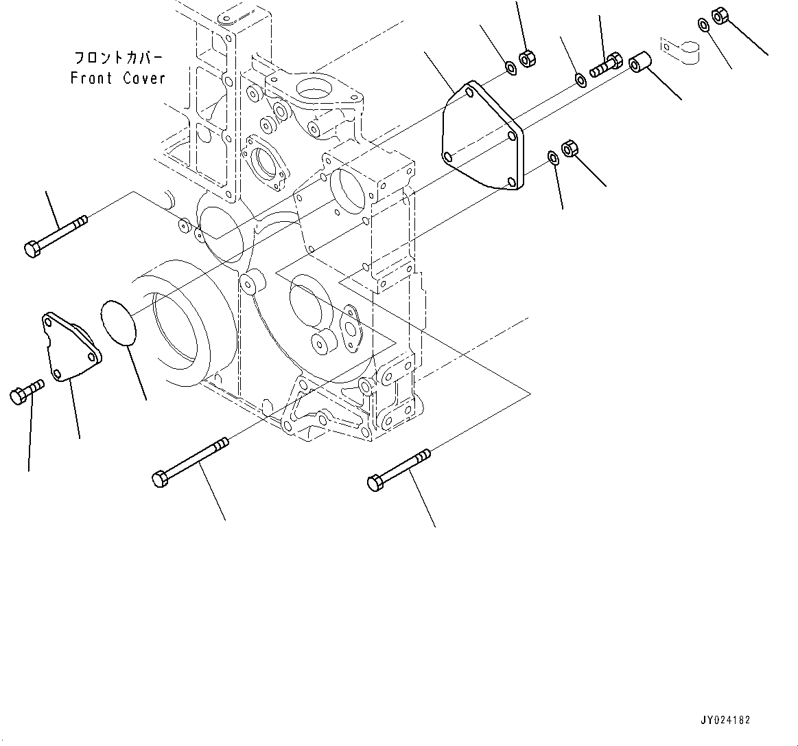
| ? | 6210-21-1880 | Cover | 1 | SN: 40713- KIT-FLAG: _- SCC: SERIALNO: 40713- |
|||
| ? | 07000-72060 | O-ring | 1 | SN: 40713- KIT-FLAG: S- SCC: SERIALNO: 40713- |
|||
| ? | 01010-81020 | Bolt | 3 | SN: 40713- KIT-FLAG: _- SCC: SERIALNO: 40713- |
|||
| ? | 6210-21-1851 | Cover | 1 | SN: 40713- KIT-FLAG: _- SCC: SERIALNO: 40713- |
|||
| ? | 01010-81225 | Bolt | 1 | SN: 40713- KIT-FLAG: _- SCC: SERIALNO: 40713- |
|||
| ? | 01640-21223 | Washer, Flat | 1 | SN: 40713- KIT-FLAG: _- SCC: SERIALNO: 40713- |
|||
| ? | 01011-81015 | Bolt | 2 | SN: 40713- KIT-FLAG: _- SCC: SERIALNO: 40713- |
|||
| ? | 01011-81035 | Bolt | 1 | SN: 40713- KIT-FLAG: _- SCC: SERIALNO: 40713- |
|||
| ? | 01580-11008 | Nut | 3 | SN: 40713- KIT-FLAG: _- SCC: SERIALNO: 40713- |
|||
| ? | 01640-21016 | Washer | 3 | SN: 40713- KIT-FLAG: _- SCC: SERIALNO: 40713- |
|||
| ? | 6631-11-5630 | Spacer | 1 | SN: 40713- KIT-FLAG: _- SCC: SERIALNO: 40713- |