| Номер на схеме | Каталожный номер | Название | Количество | Детали | |||
|---|---|---|---|---|---|---|---|
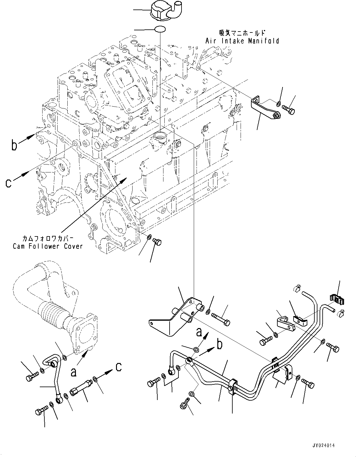
| ? | 6252-21-6710 | Breather Assembly | 1 | SN: 860001- KIT-FLAG: _- SCC: SERIALNO: 860001- |
|||
| ? | 6114-21-5190 | O-ring | 1 | SN: 860001- KIT-FLAG: S- SCC: SERIALNO: 860001- |
|||
| ? | 6252-71-6320 | Bracket | 1 | SN: 860001- KIT-FLAG: _- SCC: SERIALNO: 860001- |
|||
| ? | 01010-81025 | Bolt | 1 | SN: 860001- KIT-FLAG: _- SCC: SERIALNO: 860001- |
|||
| ? | 01643-31032 | Washer | 1 | SN: 860001- KIT-FLAG: _- SCC: SERIALNO: 860001- |
|||
| ? | 6110-53-5910 | Plug | 1 | SN: 860001- KIT-FLAG: _- SCC: SERIALNO: 860001- |
|||
| ? | 07005-01412 | Seal, Washer | 1 | SN: 860001- KIT-FLAG: S- SCC: SERIALNO: 860001- |
|||
| ? | 6253-21-7330 | Tube | 1 | SN: 860001- KIT-FLAG: _- SCC: SERIALNO: 860001- |
|||
| ? | 6252-21-7590 | Tube | 1 | SN: 860001- KIT-FLAG: _- SCC: SERIALNO: 860001- |
|||
| ? | 6252-21-7580 | Nipple | 1 | SN: 860001- KIT-FLAG: _- SCC: SERIALNO: 860001- |
|||
| ? | 6252-21-7340 | Tube | 1 | SN: 860001- KIT-FLAG: _- SCC: SERIALNO: 860001- |
|||
| ? | 07206-31014 | Bolt, Joint | 4 | SN: 860001- KIT-FLAG: _- SCC: SERIALNO: 860001- |
|||
| ? | 07005-01412 | Seal, Washer | 9 | SN: 860001- KIT-FLAG: S- SCC: SERIALNO: 860001- |
|||
| ? | 6252-21-7370 | Bracket | 1 | SN: 860001- KIT-FLAG: _- SCC: SERIALNO: 860001- |
|||
| ? | 01010-81080 | Bolt | 1 | SN: 860001- KIT-FLAG: _- SCC: SERIALNO: 860001- |
|||
| ? | 01643-31032 | Washer | 1 | SN: 860001- KIT-FLAG: _- SCC: SERIALNO: 860001- |
|||
| ? | 6166-75-6821 | Clamp | 4 | SN: 860001- KIT-FLAG: _- SCC: SERIALNO: 860001- |
|||
| ? | 01010-80835 | Bolt | 2 | SN: 860001- KIT-FLAG: _- SCC: SERIALNO: 860001- |
|||
| ? | 01643-30823 | Washer | 2 | SN: 860001- KIT-FLAG: _- SCC: SERIALNO: 860001- |
|||
| ? | 6252-21-7740 | Bracket | 1 | SN: 860001- KIT-FLAG: _- SCC: SERIALNO: 860001- |
|||
| ? | 01010-81025 | Bolt | 1 | SN: 860001- KIT-FLAG: _- SCC: SERIALNO: 860001- |
|||
| ? | 01643-31032 | Washer | 1 | SN: 860001- KIT-FLAG: _- SCC: SERIALNO: 860001- |
|||
| ? | 6166-75-6821 | Clamp | 1 | SN: 860001- KIT-FLAG: _- SCC: SERIALNO: 860001- |
|||
| ? | 6261-51-9481 | Clamp | 1 | SN: 860001- KIT-FLAG: _- SCC: SERIALNO: 860001- |
|||
| ? | 01010-80845 | Bolt | 1 | SN: 860001- KIT-FLAG: _- SCC: SERIALNO: 860001- |
|||
| ? | 01643-30823 | Washer | 1 | SN: 860001- KIT-FLAG: _- SCC: SERIALNO: 860001- |