k-part
Номер на схеме Каталожный номер Название Количество Детали
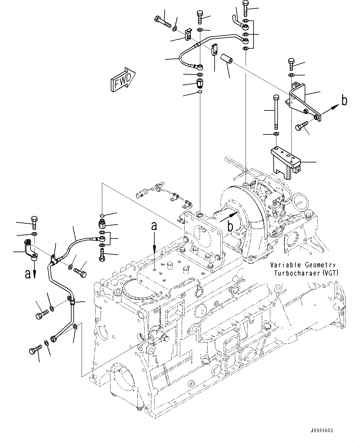
? 6252-61-6340 Nipple 1
SN: 860001-861242
KIT-FLAG: _-
SCC:
SERIALNO: 860001-861242
? 6252-61-6280 O-ring 1
SN: 860001-861242
KIT-FLAG: _-
SCC:
SERIALNO: 860001-861242
? 6253-61-6160 Tube 1
SN: 860001-861242
KIT-FLAG: _-
SCC:
SERIALNO: 860001-861242
? 07206-31014 Bolt, Joint 2
SN: 860001-861242
KIT-FLAG: _-
SCC:
SERIALNO: 860001-861242
? 07005-01412 Seal, Washer 4
SN: 860001-861242
KIT-FLAG: S-
SCC:
SERIALNO: 860001-861242
? 6252-61-6290 Bracket 1
SN: 860001-861242
KIT-FLAG: _-
SCC:
SERIALNO: 860001-861242
? 01010-81045 Bolt 1
SN: 860001-861242
KIT-FLAG: _-
SCC:
SERIALNO: 860001-861242
? 01643-31032 Washer 1
SN: 860001-861242
KIT-FLAG: _-
SCC:
SERIALNO: 860001-861242
? 600-052-3100 Clip 2
SN: 860001-861242
KIT-FLAG: _-
SCC:
SERIALNO: 860001-861242
? 01010-81025 Bolt 2
SN: 860001-861242
KIT-FLAG: _-
SCC:
SERIALNO: 860001-861242
? 01643-31032 Washer 2
SN: 860001-861242
KIT-FLAG: _-
SCC:
SERIALNO: 860001-861242
? 6252-61-6340 Nipple 1
SN: 860001-861242
KIT-FLAG: _-
SCC:
SERIALNO: 860001-861242
? 6252-61-6280 O-ring 1
SN: 860001-861242
KIT-FLAG: _-
SCC:
SERIALNO: 860001-861242
? 6252-61-6121 Tube 1
SN: 860001-861242
KIT-FLAG: _-
SCC:
SERIALNO: 860001-861242
? 07206-31014 Bolt, Joint 1
SN: 860001-861242
KIT-FLAG: _-
SCC:
SERIALNO: 860001-861242
? 07005-01412 Seal, Washer 2
SN: 860001-861242
KIT-FLAG: S-
SCC:
SERIALNO: 860001-861242
? 6204-71-5730 Joint 1
SN: 860001-861242
KIT-FLAG: _-
SCC:
SERIALNO: 860001-861242
? 7700-45-1710 Bolt, Joint 1
SN: 860001-861242
KIT-FLAG: _-
SCC:
SERIALNO: 860001-861242
? 07005-01412 Seal, Washer 3
SN: 860001-861242
KIT-FLAG: S-
SCC:
SERIALNO: 860001-861242
? 6253-61-6150 Bracket 1
SN: 860001-861242
KIT-FLAG: _-
SCC:
SERIALNO: 860001-861242
? 6253-61-6210 Bracket 1
SN: 860001-861242
KIT-FLAG: _-
SCC:
SERIALNO: 860001-861242
? 01011-81090 Bolt 2
SN: 860001-861242
KIT-FLAG: _-
SCC:
SERIALNO: 860001-861242
? 01643-31032 Washer 2
SN: 860001-861242
KIT-FLAG: _-
SCC:
SERIALNO: 860001-861242
? 01020-11030 Bolt, Stainless 2
SN: 860001-861242
KIT-FLAG: _-
SCC:
SERIALNO: 860001-861242
? 01010-81025 Bolt 2
SN: 860001-861242
KIT-FLAG: _-
SCC:
SERIALNO: 860001-861242
? 01643-31032 Washer 2
SN: 860001-861242
KIT-FLAG: _-
SCC:
SERIALNO: 860001-861242
? 6240-51-8350 Clamp 1
SN: 860001-861242
KIT-FLAG: _-
SCC:
SERIALNO: 860001-861242
? 6240-51-8340 Clamp 1
SN: 860001-861242
KIT-FLAG: _-
SCC:
SERIALNO: 860001-861242
? 6152-21-6590 Spacer 1
SN: 860001-861242
KIT-FLAG: _-
SCC:
SERIALNO: 860001-861242
? 01010-81085 Bolt 1
SN: 860001-861242
KIT-FLAG: _-
SCC:
SERIALNO: 860001-861242
? 01643-31032 Washer 1
SN: 860001-861242
KIT-FLAG: _-
SCC:
SERIALNO: 860001-861242

Engines Komatsu / SAA6D125E-7A S/N 860001-UP (For PC490LC-11/PC490LCI-11)(0000814c) / Variable Geometry Turbocharger (VGT), Water Piping (#860001-861242)(A006003 : A1530-001003)
?
?
?
?
?
?
?
?
?
?
?
?
?
?
?
?
?
?
?
?
?
?
?
?
?
?
?
?
?
?
?
?
?
?
?
?
?
?