k-part
Номер на схеме Каталожный номер Название Количество Детали
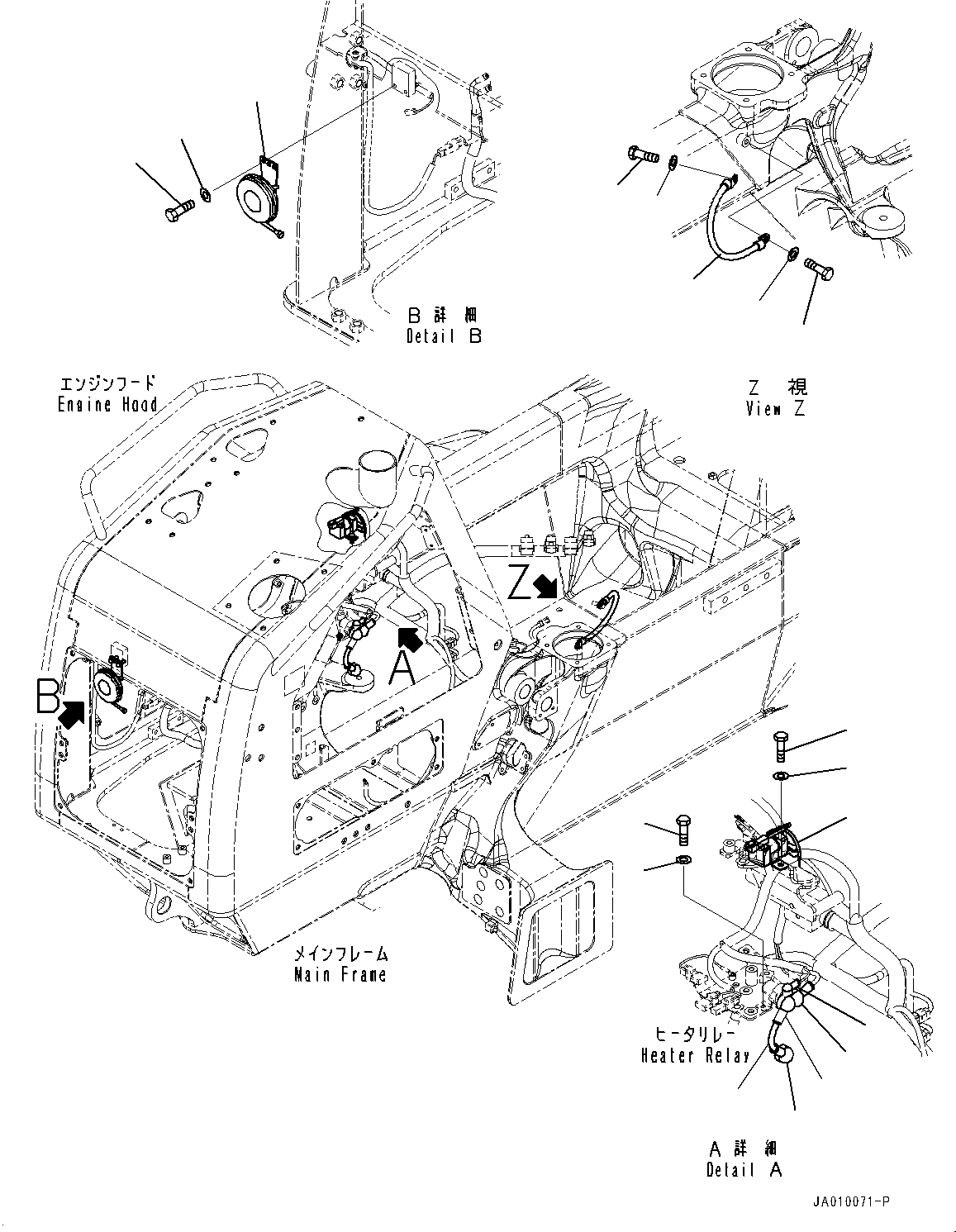
? 11Y-06-41431 Cable 1
SN: 80179-
KIT-FLAG: _-
SCC:
SERIALNO: 80179-
? 01010-80616 Bolt 2
SN: 80179-
KIT-FLAG: _-
SCC:
SERIALNO: 80179-
? 01643-30623 Washer 2
SN: 80179-
KIT-FLAG: _-
SCC:
SERIALNO: 80179-
? 08038-00519 Cap, Terminal 1
SN: 80179-
KIT-FLAG: _-
SCC:
SERIALNO: 80179-
? 08038-02027 Cap 3
SN: 80179-
KIT-FLAG: _-
SCC:
SERIALNO: 80179-
? 19M-06-18220 Horn 1
SN: 80179-
KIT-FLAG: _-
SCC:
SERIALNO: 80179-
? 01010-80820 Bolt 2
SN: 80179-
KIT-FLAG: _-
SCC:
SERIALNO: 80179-
? 01643-30823 Washer 2
SN: 80179-
KIT-FLAG: _-
SCC:
SERIALNO: 80179-
? 11Y-06-41570 Cable 1
SN: 80179-
KIT-FLAG: _-
SCC:
SERIALNO: 80179-
? 01010-81020 Bolt 1
SN: 80179-
KIT-FLAG: _-
SCC:
SERIALNO: 80179-
? 01643-31032 Washer 1
SN: 80179-
KIT-FLAG: _-
SCC:
SERIALNO: 80179-
? 01010-81025 Bolt 1
SN: 80179-
KIT-FLAG: _-
SCC:
SERIALNO: 80179-
? 01643-31032 Washer 1
SN: 80179-
KIT-FLAG: _-
SCC:
SERIALNO: 80179-
? 11Y-06-11391 Switch, Starter Relay 1
SN: 80179-
KIT-FLAG: _-
SCC:
SERIALNO: 80179-
? 01010-80820 Bolt 2
SN: 80179-
KIT-FLAG: _-
SCC:
SERIALNO: 80179-
? 01643-30823 Washer 2
SN: 80179-
KIT-FLAG: _-
SCC:
SERIALNO: 80179-

Bulldozers Komatsu / D37PXI-23 S/N 80179-UP(0000764c) / Electric Wiring Harness, Horn and Cable (#80179-)(E002007 : E0200-001007)
?
?
?
?
?
?
?
?
?
?
?
?
?
?
?
?
?
?