| Номер на схеме | Каталожный номер | Название | Количество | Детали | |||
|---|---|---|---|---|---|---|---|
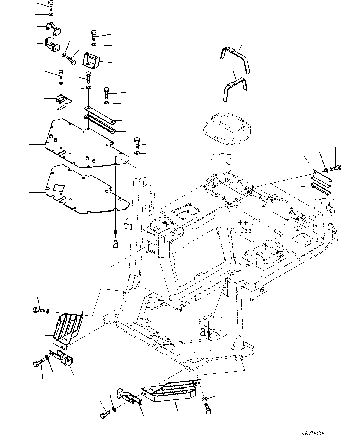
| ? | 11Y-54-47931 | Bracket | 1 | SN: 80179- KIT-FLAG: _- SCC: SERIALNO: 80179- |
|||
| ? | 11Y-54-41821 | Cover | 1 | SN: 80179- KIT-FLAG: _- SCC: SERIALNO: 80179- |
|||
| ? | 11Y-54-47941 | Bracket | 1 | SN: 80179- KIT-FLAG: _- SCC: SERIALNO: 80179- |
|||
| ? | 11Y-54-41831 | Cover | 1 | SN: 80179- KIT-FLAG: _- SCC: SERIALNO: 80179- |
|||
| ? | 01010-D1225 | Bolt | 4 | SN: 80179- KIT-FLAG: _- SCC: SERIALNO: 80179- |
|||
| ? | 01643-71232 | Washer | 4 | SN: 80179- KIT-FLAG: _- SCC: SERIALNO: 80179- |
|||
| ? | 01010-D1230 | Bolt | 4 | SN: 80179- KIT-FLAG: _- SCC: SERIALNO: 80179- |
|||
| ? | 01643-71232 | Washer | 4 | SN: 80179- KIT-FLAG: _- SCC: SERIALNO: 80179- |
|||
| ? | 12Y-43-21310 | Plate | 1 | SN: 80179- KIT-FLAG: _- SCC: SERIALNO: 80179- |
|||
| ? | 01010-D1020 | Bolt | 4 | SN: 80179- KIT-FLAG: _- SCC: SERIALNO: 80179- |
|||
| ? | 01643-71032 | Washer | 4 | SN: 80179- KIT-FLAG: _- SCC: SERIALNO: 80179- |
|||
| ? | 423-54-42790 | Band | 2 | SN: 80179- KIT-FLAG: _- SCC: SERIALNO: 80179- |
|||
| ? | 12Y-43-21321 | Plate | 1 | SN: 80179- KIT-FLAG: _- SCC: SERIALNO: 80179- |
|||
| ? | 12Y-43-21330 | Bracket | 1 | SN: 80179- KIT-FLAG: _- SCC: SERIALNO: 80179- |
|||
| ? | 01010-D1020 | Bolt | 2 | SN: 80179- KIT-FLAG: _- SCC: SERIALNO: 80179- |
|||
| ? | 01643-71032 | Washer | 2 | SN: 80179- KIT-FLAG: _- SCC: SERIALNO: 80179- |
|||
| ? | 12Y-54-36721 | Cover | 1 | SN: 80601- KIT-FLAG: _- SCC: SERIALNO: 80601- |
|||
| ? | 12Y-54-36731 | • Sheet | 1 | SN: 80601- KIT-FLAG: _- SCC: SERIALNO: 80601- |
|||
| ? | 01010-81230 | Bolt | 11 | SN: 80179- KIT-FLAG: _- SCC: SERIALNO: 80179- |
|||
| ? | 01643-31232 | Washer | 11 | SN: 80179- KIT-FLAG: _- SCC: SERIALNO: 80179- |
|||
| ? | 17A-54-25560 | Cover | 1 | SN: 80179- KIT-FLAG: _- SCC: SERIALNO: 80179- |
|||
| ? | 17A-54-25570 | • Sheet | 1 | SN: 80179- KIT-FLAG: _- SCC: SERIALNO: 80179- |
|||
| ? | 01010-81230 | Bolt | 2 | SN: 80179- KIT-FLAG: _- SCC: SERIALNO: 80179- |
|||
| ? | 01643-31232 | Washer | 2 | SN: 80179- KIT-FLAG: _- SCC: SERIALNO: 80179- |
|||
| ? | 12Y-06-28340 | Cover | 1 | SN: 80179- KIT-FLAG: _- SCC: SERIALNO: 80179- |
|||
| ? | 12Y-06-28330 | • Sheet | 1 | SN: 80179- KIT-FLAG: _- SCC: SERIALNO: 80179- |
|||
| ? | 01010-80820 | Bolt | 2 | SN: 80179- KIT-FLAG: _- SCC: SERIALNO: 80179- |
|||
| ? | 01643-30823 | Washer | 2 | SN: 80179- KIT-FLAG: _- SCC: SERIALNO: 80179- |
|||
| ? | 11Y-Z79-3621 | Cover | 2 | SN: 80179- KIT-FLAG: _- SCC: SERIALNO: 80179- |
|||
| ? | 11Y-54-46741 | • Seal | 1 | SN: 80179- KIT-FLAG: _- SCC: SERIALNO: 80179- |
|||
| ? | 01010-D0816 | Bolt | 4 | SN: 80179- KIT-FLAG: _- SCC: SERIALNO: 80179- |
|||
| ? | 01643-70823 | Washer | 4 | SN: 80179- KIT-FLAG: _- SCC: SERIALNO: 80179- |