k-part
Номер на схеме Каталожный номер Название Количество Детали
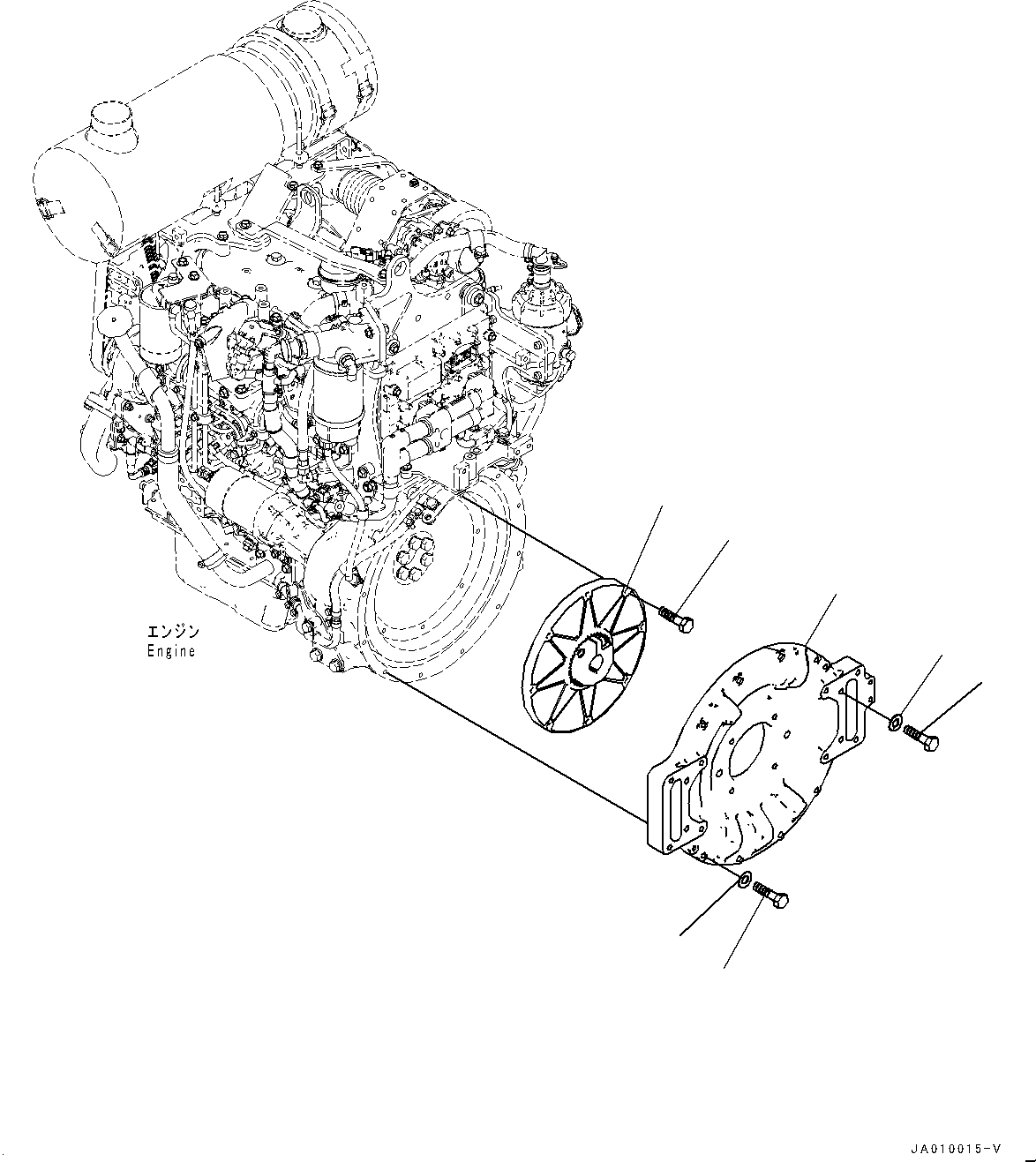
? 11Y-12-31110 Coupling 1
SN: 80179-
KIT-FLAG: _-
SCC:
SERIALNO: 80179-
? 11Y-12-11130 Bolt 8
SN: 80179-
KIT-FLAG: _-
SCC:
SERIALNO: 80179-
? 11Y-12-41111 Cover 1
SN: 80179-
KIT-FLAG: _-
SCC:
SERIALNO: 80179-
? 01010-81050 Bolt 8
SN: 80179-
KIT-FLAG: _-
SCC:
SERIALNO: 80179-
? 01643-31032 Washer 8
SN: 80179-
KIT-FLAG: _-
SCC:
SERIALNO: 80179-
? 01010-81060 Bolt 4
SN: 80179-
KIT-FLAG: _-
SCC:
SERIALNO: 80179-
? 01643-31032 Washer 4
SN: 80179-
KIT-FLAG: _-
SCC:
SERIALNO: 80179-

Bulldozers Komatsu / D37PXI-23 S/N 80179-UP(0000764c) / Damper (#80179-)(B009001 : B0600-001001)
?
?
?
?
?
?
?