| Номер на схеме | Каталожный номер | Название | Количество | Детали | |||
|---|---|---|---|---|---|---|---|
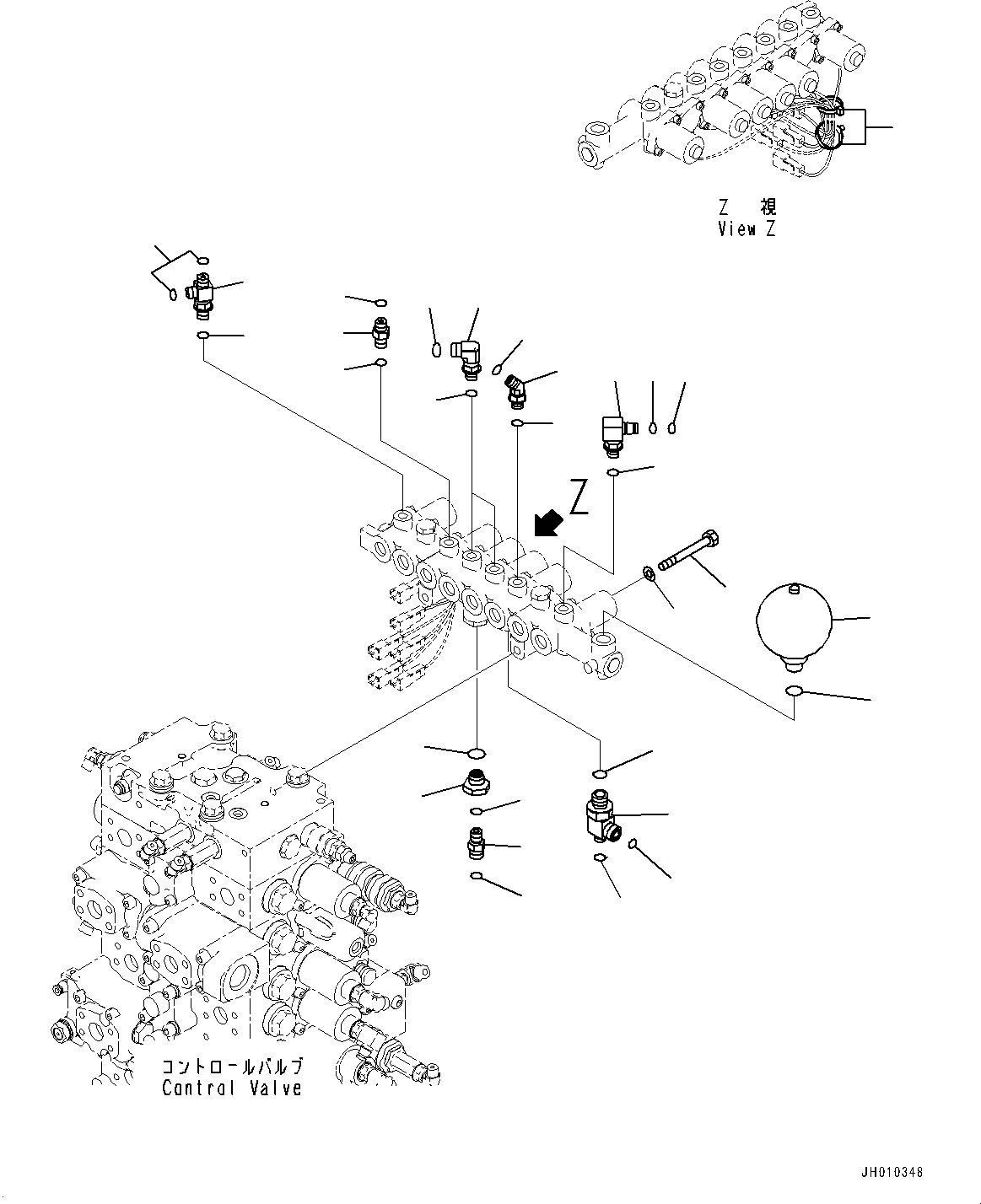
| ? | 01010-81090 | Bolt | 2 | SN: 1001- KIT-FLAG: _- SCC: SERIALNO: 1001- |
|||
| ? | 01643-31032 | Washer | 2 | SN: 1001- KIT-FLAG: _- SCC: SERIALNO: 1001- |
|||
| ? | 22U-60-21331 | Accumulator | 1 | SN: 1001- KIT-FLAG: _- SCC: SERIALNO: 1001- |
|||
| ? | 07002-12034 | O-ring | 1 | SN: 1001- KIT-FLAG: _- SCC: SERIALNO: 1001- |
|||
| ? | 20Y-62-22271 | Elbow | 1 | SN: 1001- KIT-FLAG: _- SCC: SERIALNO: 1001- |
|||
| ? | 201-60-11390 | • O-ring | 1 | SN: 1001- KIT-FLAG: _- SCC: SERIALNO: 1001- |
|||
| ? | 20Y-62-19560 | • O-ring | 1 | SN: 1001- KIT-FLAG: _- SCC: SERIALNO: 1001- |
|||
| ? | 07002-11423 | O-ring | 1 | SN: 1001- KIT-FLAG: _- SCC: SERIALNO: 1001- |
|||
| ? | 208-62-71750 | Elbow | 1 | SN: 1001- KIT-FLAG: _- SCC: SERIALNO: 1001- |
|||
| ? | 02896-11008 | O-ring | 1 | SN: 1001- KIT-FLAG: _- SCC: SERIALNO: 1001- |
|||
| ? | 07002-11423 | O-ring | 1 | SN: 1001- KIT-FLAG: _- SCC: SERIALNO: 1001- |
|||
| ? | 21W-62-42490 | Elbow | 2 | SN: 1001- KIT-FLAG: _- SCC: SERIALNO: 1001- |
|||
| ? | 02896-11009 | O-ring | 2 | SN: 1001- KIT-FLAG: _- SCC: SERIALNO: 1001- |
|||
| ? | 07002-11423 | O-ring | 2 | SN: 1001- KIT-FLAG: _- SCC: SERIALNO: 1001- |
|||
| ? | 11Y-62-12130 | Nipple | 1 | SN: 1001- KIT-FLAG: _- SCC: SERIALNO: 1001- |
|||
| ? | 02896-11008 | O-ring | 1 | SN: 1001- KIT-FLAG: _- SCC: SERIALNO: 1001- |
|||
| ? | 07002-11423 | O-ring | 1 | SN: 1001- KIT-FLAG: _- SCC: SERIALNO: 1001- |
|||
| ? | 11Y-62-12330 | Tee | 1 | SN: 1001- KIT-FLAG: _- SCC: SERIALNO: 1001- |
|||
| ? | 02896-11008 | O-ring | 2 | SN: 1001- KIT-FLAG: _- SCC: SERIALNO: 1001- |
|||
| ? | 07002-11423 | O-ring | 1 | SN: 1001- KIT-FLAG: _- SCC: SERIALNO: 1001- |
|||
| ? | 17A-61-22410 | Elbow | 1 | SN: 1001- KIT-FLAG: _- SCC: SERIALNO: 1001- |
|||
| ? | 02896-11012 | O-ring | 1 | SN: 1001- KIT-FLAG: _- SCC: SERIALNO: 1001- |
|||
| ? | 02896-11008 | O-ring | 1 | SN: 1001- KIT-FLAG: _- SCC: SERIALNO: 1001- |
|||
| ? | 07002-12034 | O-ring | 1 | SN: 1001- KIT-FLAG: _- SCC: SERIALNO: 1001- |
|||
| ? | 20Y-62-21940 | Joint | 1 | SN: 1001- KIT-FLAG: _- SCC: SERIALNO: 1001- |
|||
| ? | 07002-12034 | O-ring | 1 | SN: 1001- KIT-FLAG: _- SCC: SERIALNO: 1001- |
|||
| ? | 02781-0031D | Union | 1 | SN: 1001- KIT-FLAG: _- SCC: SERIALNO: 1001- |
|||
| ? | 02896-11009 | O-ring | 1 | SN: 1001- KIT-FLAG: _- SCC: SERIALNO: 1001- |
|||
| ? | 07002-11423 | O-ring | 1 | SN: 1001- KIT-FLAG: _- SCC: SERIALNO: 1001- |
|||
| ? | 08034-20536 | Band | 2 | SN: 1001- KIT-FLAG: _- SCC: SERIALNO: 1001- |