| Номер на схеме | Каталожный номер | Название | Количество | Детали | |||
|---|---|---|---|---|---|---|---|
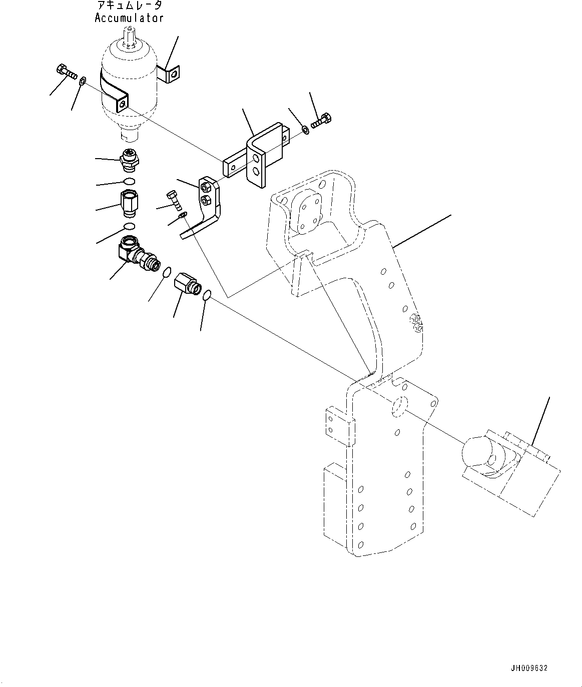
| ? | 201-62-71810 | Joint | 2 | SN: 1001- KIT-FLAG: _- SCC: SERIALNO: 1001- |
|||
| ? | 207-62-73350 | Elbow | 1 | SN: 1001- KIT-FLAG: _- SCC: SERIALNO: 1001- |
|||
| ? | 205-970-5550 | Nipple | 1 | SN: 1001- KIT-FLAG: _- SCC: SERIALNO: 1001- |
|||
| ? | 07002-12434 | O-ring | 4 | SN: 1001- KIT-FLAG: _- SCC: SERIALNO: 1001- |
|||
| ? | 207-62-42310 | Bracket | 1 | SN: 1001- KIT-FLAG: _- SCC: SERIALNO: 1001- |
|||
| ? | 01010-81250 | Bolt | 2 | SN: 1001- KIT-FLAG: _- SCC: SERIALNO: 1001- |
|||
| ? | 01643-31232 | Washer | 2 | SN: 1001- KIT-FLAG: _- SCC: SERIALNO: 1001- |
|||
| ? | 207-62-42290 | Bracket | 1 | SN: 1001- KIT-FLAG: _- SCC: SERIALNO: 1001- |
|||
| ? | 01010-81250 | Bolt | 2 | SN: 1001- KIT-FLAG: _- SCC: SERIALNO: 1001- |
|||
| ? | 01643-31232 | Washer | 2 | SN: 1001- KIT-FLAG: _- SCC: SERIALNO: 1001- |
|||
| ? | 175-61-51750 | Plate | 1 | SN: 1001- KIT-FLAG: _- SCC: SERIALNO: 1001- |
|||
| ? | 01010-81225 | Bolt | 2 | SN: 1001- KIT-FLAG: _- SCC: SERIALNO: 1001- |
|||
| ? | 01643-31232 | Washer | 2 | SN: 1001- KIT-FLAG: _- SCC: SERIALNO: 1001- |
|||
| ? | (207-62-24450) | Bracket | SN: - KIT-FLAG: _- SCC: SERIALNO: |
H1270-004001 | |||
| ? | (702-21-01920) | Valve Assembly | SN: - KIT-FLAG: _- SCC: SERIALNO: |
H1270-004002 |