| Номер на схеме | Каталожный номер | Название | Количество | Детали | |||
|---|---|---|---|---|---|---|---|
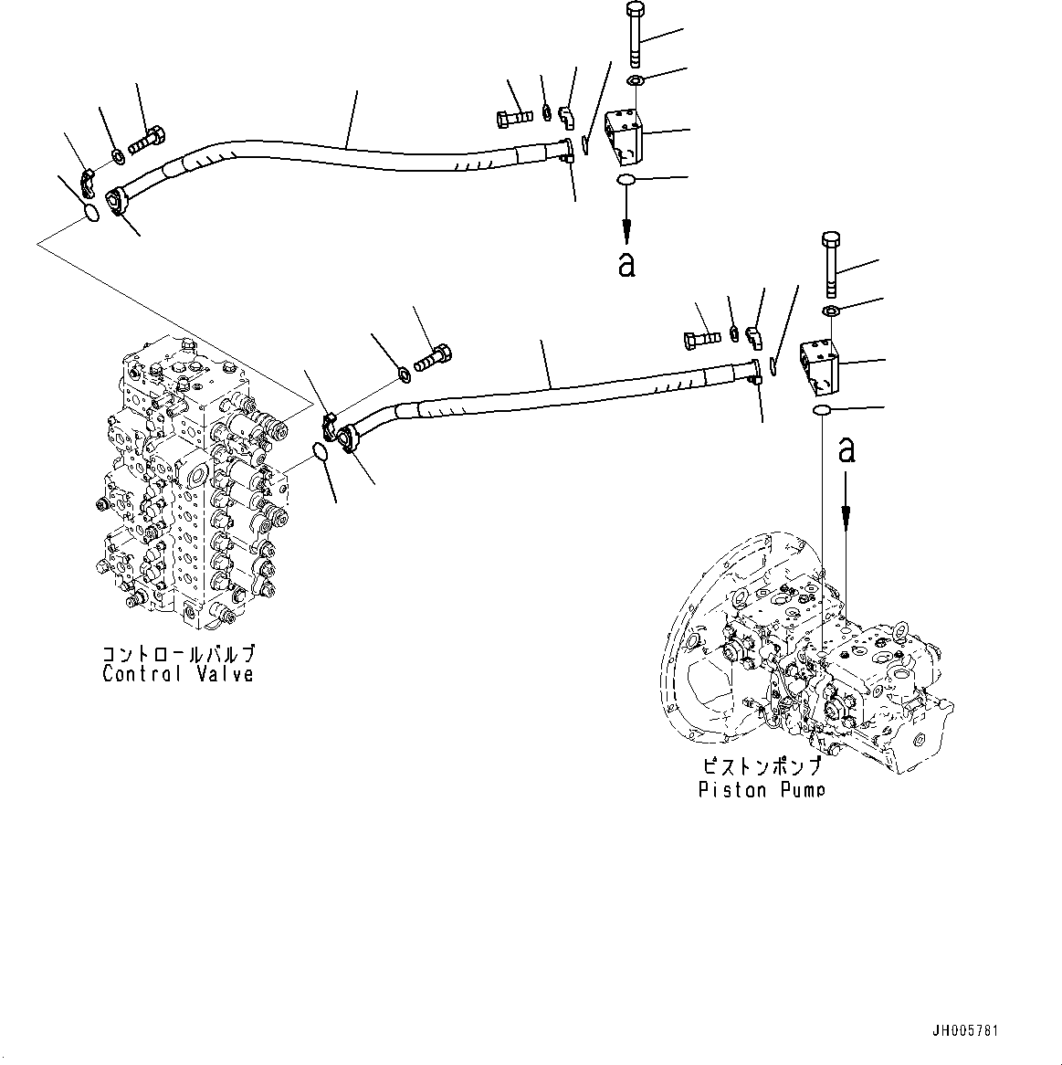
| ? | 208-62-71820 | Block | 2 | SN: 1001- KIT-FLAG: _- SCC: SERIALNO: 1001- |
|||
| ? | 07000-13035 | O-ring | 2 | SN: 1001- KIT-FLAG: _- SCC: SERIALNO: 1001- |
|||
| ? | 01011-81020 | Bolt | 8 | SN: 1001- KIT-FLAG: _- SCC: SERIALNO: 1001- |
|||
| ? | 01643-31032 | Washer | 8 | SN: 1001- KIT-FLAG: _- SCC: SERIALNO: 1001- |
|||
| ? | 07371-31049 | Flange, Split | 4 | SN: 1001- KIT-FLAG: _- SCC: SERIALNO: 1001- |
|||
| ? | 07372-21035 | Bolt | 8 | SN: 1001- KIT-FLAG: _- SCC: SERIALNO: 1001- |
|||
| ? | 01643-51032 | Washer | 8 | SN: 1001- KIT-FLAG: _- SCC: SERIALNO: 1001- |
|||
| ? | 207-62-21630 | Hose | 1 | SN: 1001- KIT-FLAG: _- SCC: SERIALNO: 1001- |
|||
| ? | 07000-13032 | O-ring | 2 | SN: 1001- KIT-FLAG: _- SCC: SERIALNO: 1001- |
|||
| ? | 207-62-21640 | Hose | 1 | SN: 1001- KIT-FLAG: _- SCC: SERIALNO: 1001- |
|||
| ? | 07000-13032 | O-ring | 2 | SN: 1001- KIT-FLAG: _- SCC: SERIALNO: 1001- |
|||
| ? | 07371-31049 | Flange, Split | 4 | SN: 1001- KIT-FLAG: _- SCC: SERIALNO: 1001- |
|||
| ? | 07372-21035 | Bolt | 8 | SN: 1001- KIT-FLAG: _- SCC: SERIALNO: 1001- |
|||
| ? | 01643-51032 | Washer | 8 | SN: 1001- KIT-FLAG: _- SCC: SERIALNO: 1001- |