| Номер на схеме | Каталожный номер | Название | Количество | Детали | |||
|---|---|---|---|---|---|---|---|
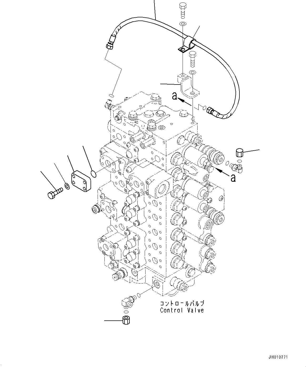
| ? | 207-62-56190 | Flange | 2 | SN: 1001- KIT-FLAG: _- SCC: SERIALNO: 1001- |
|||
| ? | 07000-13035 | O-ring | 2 | SN: 1001- KIT-FLAG: _- SCC: SERIALNO: 1001- |
|||
| ? | 07372-21040 | Bolt | 8 | SN: 1001- KIT-FLAG: _- SCC: SERIALNO: 1001- |
|||
| ? | 01643-51032 | Washer | 8 | SN: 1001- KIT-FLAG: _- SCC: SERIALNO: 1001- |
|||
| ? | 02789-00210 | Plug | 2 | SN: 1001- KIT-FLAG: _- SCC: SERIALNO: 1001- |
|||
| ? | 02740-00209 | Hose | 1 | SN: 1001- KIT-FLAG: _- SCC: SERIALNO: 1001- |
|||
| ? | 04434-52712 | Clip | 1 | SN: 1001- KIT-FLAG: _- SCC: SERIALNO: 1001- |
|||
| ? | (207-62-21520) | Bracket | SN: - KIT-FLAG: _- SCC: SERIALNO: |
H1831-001004 | |||
| ? | (207-62-21520) | Bracket | SN: - KIT-FLAG: _- SCC: SERIALNO: |
H1831-002004 |