| Номер на схеме | Каталожный номер | Название | Количество | Детали | |||
|---|---|---|---|---|---|---|---|
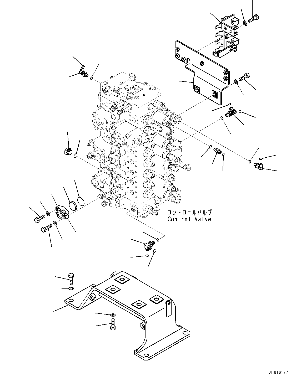
| ? | 207-62-41110 | Bracket | 1 | SN: 1001- KIT-FLAG: _- SCC: SERIALNO: 1001- |
|||
| ? | 421-70-11280 | Washer | 4 | SN: 1001- KIT-FLAG: _- SCC: SERIALNO: 1001- |
|||
| ? | 01010-81640 | Bolt | 4 | SN: 1001- KIT-FLAG: _- SCC: SERIALNO: 1001- |
|||
| ? | 01643-31645 | Washer | 4 | SN: 1001- KIT-FLAG: _- SCC: SERIALNO: 1001- |
|||
| ? | 01010-81645 | Bolt | 4 | SN: 1001- KIT-FLAG: _- SCC: SERIALNO: 1001- |
|||
| ? | 207-62-41121 | Bracket | 1 | SN: 1001- KIT-FLAG: _- SCC: SERIALNO: 1001- |
|||
| ? | 01643-31645 | Washer | 2 | SN: 1001- KIT-FLAG: _- SCC: SERIALNO: 1001- |
|||
| ? | 01010-81640 | Bolt | 2 | SN: 1001- KIT-FLAG: _- SCC: SERIALNO: 1001- |
|||
| ? | 208-62-41551 | Bracket | 1 | SN: 1001- KIT-FLAG: _- SCC: SERIALNO: 1001- |
|||
| ? | 01010-81235 | Bolt | 2 | SN: 1001- KIT-FLAG: _- SCC: SERIALNO: 1001- |
|||
| ? | 01643-31232 | Washer | 2 | SN: 1001- KIT-FLAG: _- SCC: SERIALNO: 1001- |
|||
| ? | 07371-31049 | Flange, Split | 4 | SN: 1001- KIT-FLAG: _- SCC: SERIALNO: 1001- |
|||
| ? | 07372-21035 | Bolt | 8 | SN: 1001- KIT-FLAG: _- SCC: SERIALNO: 1001- |
|||
| ? | 01643-51032 | Washer | 8 | SN: 1001- KIT-FLAG: _- SCC: SERIALNO: 1001- |
|||
| ? | 07378-11000 | Head | 2 | SN: 1001- KIT-FLAG: _- SCC: SERIALNO: 1001- |
|||
| ? | 07000-13032 | O-ring | 2 | SN: 1001- KIT-FLAG: _- SCC: SERIALNO: 1001- |
|||
| ? | 07040-12412 | Plug | 1 | SN: 1001- KIT-FLAG: _- SCC: SERIALNO: 1001- |
|||
| ? | 07002-12434 | O-ring | 1 | SN: 1001- KIT-FLAG: _- SCC: SERIALNO: 1001- |
|||
| ? | 11Y-62-12160 | Elbow | 2 | SN: 1001- KIT-FLAG: _- SCC: SERIALNO: 1001- |
|||
| ? | 02896-11008 | O-ring | 2 | SN: 1001- KIT-FLAG: _- SCC: SERIALNO: 1001- |
|||
| ? | 07002-11423 | O-ring | 2 | SN: 1001- KIT-FLAG: _- SCC: SERIALNO: 1001- |
|||
| ? | 20Y-62-45710 | Tee | 1 | SN: 1001- KIT-FLAG: _- SCC: SERIALNO: 1001- |
|||
| ? | 02896-11008 | O-ring | 1 | SN: 1001- KIT-FLAG: _- SCC: SERIALNO: 1001- |
|||
| ? | 02896-11009 | O-ring | 1 | SN: 1001- KIT-FLAG: _- SCC: SERIALNO: 1001- |
|||
| ? | 07002-11423 | O-ring | 1 | SN: 1001- KIT-FLAG: _- SCC: SERIALNO: 1001- |
|||
| ? | 11Y-62-12130 | Nipple | 1 | SN: 1001- KIT-FLAG: _- SCC: SERIALNO: 1001- |
|||
| ? | 02896-11008 | O-ring | 1 | SN: 1001- KIT-FLAG: _- SCC: SERIALNO: 1001- |
|||
| ? | 07002-11423 | O-ring | 1 | SN: 1001- KIT-FLAG: _- SCC: SERIALNO: 1001- |
|||
| ? | 20Y-62-87510 | Tee | 1 | SN: 1001- KIT-FLAG: _- SCC: SERIALNO: 1001- |
|||
| ? | 02896-11008 | O-ring | 1 | SN: 1001- KIT-FLAG: _- SCC: SERIALNO: 1001- |
|||
| ? | 02896-11009 | O-ring | 1 | SN: 1001- KIT-FLAG: _- SCC: SERIALNO: 1001- |
|||
| ? | 07002-11423 | O-ring | 1 | SN: 1001- KIT-FLAG: _- SCC: SERIALNO: 1001- |