| Номер на схеме | Каталожный номер | Название | Количество | Детали | |||
|---|---|---|---|---|---|---|---|
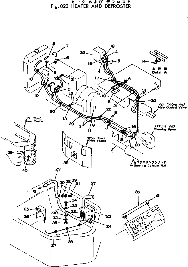
| ? | 385-10137821 | HEATER KIT,WITH DEFROSTER | 1 | SN: 10001- |
|||
| ? | 381-988165-1 | • VALVE,WATER | 1 | SN: 10001- |
|||
| ? | 381-982679-1 | • SEAL | 1 | SN: 10001- |
|||
| ? | 385-10068991 | • HOSE | 2 | SN: 10001- |
|||
| ? | 381-988152-1 | • HOSE | 2 | SN: 10001- |
|||
| ? | 381-988153-1 | • CONNECTOR | 2 | SN: 10001- |
|||
| ? | 381-978043-1 | • NIPPLE | 1 | SN: 10001- |
|||
| ? | 380-887257-1 | • TUBE | 1 | SN: 10001- |
|||
| ? | 381-988154-1 | • CONNECTOR | 1 | SN: 10001- |
|||
| ? | 380-886488-1 | • BRACKET | 3 | SN: 10001- |
|||
| ? | 381-299567-1 | • CLIP | 3 | SN: 10001- |
|||
| ? | 382-025228-1 | • NUT | 3 | SN: 10001- |
|||
| ? | 382-025533-1 | • WASHER | 3 | SN: 10001- |
|||
| ? | 382-025520-1 | • NUT | 3 | SN: 10001- |
|||
| ? | 381-299567-1 | • CLIP | 2 | SN: 10001- |
|||
| ? | 382-024840-1 | • BOLT | 1 | SN: 10001- |
|||
| ? | 382-025534-1 | • WASHER | 1 | SN: 10001- |
|||
| ? | 382-025522-1 | • NUT | 1 | SN: 10001- |
|||
| ? | 385-10094731 | • SPACER | 1 | SN: 10001- |
|||
| ? | 381-986752-1 | • CLAMP | 1 | SN: 10001- |
|||
| ? | 01010-51250 | • BOLT | 1 | SN: 10001- |
|||
| ? | 01641-01223 | • WASHER | 1 | SN: 10001- |
|||
| ? | 385-10119331 | • CLAMP | 2 | SN: 10001- |
|||
| ? | 382-024840-1 | • BOLT | 2 | SN: 10001- |
|||
| ? | 382-025544-1 | • WASHER | 2 | SN: 10001- |
|||
| ? | 385-10137831 | • CLAMP | 4 | SN: 10001- |
|||
| ? | 385-10162131 | • PAD | 4 | SN: 10001- |
|||
| ? | 382-024840-1 | • BOLT | 2 | SN: 10001- |
|||
| ? | 382-025534-1 | • WASHER | 4 | SN: 10001- |
|||
| ? | 382-025522-1 | • NUT | 2 | SN: 10001- |
|||
| ? | 382-122316-1 | • CLAMP | 10 | SN: 10001- |
|||
| ? | 381-986753-1 | • GROMMET | 1 | SN: 10001- |
|||
| ? | 385-10131342 | • COVER,(FOR 2-SPOOL) | 1 | SN: 10001- |
|||
| ? | 385-10095632 | • COVER,(FOR 3-SPOOL) | 1 | SN: 10001- |
|||
| ? | 385-10095642 | • HOLDER | 1 | SN: .- |
|||
| ? | □385-10095641 | • HOLDER | 1 | SN: 10001-. |
|||
| ? | 384-0132908 | • SCREW | 6 | SN: 10001- |
|||
| ? | 01601-20513 | • WASHER | 6 | SN: 10001- |
|||
| ? | 384-0120391 | • WASHER | 6 | SN: 10001- |
|||
| ? | 381-976197-1 | • STRAP | 6 | SN: 10001- |
|||
| ? | 381-981468-1 | • INSULATOR | 1 | SN: 10001- |
|||
| ? | 381-986748-2 | • HEATER UNIT | 1 | SN: .- |
|||
| ? | □381-986748-1 | • HEATER UNIT | 1 | SN: 10001-. |
|||
| ? | 381-988396-1 | • • BOLT | 3 | SN: 10001- |
|||
| ? | 01580-11008 | • • NUT | 9 | SN: 10001- |
|||
| ? | 01641-21016 | • • WASHER | 9 | SN: 10001- |
|||
| ? | 01602-21030 | • • WASHER | 3 | SN: 10001- |
|||
| ? | 385-10088441 | • BRACKET | 1 | SN: 10001- |
|||
| ? | 380-140483H | • BOLT | 3 | SN: 10001- |
|||
| ? | 382-025534-1 | • WASHER | 6 | SN: 10001- |
|||
| ? | 384-9413979 | • NUT | 3 | SN: 10001- |
|||
| ? | 381-986767-1 | • SWITCH | 1 | SN: 10001- |
|||
| ? | 380-885557-1 | • PLATE ? NAME,HEATER SWITCH | 1 | SN: 10001- |
|||
| ? | 385-10088521 | • WIRE | 1 | SN: 10001- |
|||
| ? | 380-136139-1 | • CLIP | 3 | SN: 10001- |
|||
| ? | 382-025653-1 | • BOLT | 3 | SN: 10001- |
|||
| ? | 384-0120638 | • WASHER | 3 | SN: 10001- |
|||
| ? | 382-025520-1 | • NUT | 3 | SN: 10001- |
|||
| ? | 385-10102501 | • HOSE ASS'Y | 1 | SN: 10001- |
|||
| ? | 385-10102491 | • • HOSE | 1 | SN: 10001- |
|||
| ? | 385-10075561 | • • CONNECTOR | 1 | SN: 10001- |
|||
| ? | 385-10102511 | • • CONNECTOR | 1 | SN: 10001- |
|||
| ? | 381-988172-1 | • CLAMP | 2 | SN: 10001- |
|||
| ? | 382-025653-1 | • BOLT | 1 | SN: 10001- |
|||
| ? | 384-0120638 | • WASHER | 2 | SN: 10001- |
|||
| ? | 382-025552-1 | • WASHER | 2 | SN: 10001- |
|||
| ? | 382-025493-1 | • BOLT | 1 | SN: 10001- |
|||
| ? | 382-025520-1 | • NUT | 1 | SN: 10001- |
|||
| ? | 384-10102462 | • TUBE | 1 | SN: 10001- |
|||
| ? | 382-025485-1 | • BOLT | 2 | SN: 10001- |
|||
| ? | 382-10088511 | • HOSE ASS'Y | 1 | SN: 10001- |
|||
| ? | 385-10088491 | • • HOSE | 1 | SN: 10001- |
|||
| ? | 385-10075591 | • • CONNECTOR | 2 | SN: 10001- |
|||
| ? | 385-10137851 | • PLATE,(MODIFIED PARTS) | 1 | SN: 10001- |
|||
| ? | 385-10137871 | • PLATE | 1 | SN: 10001- |
|||
| ? | 385-10137881 | • SUPPORT,(MODIFIED PARTS) | 1 | SN: 10001- |
