| Номер на схеме | Каталожный номер | Название | Количество | Детали | |||
|---|---|---|---|---|---|---|---|
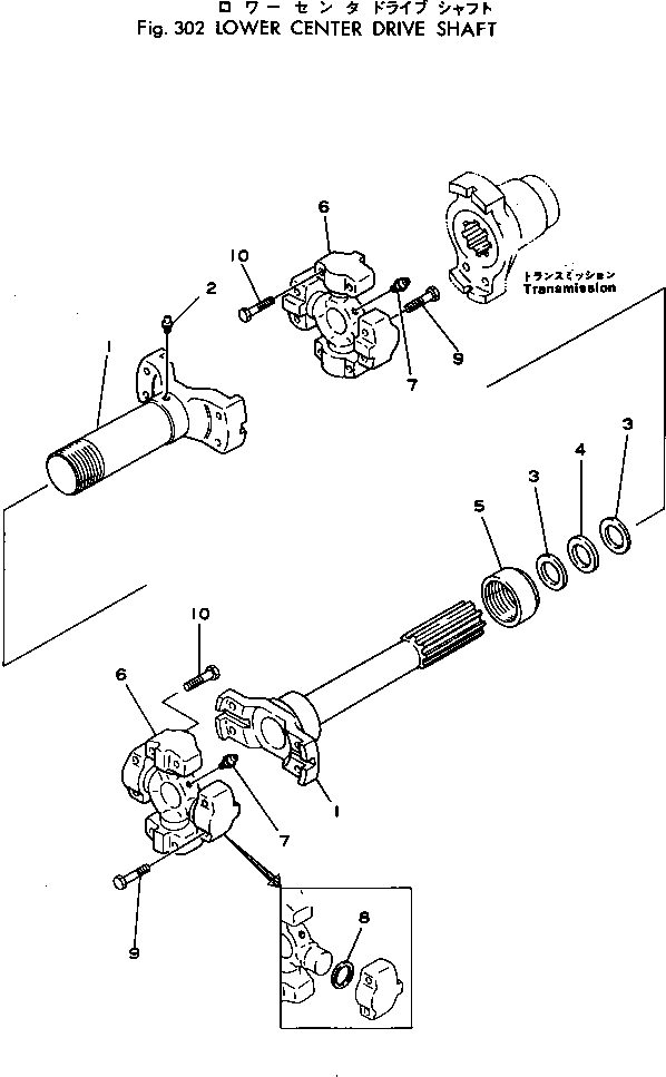
| ? | 385-10166271 | DRIVE SHAFT ASS'Y | 1 | SN: 10001- |
|||
| ? | 381-970787-1 | • YOKE ASS'Y | 1 | SN: 10001- |
|||
| ? | 384-0109461 | • • FITTING | 1 | SN: 10001- |
|||
| ? | 380-31438V-0 | • • WASHER | 2 | SN: 10001- |
|||
| ? | 380-135915-1 | • • WASHER | 1 | SN: 10001- |
|||
| ? | 380-31437V-0 | • • RETAINER | 1 | SN: 10001- |
|||
| ? | 385-10178571 | • SPIDER ASS'Y | 2 | SN: 10001- |
|||
| ? | 384-0109461 | • • FITTING | 1 | SN: 10001- |
|||
| ? | 382-305109-1 | • • GASKET | 4 | SN: 10001- |
|||
| ? | 380-120001-1 | • BOLT | 8 | SN: 10001- |
|||
| ? | 382-025705-1 | BOLT | 8 | SN: 10001- |
