k-part
Номер на схеме Каталожный номер Название Количество Детали
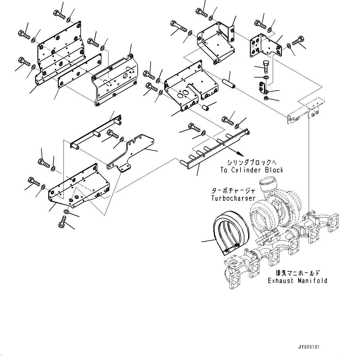
? 6261-11-7610 Cover, Heat Shield 1
SN: 630345-
KIT-FLAG: _-
SCC:
SERIALNO: 630345-
? 6261-11-9250 Cover, Heat Shield 1
SN: 630345-
KIT-FLAG: _-
SCC:
SERIALNO: 630345-
? 01010-81030 Bolt 3
SN: 630345-
KIT-FLAG: _-
SCC:
SERIALNO: 630345-
? 01643-31032 Washer 3
SN: 630345-
KIT-FLAG: _-
SCC:
SERIALNO: 630345-
? 01010-81025 Bolt 2
SN: 630345-
KIT-FLAG: _-
SCC:
SERIALNO: 630345-
? 01643-31032 Washer 2
SN: 630345-
KIT-FLAG: _-
SCC:
SERIALNO: 630345-
? 01010-81035 Bolt 3
SN: 630345-
KIT-FLAG: _-
SCC:
SERIALNO: 630345-
? 01643-31032 Washer 3
SN: 630345-
KIT-FLAG: _-
SCC:
SERIALNO: 630345-
? 6261-11-8120 Bracket 1
SN: 630345-
KIT-FLAG: _-
SCC:
SERIALNO: 630345-
? 01010-E1025 Bolt 4
SN: 630345-
KIT-FLAG: _-
SCC:
SERIALNO: 630345-
? 01643-31032 Washer 4
SN: 630345-
KIT-FLAG: _-
SCC:
SERIALNO: 630345-
? 6261-11-8130 Bracket 1
SN: 630345-
KIT-FLAG: _-
SCC:
SERIALNO: 630345-
? 01010-E1025 Bolt 2
SN: 630345-
KIT-FLAG: _-
SCC:
SERIALNO: 630345-
? 01643-31032 Washer 2
SN: 630345-
KIT-FLAG: _-
SCC:
SERIALNO: 630345-
? 6261-11-7650 Bracket 1
SN: 630345-
KIT-FLAG: _-
SCC:
SERIALNO: 630345-
? 6261-11-7621 Cover 1
SN: 630345-
KIT-FLAG: _-
SCC:
SERIALNO: 630345-
? 01010-81070 Bolt 3
SN: 630345-
KIT-FLAG: _-
SCC:
SERIALNO: 630345-
? 01643-31032 Washer 3
SN: 630345-
KIT-FLAG: _-
SCC:
SERIALNO: 630345-
? 01010-81025 Bolt 4
SN: 630345-
KIT-FLAG: _-
SCC:
SERIALNO: 630345-
? 01643-31032 Washer 4
SN: 630345-
KIT-FLAG: _-
SCC:
SERIALNO: 630345-
? 6261-11-8430 Cover, Turbocharger 1
SN: 630345-
KIT-FLAG: _-
SCC:
SERIALNO: 630345-
? 6261-11-8160 Cover, Heat Shield 1
SN: 630345-
KIT-FLAG: _-
SCC:
SERIALNO: 630345-
? 01010-81025 Bolt 3
SN: 630345-
KIT-FLAG: _-
SCC:
SERIALNO: 630345-
? 01643-31032 Washer 3
SN: 630345-
KIT-FLAG: _-
SCC:
SERIALNO: 630345-
? 6261-11-7670 Cover, Heat Shield 1
SN: 630345-
KIT-FLAG: _-
SCC:
SERIALNO: 630345-
? 01010-81025 Bolt 1
SN: 630345-
KIT-FLAG: _-
SCC:
SERIALNO: 630345-
? 01643-31032 Washer 1
SN: 630345-
KIT-FLAG: _-
SCC:
SERIALNO: 630345-
? 01010-81030 Bolt 2
SN: 630345-
KIT-FLAG: _-
SCC:
SERIALNO: 630345-
? 01643-31032 Washer 2
SN: 630345-
KIT-FLAG: _-
SCC:
SERIALNO: 630345-
? 01010-81060 Bolt 1
SN: 630345-
KIT-FLAG: _-
SCC:
SERIALNO: 630345-
? 01643-31032 Washer 1
SN: 630345-
KIT-FLAG: _-
SCC:
SERIALNO: 630345-
? 6144-11-5630 Spacer 1
SN: 630345-
KIT-FLAG: _-
SCC:
SERIALNO: 630345-
? 01011-81015 Bolt 1
SN: 630345-
KIT-FLAG: _-
SCC:
SERIALNO: 630345-
? 6215-71-6190 Spacer 1
SN: 630345-
KIT-FLAG: _-
SCC:
SERIALNO: 630345-
? 01643-31032 Washer 1
SN: 630345-
KIT-FLAG: _-
SCC:
SERIALNO: 630345-
? 6261-11-8880 Cover 1
SN: 630345-
KIT-FLAG: _-
SCC:
SERIALNO: 630345-
? 01010-81025 Bolt 4
SN: 630345-
KIT-FLAG: _-
SCC:
SERIALNO: 630345-
? 01643-31032 Washer 4
SN: 630345-
KIT-FLAG: _-
SCC:
SERIALNO: 630345-
? 6261-11-7680 Bracket 1
SN: 630345-
KIT-FLAG: _-
SCC:
SERIALNO: 630345-
? 01010-81025 Bolt 2
SN: 630345-
KIT-FLAG: _-
SCC:
SERIALNO: 630345-
? 01643-31032 Washer 2
SN: 630345-
KIT-FLAG: _-
SCC:
SERIALNO: 630345-
? 01010-81045 Bolt 1
SN: 630345-
KIT-FLAG: _-
SCC:
SERIALNO: 630345-
? 01643-31032 Washer 1
SN: 630345-
KIT-FLAG: _-
SCC:
SERIALNO: 630345-
? 6261-11-8490 Bracket 1
SN: 630345-
KIT-FLAG: _-
SCC:
SERIALNO: 630345-
? 01010-81040 Bolt 1
SN: 630345-
KIT-FLAG: _-
SCC:
SERIALNO: 630345-
? 01643-31032 Washer 1
SN: 630345-
KIT-FLAG: _-
SCC:
SERIALNO: 630345-
? 6132-21-4630 Spacer 1
SN: 630345-
KIT-FLAG: _-
SCC:
SERIALNO: 630345-

Engines Komatsu / SAA6D140E-5AR S/N 630345-UP (For WA500-6R)(0000359c) / Heat Shield (#630345-)(A008001 : A1570-001001)
?
?
?
?
?
?
?
?
?
?
?
?
?
?
?
?
?
?
?
?
?
?
?
?
?
?
?
?
?
?
?
?
?
?
?
?
?
?
?
?
?
?
?
?
?
?
?
?
?