k-part
Номер на схеме Каталожный номер Название Количество Детали
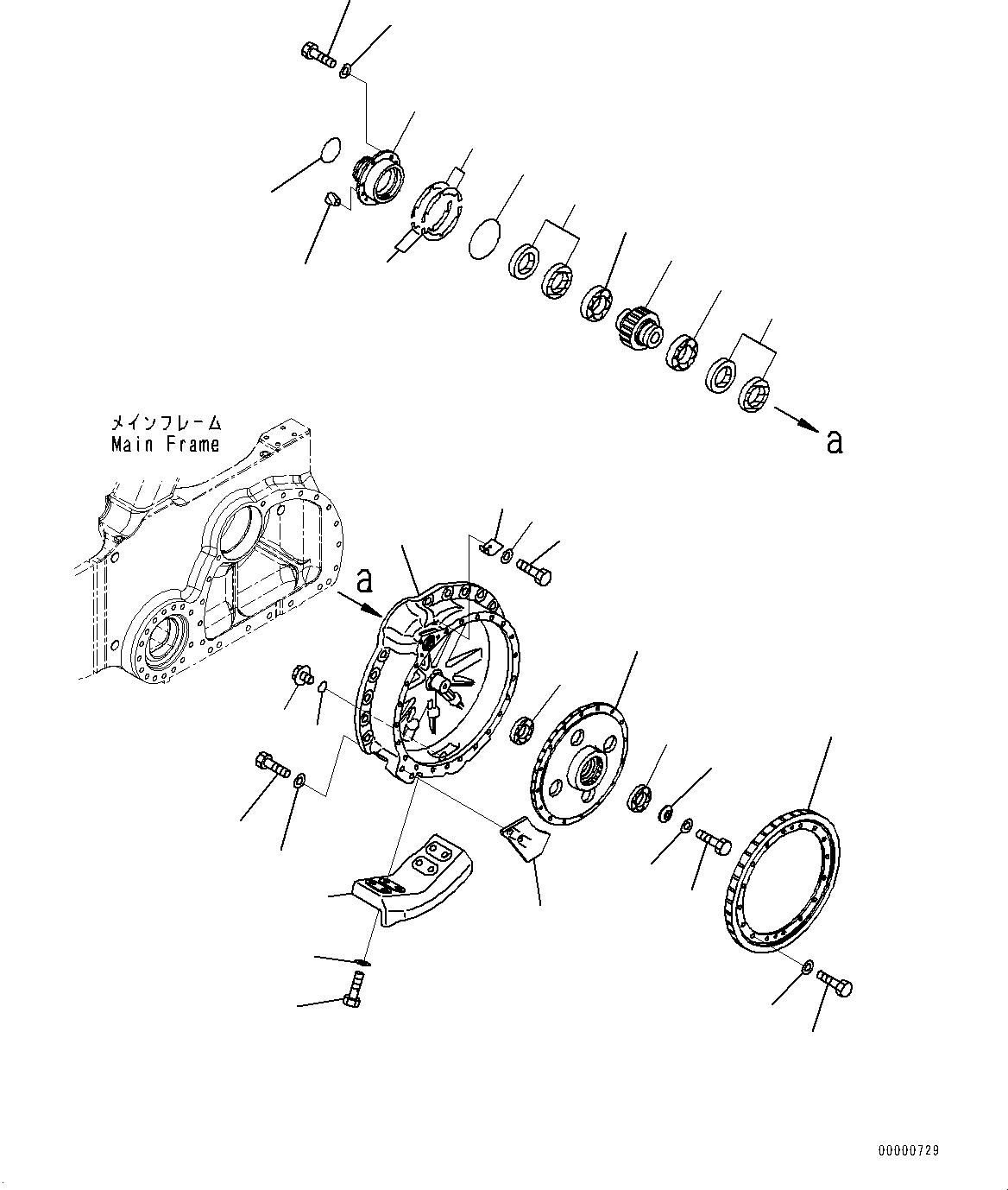
? 154-27-00353 Final Drive 1
SN: 11609-
KIT-FLAG: _-
SCC:
SERIALNO: 11609-
? 154-27-72111 • Case,L.H. 1
SN: 11609-
KIT-FLAG: _-
SCC:
SERIALNO: 11609-
? 17A-27-11371 • Plate,L.H. 1
SN: 11609-
KIT-FLAG: _-
SCC:
SERIALNO: 11609-
? 01010-81020 • Bolt 2
SN: 11609-
KIT-FLAG: _-
SCC:
SERIALNO: 11609-
? 01643-31032 • Washer 2
SN: 11609-
KIT-FLAG: _-
SCC:
SERIALNO: 11609-
? 07044-13620 • Plug 1
SN: 11609-
KIT-FLAG: _-
SCC:
SERIALNO: 11609-
? 07002-13634 • O-ring 1
SN: 11609-
KIT-FLAG: _-
SCC:
SERIALNO: 11609-
? 154-27-71611 • Guard,L.H. 1
SN: 11609-
KIT-FLAG: _-
SCC:
SERIALNO: 11609-
? 01010-82055 • Bolt 8
SN: 11609-
KIT-FLAG: _-
SCC:
SERIALNO: 11609-
? 01643-32060 • Washer 8
SN: 11609-
KIT-FLAG: _-
SCC:
SERIALNO: 11609-
? 154-30-71280 • Plate,L.H. 1
SN: 11609-
KIT-FLAG: _-
SCC:
SERIALNO: 11609-
? 01010-82055 • Bolt 2
SN: 11609-
KIT-FLAG: _-
SCC:
SERIALNO: 11609-
? 01643-32060 • Washer 2
SN: 11609-
KIT-FLAG: _-
SCC:
SERIALNO: 11609-
? 154-27-71410 • Cage 1
SN: 11609-
KIT-FLAG: _-
SCC:
SERIALNO: 11609-
? 07049-01215 • Plug 2
SN: 11609-
KIT-FLAG: _-
SCC:
SERIALNO: 11609-
? 01010-81235 • Bolt 6
SN: 11609-
KIT-FLAG: _-
SCC:
SERIALNO: 11609-
? 01643-31232 • Washer 6
SN: 11609-
KIT-FLAG: _-
SCC:
SERIALNO: 11609-
? 07000-15105 • O-ring 1
SN: 11609-
KIT-FLAG: _-
SCC:
SERIALNO: 11609-
? 07000-15145 • O-ring 1
SN: 11609-
KIT-FLAG: _-
SCC:
SERIALNO: 11609-
? 154-27-00381 • Shim Assembly 1
SN: 11609-
KIT-FLAG: _-
SCC:
SERIALNO: 11609-
? • • Shim, T=1.0mm 6
SN: 11609-
KIT-FLAG: _-
SCC: C1
SERIALNO: 11609-
? • • Shim, T=0.5mm 2
SN: 11609-
KIT-FLAG: _-
SCC: C1
SERIALNO: 11609-
? • • Shim, L=0.15mm 18
SN: 11609-
KIT-FLAG: _-
SCC: C1
SERIALNO: 11609-
? 154-09-71210 • Seal, Oil 2
SN: 11609-
KIT-FLAG: _-
SCC:
SERIALNO: 11609-
? 154-09-71110 • Bearing 2
SN: 11609-
KIT-FLAG: _-
SCC:
SERIALNO: 11609-
? 154-27-71210 • Gear 1
SN: 11609-
KIT-FLAG: _-
SCC:
SERIALNO: 11609-
? 154-09-71120 • Bearing 1
SN: 11609-
KIT-FLAG: _-
SCC:
SERIALNO: 11609-
? 154-27-72331 • Holder 1
SN: 11609-
KIT-FLAG: _-
SCC:
SERIALNO: 11609-
? 01010-81645 • Bolt 1
SN: 11609-
KIT-FLAG: _-
SCC:
SERIALNO: 11609-
? 01643-31645 • Washer 1
SN: 11609-
KIT-FLAG: _-
SCC:
SERIALNO: 11609-
? 154-27-72231 • Hub 1
SN: 11609-
KIT-FLAG: _-
SCC:
SERIALNO: 11609-
? 154-27-72220 • Gear 1
SN: 11609-
KIT-FLAG: _-
SCC:
SERIALNO: 11609-
? 01010-81645 • Bolt 16
SN: 11609-
KIT-FLAG: _-
SCC:
SERIALNO: 11609-
? 01643-31645 • Washer 16
SN: 11609-
KIT-FLAG: _-
SCC:
SERIALNO: 11609-

Bulldozers Komatsu / D85EX-15E0 S/N 11609-UP (ecot3, For EU)(0000344c) / Final Drive, Final Gear Case L.H. (#11609-)(F004002 : F2380-001002)
?
?
?
?
?
?
?
?
?
?
?
?
?
?
?
?
?
?
?
?
?
?
?
?
?
?
?
?
?
?
?
?
?
?