k-part
Номер на схеме Каталожный номер Название Количество Детали
? 154-22-60020 Power Train Assembly 1
SN: 11609-
KIT-FLAG: _-
SCC:
SERIALNO: 11609-
? 154-15-61002 • Transmission Assembly 1
SN: 11609-
KIT-FLAG: _-
SCC:
SERIALNO: 11609-
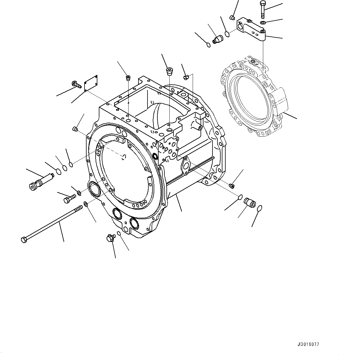
? 154-15-00260 • • Case Assembly 1
SN: 11609-
KIT-FLAG: _-
SCC:
SERIALNO: 11609-
? • • • Case 1
SN: 11609-
KIT-FLAG: _-
SCC: C1
SERIALNO: 11609-
? 07043-70617 • • • Plug 2
SN: 11609-
KIT-FLAG: _-
SCC:
SERIALNO: 11609-
? 07043-70415 • • • Plug 2
SN: 11609-
KIT-FLAG: _-
SCC:
SERIALNO: 11609-
? 07049-02025 • • Plug 6
SN: 11609-
KIT-FLAG: _-
SCC:
SERIALNO: 11609-
? 07044-12412 • • Plug 1
SN: 11609-
KIT-FLAG: _-
SCC:
SERIALNO: 11609-
? 07002-02434 • • O-ring, (Kit : K02) 1
SN: 11609-
KIT-FLAG: _-
SCC:
SERIALNO: 11609-
? (09608-05080) • • Plate, Name (Limited Supply) 1
SN: 11609-
KIT-FLAG: _-
SCC: C2
SERIALNO: 11609-
? 04418-13060 • • Screw 4
SN: 11609-
KIT-FLAG: _-
SCC:
SERIALNO: 11609-
? 14X-15-25160 • • Sleeve 1
SN: 11609-
KIT-FLAG: _-
SCC:
SERIALNO: 11609-
? 07000-72014 • • O-ring, (Kit : K02) 1
SN: 11609-
KIT-FLAG: _-
SCC:
SERIALNO: 11609-
? 07000-73025 • • O-ring, (Kit : K02) 1
SN: 11609-
KIT-FLAG: _-
SCC:
SERIALNO: 11609-
? 07000-73028 • • O-ring, (Kit : K02) 1
SN: 11609-
KIT-FLAG: _-
SCC:
SERIALNO: 11609-
? 14X-15-25140 • • Block 1
SN: 11609-
KIT-FLAG: _-
SCC:
SERIALNO: 11609-
? 07043-70312 • • Plug 1
SN: 11609-
KIT-FLAG: _-
SCC:
SERIALNO: 11609-
? 01010-81065 • • Bolt 2
SN: 11609-
KIT-FLAG: _-
SCC:
SERIALNO: 11609-
? 01643-31032 • • Washer 2
SN: 11609-
KIT-FLAG: _-
SCC:
SERIALNO: 11609-
? 17M-15-45190 • • Sleeve 1
SN: 11609-
KIT-FLAG: _-
SCC:
SERIALNO: 11609-
? 07000-73022 • • O-ring, (Kit : K02) 1
SN: 11609-
KIT-FLAG: _-
SCC:
SERIALNO: 11609-
? 07000-72014 • • O-ring, (Kit : K02) 1
SN: 11609-
KIT-FLAG: _-
SCC:
SERIALNO: 11609-
? 14X-15-14150 • • Sleeve 1
SN: 11609-
KIT-FLAG: _-
SCC:
SERIALNO: 11609-
? 07000-73022 • • O-ring, (Kit : K02) 1
SN: 11609-
KIT-FLAG: _-
SCC:
SERIALNO: 11609-
? 07000-73025 • • O-ring, (Kit : K02) 1
SN: 11609-
KIT-FLAG: _-
SCC:
SERIALNO: 11609-
? 232-15-11240 • • Bolt 9
SN: 11609-
KIT-FLAG: _-
SCC:
SERIALNO: 11609-
? 01010-61440 • • Bolt 2
SN: 11609-
KIT-FLAG: _-
SCC:
SERIALNO: 11609-
? 145-14-11571 • • Washer 11
SN: 11609-
KIT-FLAG: _-
SCC:
SERIALNO: 11609-
? (154-15-61151) Housing
SN: -
KIT-FLAG: _-
SCC:
SERIALNO:
F2300-006007

Bulldozers Komatsu / D85EX-15E0 S/N 11609-UP (ecot3, For EU)(0000344c) / Power Train, Transmission Case (#11609-)(F003011 : F2300-006011)
?
?
?
?
?
?
?
?
?
?
?
?
?
?
?
?
?
?
?
?
?
?
?
?
?
?
?
?
?