k-part
Номер на схеме Каталожный номер Название Количество Детали
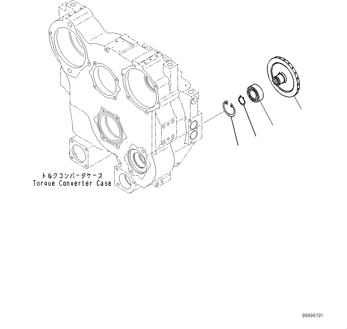
? 154-22-60020 Power Train Assembly 1
SN: 11609-
KIT-FLAG: _-
SCC:
SERIALNO: 11609-
? 154-13-61001 • Torque Converter Assembly 1
SN: 11609-
KIT-FLAG: _-
SCC:
SERIALNO: 11609-
? 154-13-64110 • • Gear 1
SN: 11609-
KIT-FLAG: _-
SCC:
SERIALNO: 11609-
? 06030-05209 • • Bearing 1
SN: 11609-
KIT-FLAG: _-
SCC:
SERIALNO: 11609-
? 04065-08530 • • Ring, Snap 1
SN: 11609-
KIT-FLAG: _-
SCC:
SERIALNO: 11609-
? 04064-04518 • • Ring, Snap 1
SN: 11609-
KIT-FLAG: _-
SCC:
SERIALNO: 11609-

Bulldozers Komatsu / D85EX-15E0 S/N 11609-UP (ecot3, For EU)(0000344c) / Power Train, Scavenging Pump (#11609-)(F003003 : F2300-006003)
?
?
?
?