| Номер на схеме | Каталожный номер | Название | Количество | Детали | |||
|---|---|---|---|---|---|---|---|
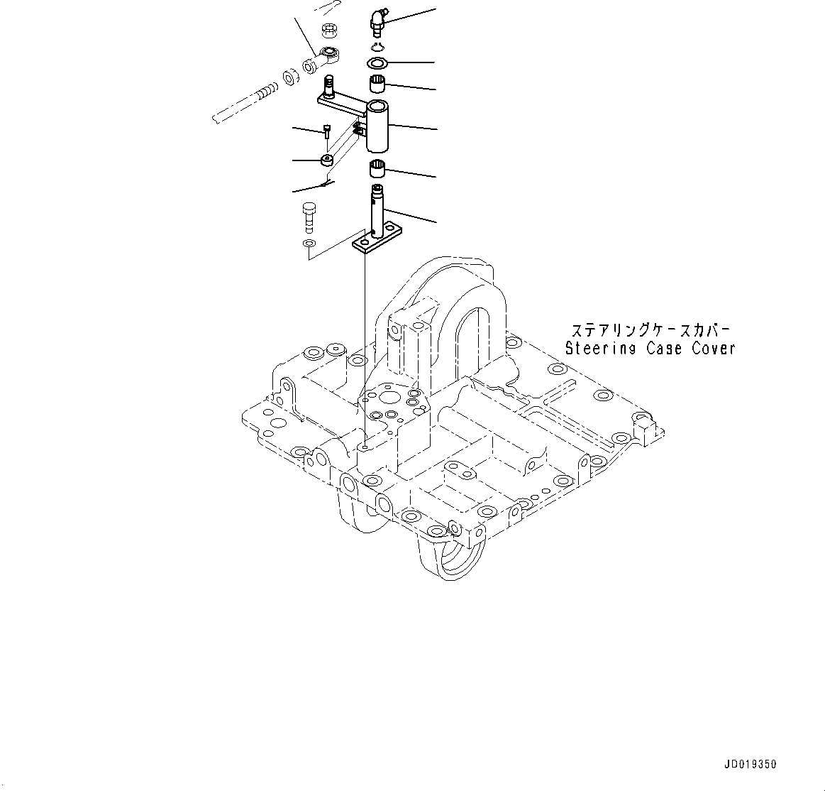
| ? | 154-22-60000 | Power Train Assembly | 1 | SN: 11609- KIT-FLAG: _- SCC: SERIALNO: 11609- |
|||
| ? | 154-22-61001 | • Steering Assembly | 1 | SN: 11609- KIT-FLAG: _- SCC: SERIALNO: 11609- |
|||
| ? | 14Z-43-12421 | • • Shaft | 1 | SN: 11609- KIT-FLAG: _- SCC: SERIALNO: 11609- |
|||
| ? | 07020-00900 | • • Fitting, Grease | 1 | SN: 11609- KIT-FLAG: _- SCC: SERIALNO: 11609- |
|||
| ? | 14Z-43-12411 | • • Lever | 1 | SN: 11609- KIT-FLAG: _- SCC: SERIALNO: 11609- |
|||
| ? | 06124-02020 | • • Bearing | 2 | SN: 11609- KIT-FLAG: _- SCC: SERIALNO: 11609- |
|||
| ? | 01643-31845 | • • Washer | 1 | SN: 11609- KIT-FLAG: _- SCC: SERIALNO: 11609- |
|||
| ? | 103-43-21380 | • • Roller | 1 | SN: 11609- KIT-FLAG: _- SCC: SERIALNO: 11609- |
|||
| ? | 103-43-21390 | • • Pin | 1 | SN: 11609- KIT-FLAG: _- SCC: SERIALNO: 11609- |
|||
| ? | 04050-11610 | • • Pin, Cotter | 1 | SN: 11609- KIT-FLAG: _- SCC: SERIALNO: 11609- |
|||
| ? | (04250-81474) | End | SN: - KIT-FLAG: _- SCC: SERIALNO: |
F2820-001001 |