k-part
Номер на схеме Каталожный номер Название Количество Детали
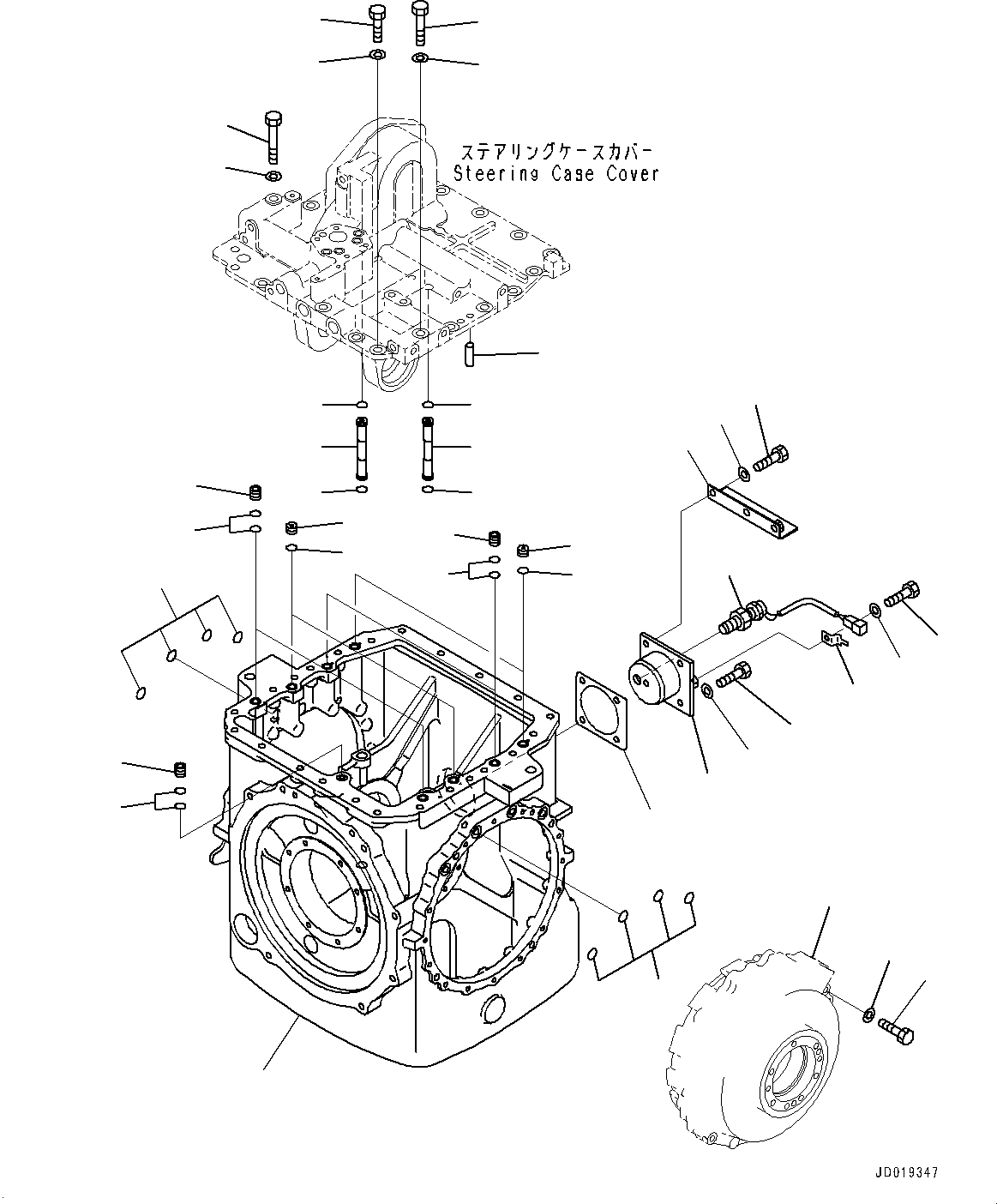
? 154-22-60000 Power Train Assembly 1
SN: 11609-
KIT-FLAG: _-
SCC:
SERIALNO: 11609-
? 154-22-61001 • Steering Assembly 1
SN: 11609-
KIT-FLAG: _-
SCC:
SERIALNO: 11609-
? 154-22-25112 • • Case 1
SN: (00102259-
KIT-FLAG: _-
SCC:
SERIALNO: (00102259)-
? 154-22-25111 • • Case 1
SN: 11609-(00102258
KIT-FLAG: _-
SCC:
SERIALNO: 11609-(00102258)
? 154-22-25160 • • Cover 1
SN: 11609-
KIT-FLAG: _-
SCC:
SERIALNO: 11609-
? 154-22-25170 • • Gasket 1
SN: 11609-
KIT-FLAG: _-
SCC:
SERIALNO: 11609-
? 01010-81230 • • Bolt 4
SN: 11609-
KIT-FLAG: _-
SCC:
SERIALNO: 11609-
? 01643-31232 • • Washer 4
SN: 11609-
KIT-FLAG: _-
SCC:
SERIALNO: 11609-
? 07000-73022 • • O-ring 8
SN: 11609-
KIT-FLAG: _-
SCC:
SERIALNO: 11609-
? 01010-81255 • • Bolt 32
SN: 11609-
KIT-FLAG: _-
SCC:
SERIALNO: 11609-
? 01643-31232 • • Washer 32
SN: 11609-
KIT-FLAG: _-
SCC:
SERIALNO: 11609-
? 04020-01434 • • Pin, Dowel 2
SN: 11609-
KIT-FLAG: _-
SCC:
SERIALNO: 11609-
? 01010-61645 • • Bolt 15
SN: 11609-
KIT-FLAG: _-
SCC:
SERIALNO: 11609-
? 01010-61670 • • Bolt 3
SN: 11609-
KIT-FLAG: _-
SCC:
SERIALNO: 11609-
? 01011-61615 • • Bolt 1
SN: 11609-
KIT-FLAG: _-
SCC:
SERIALNO: 11609-
? 01643-31645 • • Washer 19
SN: 11609-
KIT-FLAG: _-
SCC:
SERIALNO: 11609-
? 134-22-66140 • • Sleeve 4
SN: 11609-
KIT-FLAG: _-
SCC:
SERIALNO: 11609-
? 14X-22-16170 • • Sleeve 5
SN: 11609-
KIT-FLAG: _-
SCC:
SERIALNO: 11609-
? 07000-72018 • • O-ring 14
SN: 11609-
KIT-FLAG: _-
SCC:
SERIALNO: 11609-
? 14Y-22-26180 • • Tube 2
SN: 11609-
KIT-FLAG: _-
SCC:
SERIALNO: 11609-
? 07000-72018 • • O-ring 4
SN: 11609-
KIT-FLAG: _-
SCC:
SERIALNO: 11609-
? 7861-93-2330 • • Sensor, Magnetic Pick-Up,Engine Speed 1
SN: 11609-
KIT-FLAG: _-
SCC:
SERIALNO: 11609-
? 08193-20012 • • Clip 1
SN: 11609-
KIT-FLAG: _-
SCC:
SERIALNO: 11609-
? 01010-81220 • • Bolt 1
SN: 11609-
KIT-FLAG: _-
SCC:
SERIALNO: 11609-
? 01643-31232 • • Washer 1
SN: 11609-
KIT-FLAG: _-
SCC:
SERIALNO: 11609-
? 154-22-25190 • • Bracket 1
SN: 11609-
KIT-FLAG: _-
SCC:
SERIALNO: 11609-
? (14Y-22-55120) Cover
SN: -
KIT-FLAG: _-
SCC:
SERIALNO:
F2300-005019

Bulldozers Komatsu / D85EX-15E0 S/N 11609-UP (ecot3, For EU)(0000344c) / Power Train, Case (#11609-)(F002021 : F2300-005021)
?
?
?
?
?
?
?
?
?
?
?
?
?
?
?
?
?
?
?
?
?
?
?
?
?
?
?
?
?
?
?
?
?
?
?
?
?
?
?
?