k-part
Номер на схеме Каталожный номер Название Количество Детали
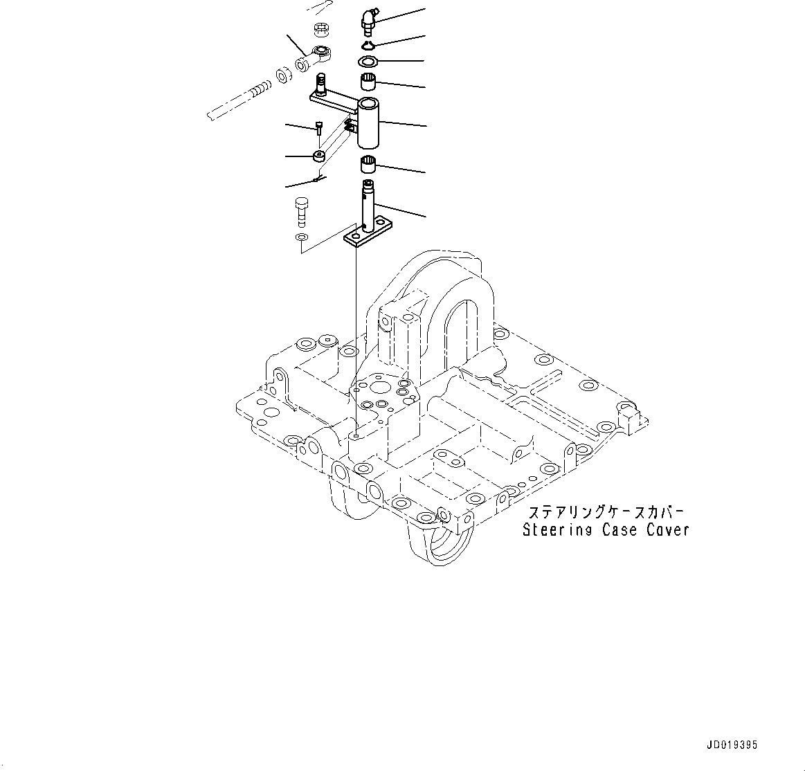
? 154-22-60020 Power Train Assembly 1
SN: 11609-
KIT-FLAG: _-
SCC:
SERIALNO: 11609-
? 154-22-61020 • Steering Assembly 1
SN: 11609-
KIT-FLAG: _-
SCC:
SERIALNO: 11609-
? 14Z-43-12421 • • Shaft 1
SN: 11609-
KIT-FLAG: _-
SCC:
SERIALNO: 11609-
? 07020-00900 • • Fitting, Grease 1
SN: 11609-
KIT-FLAG: _-
SCC:
SERIALNO: 11609-
? 14Z-43-12411 • • Lever 1
SN: 11609-
KIT-FLAG: _-
SCC:
SERIALNO: 11609-
? 06124-02020 • • Bearing 2
SN: 11609-
KIT-FLAG: _-
SCC:
SERIALNO: 11609-
? 01643-31845 • • Washer 1
SN: 11609-
KIT-FLAG: _-
SCC:
SERIALNO: 11609-
? 103-43-21380 • • Roller 1
SN: 11609-
KIT-FLAG: _-
SCC:
SERIALNO: 11609-
? 103-43-21390 • • Pin 1
SN: 11609-
KIT-FLAG: _-
SCC:
SERIALNO: 11609-
? 04050-11610 • • Pin, Cotter 1
SN: 11609-
KIT-FLAG: _-
SCC:
SERIALNO: 11609-
? 04064-01812 • • Ring, Snap, for Shaft Side 1
SN: 11609-
KIT-FLAG: _-
SCC:
SERIALNO: 11609-
? (04250-81474) End
SN: -
KIT-FLAG: _-
SCC:
SERIALNO:
F2820-001001

Bulldozers Komatsu / D85EX-15E0 S/N 11609-UP (ecot3)(0000343c) / Power Train, Steering Case Cover Related Parts (#11609-)(F003023 : F2300-006023)
?
?
?
?
?
?
?
?
?
?
?