k-part
Номер на схеме Каталожный номер Название Количество Детали
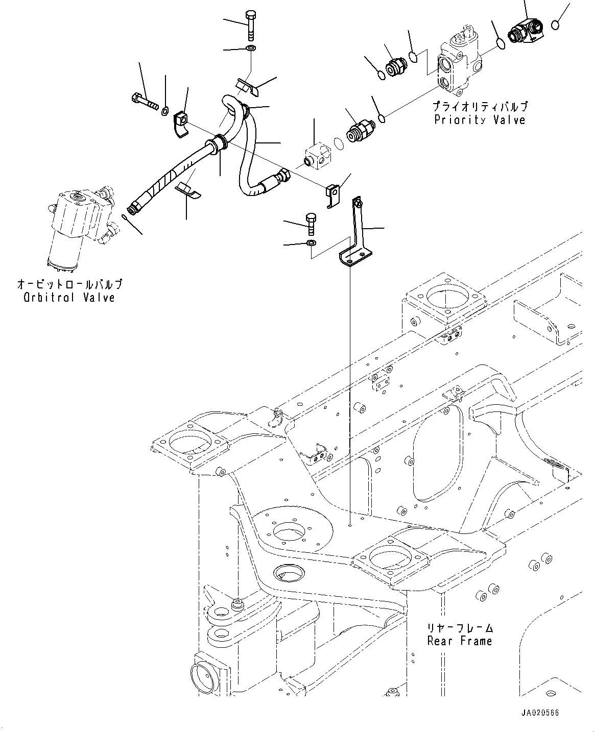
? 418-62-32172 Nipple 1
SN: 70452-
KIT-FLAG: _-
SCC:
SERIALNO: 70452-
? 418-62-11630 O-ring 2
SN: 70452-
KIT-FLAG: _-
SCC:
SERIALNO: 70452-
? 419-62-31542 Elbow 1
SN: 70452-
KIT-FLAG: _-
SCC:
SERIALNO: 70452-
? 11Y-62-11980 O-ring 2
SN: 70452-
KIT-FLAG: _-
SCC:
SERIALNO: 70452-
? 419-62-48312 Hose 1
SN: 70452-
KIT-FLAG: _-
SCC:
SERIALNO: 70452-
? 02896-11015 • O-ring 1
SN: 70452-
KIT-FLAG: _-
SCC:
SERIALNO: 70452-
? 419-62-31840 Valve, Check 1
SN: 70452-
KIT-FLAG: _-
SCC:
SERIALNO: 70452-
? 418-62-11620 O-ring 1
SN: 70452-
KIT-FLAG: _-
SCC:
SERIALNO: 70452-
? 07094-10518 Clamp 4
SN: 70452-
KIT-FLAG: _-
SCC:
SERIALNO: 70452-
? 07095-00523 Cushion 2
SN: 70452-
KIT-FLAG: _-
SCC:
SERIALNO: 70452-
? 01010-81270 Bolt 2
SN: 70452-
KIT-FLAG: _-
SCC:
SERIALNO: 70452-
? 01643-31232 Washer 2
SN: 70452-
KIT-FLAG: _-
SCC:
SERIALNO: 70452-
? 419-62-41170 Bracket 1
SN: 70452-
KIT-FLAG: _-
SCC:
SERIALNO: 70452-
? 01010-81025 Bolt 2
SN: 70452-
KIT-FLAG: _-
SCC:
SERIALNO: 70452-
? 01643-31032 Washer 2
SN: 70452-
KIT-FLAG: _-
SCC:
SERIALNO: 70452-

Wheel Loaders Komatsu / WA320PZ-6 S/N 70452-UP (For EU)(0000339c) / Steering Control Valve, Drain Piping (#70452-)(H005003 : H0122-003003)
?
?
?
?
?
?
?
?
?
?
?
?
?
?
?
?
?
?
?
?
?
?
?