| Номер на схеме | Каталожный номер | Название | Количество | Детали | |||
|---|---|---|---|---|---|---|---|
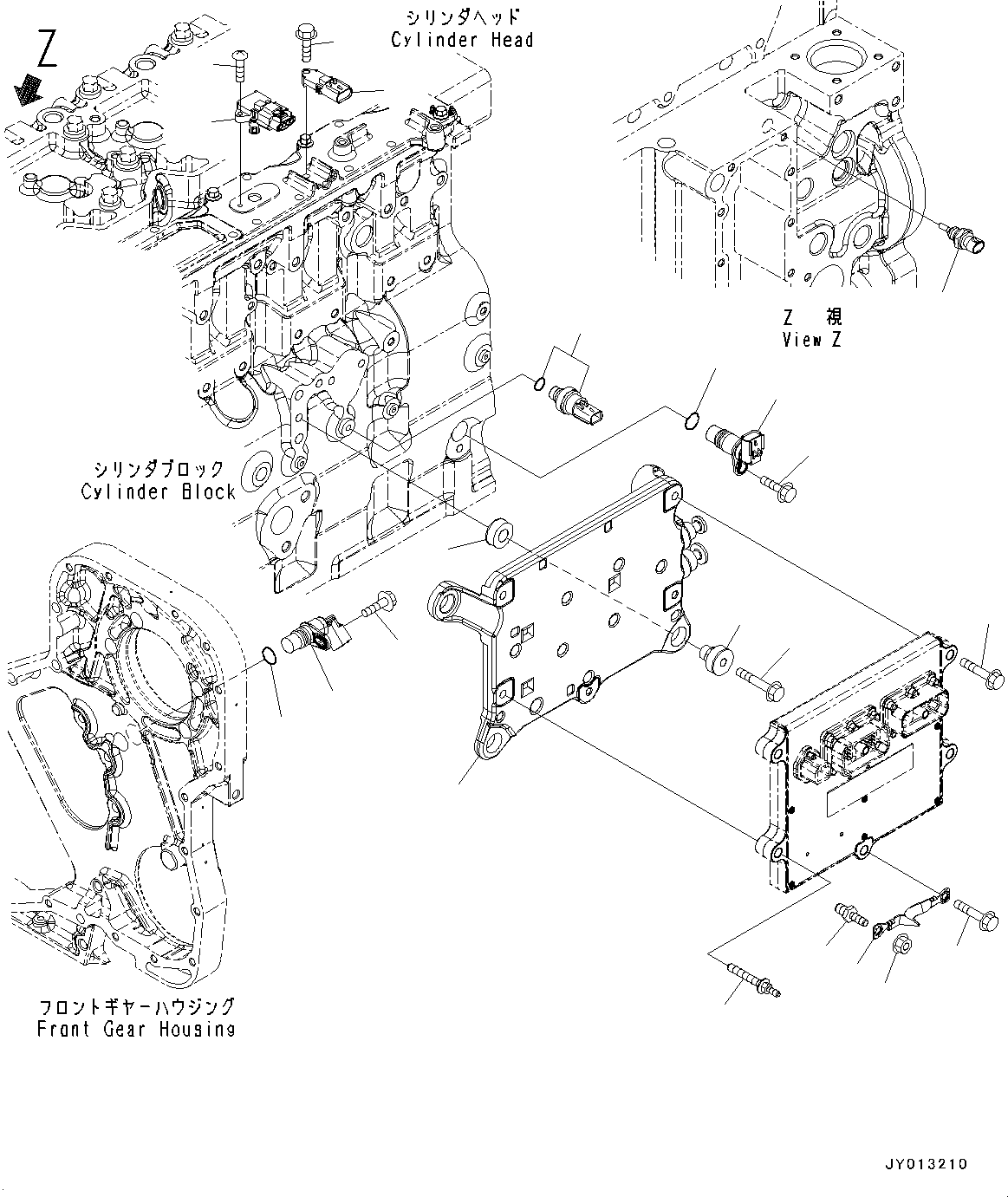
| ? | 6271-81-9201 | Sensor, Revolution | 1 | SN: 26858931- KIT-FLAG: _- SCC: ; SERIALNO: ; 26858931- |
|||
| ? | 6271-81-9200 | Sensor | 1 | SN: 26856759-26858930 KIT-FLAG: _- SCC: A2; C1 SERIALNO: 26856759-26858930; 26856759- |
|||
| ? | • Sensor Assembly, position | 1 | SN: 26856759- KIT-FLAG: _- SCC: ; SERIALNO: 26856759-; 26859480- |
||||
| ? | 6271-81-9220 | • O-ring | 1 | SN: 26856759- KIT-FLAG: S- SCC: A2; C1 SERIALNO: 26856759-26859479; 26856759- |
|||
| ? | 6261-81-2902 | Sensor Assembly | 1 | SN: 26859480- KIT-FLAG: _- SCC: ; SERIALNO: 26856759-; 26856759- |
|||
| ? | 6261-81-2901 | Sensor Assembly, Speed | 1 | SN: 26856759-26859479 KIT-FLAG: _- SCC: ; SERIALNO: 26856759-; 26862779- |
|||
| ? | • Sensor, position | 1 | SN: 26856759- KIT-FLAG: _- SCC: ; SERIALNO: 26856759-26862778; 26856759- |
||||
| ? | 6271-81-9220 | • O-ring | 1 | SN: 26856759- KIT-FLAG: S- SCC: ; SERIALNO: 26856759-; 26856759- |
|||
| ? | 6745-81-9440 | Bolt | 1 | SN: 26856759- KIT-FLAG: _- SCC: ; SERIALNO: 26856759-; 26856759- |
|||
| ? | 6732-71-3210 | Nut | 1 | SN: 26856759- KIT-FLAG: _- SCC: ; SERIALNO: 26856759-; 26856759- |
|||
| ? | 01435-60820 | Bolt | 1 | SN: 26862779- KIT-FLAG: _- SCC: ; SERIALNO: 26856759-; 26856759- |
|||
| ? | 6732-71-3220 | Bolt | 1 | SN: 26856759-26862778 KIT-FLAG: _- SCC: ; SERIALNO: 26856759-; 26856759- |
|||
| ? | 6732-61-3110 | Bolt | 2 | SN: 26856759- KIT-FLAG: _- SCC: ; SERIALNO: 26856759-; 26856759- |
|||
| ? | 6735-61-2120 | Bolt | 4 | SN: 26856759- KIT-FLAG: _- SCC: ; SERIALNO: 26856759-; |
|||
| ? | 6732-21-4180 | Bolt | 1 | SN: 26856759- KIT-FLAG: _- SCC: ; SERIALNO: ; |
|||
| ? | 6734-71-5520 | Bolt | 1 | SN: 26856759- KIT-FLAG: _- SCC: ; SERIALNO: ; |
|||
| ? | 6745-81-9560 | Bolt | 3 | SN: 26856759- KIT-FLAG: _- SCC: ; SERIALNO: ; |
|||
| ? | 6754-81-9170 | Wire | 1 | SN: 26856759- KIT-FLAG: _- SCC: ; SERIALNO: ; |
|||
| ? | 6754-81-9110 | Isolator, vibration | 4 | SN: 26856759- KIT-FLAG: _- SCC: ; SERIALNO: ; |
|||
| ? | 6754-81-9130 | Isolator, vibration | 4 | SN: 26856759- KIT-FLAG: _- SCC: ; SERIALNO: ; |
|||
| ? | 6754-81-9180 | Screw | 1 | SN: 26856759- KIT-FLAG: _- SCC: ; SERIALNO: ; |
|||
| ? | 6745-81-9511 | Cooler, Electric Control, electric control | 1 | SN: 26856759- KIT-FLAG: _- SCC: ; SERIALNO: ; |
|||
| ? | 6261-81-1900 | Sensor, Pressure | 1 | SN: 26856759- KIT-FLAG: _- SCC: ; SERIALNO: ; |
|||
| ? | 6744-81-4010 | Switch | 1 | SN: 26856759- KIT-FLAG: _- SCC: ; SERIALNO: ; |
|||
| ? | 6261-81-6901 | Sensor Assembly, temprature | 1 | SN: 26856759- KIT-FLAG: _- SCC: ; SERIALNO: ; |
|||
| ? | 6754-81-2701 | Sensor, Temperature, prs temperat | 1 | SN: 26856759- KIT-FLAG: _- SCC: ; SERIALNO: ; |