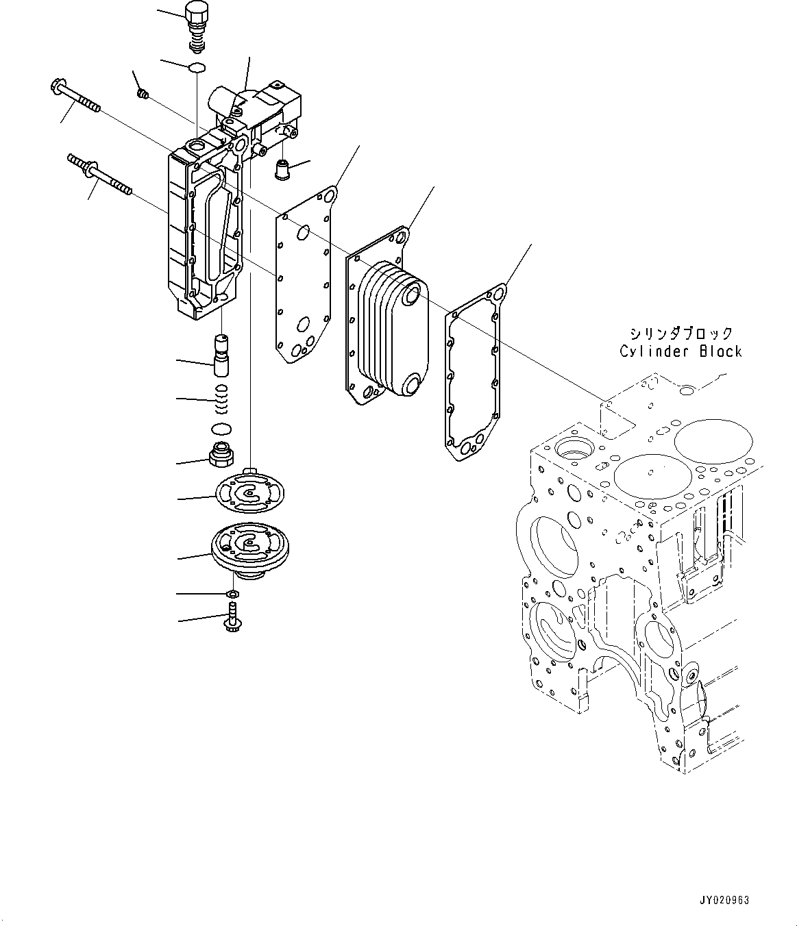
Найти k-part Содержание Engines Komatsu SAA6D114E-3C S/N 26856759-UP (For WA430-6)(0000309c) Fuel Filter Cartridge(D009000 : X16-0B90580) Наименование Страница Код страницы Fuel Filter Cartridge, Service Only (#26859090-) D009001 A4119-002001 ?