| Номер на схеме | Каталожный номер | Название | Количество | Детали | |||
|---|---|---|---|---|---|---|---|
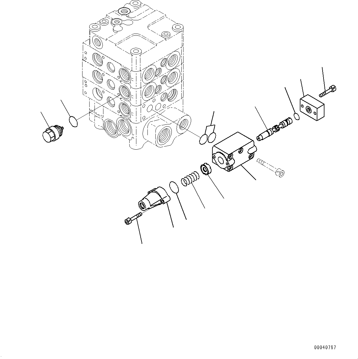
| ? | 723-53-16202 | Valve, Control | 1 | SN: 65501- KIT-FLAG: _- SCC: SERIALNO: 65501- |
|||
| ? | 723-50-62201 | • Valve Assembly | 1 | SN: 65501- KIT-FLAG: _- SCC: SERIALNO: 65501- |
|||
| ? | 723-60-27400 | • • Valve, Relief | 1 | SN: 65501- KIT-FLAG: _- SCC: SERIALNO: 65501- |
|||
| ? | 702-16-53920 | • • • O-ring | 1 | SN: 65501- KIT-FLAG: _- SCC: SERIALNO: 65501- |
|||
| ? | 07002-11623 | • • • O-ring | 1 | SN: 65501- KIT-FLAG: _- SCC: SERIALNO: 65501- |
|||
| ? | • • Block | 1 | SN: 65501- KIT-FLAG: _- SCC: C1 SERIALNO: 65501- |
||||
| ? | • • Spool | 1 | SN: 65501- KIT-FLAG: _- SCC: C1 SERIALNO: 65501- |
||||
| ? | • • Spring | 1 | SN: 65501- KIT-FLAG: _- SCC: C1 SERIALNO: 65501- |
||||
| ? | 723-56-31610 | • • Valve | 1 | SN: 65501- KIT-FLAG: _- SCC: SERIALNO: 65501- |
|||
| ? | 723-56-31620 | • • Spring | 1 | SN: 65501- KIT-FLAG: _- SCC: SERIALNO: 65501- |
|||
| ? | 723-50-61440 | • • Plug | 1 | SN: 65501- KIT-FLAG: _- SCC: SERIALNO: 65501- |
|||
| ? | 07000-12010 | • • O-ring | 1 | SN: 65501- KIT-FLAG: _- SCC: SERIALNO: 65501- |
|||
| ? | 07002-12034 | • • O-ring | 1 | SN: 65501- KIT-FLAG: _- SCC: SERIALNO: 65501- |
|||
| ? | 708-2L-35530 | • • Plug | 1 | SN: 65501- KIT-FLAG: _- SCC: SERIALNO: 65501- |
|||
| ? | 07002-61023 | • • O-ring | 1 | SN: 65501- KIT-FLAG: _- SCC: SERIALNO: 65501- |
|||
| ? | 702-21-53140 | • • Filter | 1 | SN: 65501- KIT-FLAG: _- SCC: SERIALNO: 65501- |
|||
| ? | 702-21-55520 | • • O-ring | 1 | SN: 65501- KIT-FLAG: _- SCC: SERIALNO: 65501- |
|||
| ? | 702-21-55420 | • • O-ring | 1 | SN: 65501- KIT-FLAG: _- SCC: SERIALNO: 65501- |
|||
| ? | 07000-11007 | • • O-ring | 4 | SN: 65501- KIT-FLAG: _- SCC: SERIALNO: 65501- |
|||
| ? | 07000-12015 | • • O-ring | 1 | SN: 65501- KIT-FLAG: _- SCC: SERIALNO: 65501- |
|||
| ? | • • Plug | 1 | SN: 65501- KIT-FLAG: _- SCC: C1 SERIALNO: 65501- |
||||
| ? | 723-11-18190 | • • Plug | 1 | SN: 65501- KIT-FLAG: _- SCC: SERIALNO: 65501- |
|||
| ? | 07002-11023 | • • O-ring | 1 | SN: 65501- KIT-FLAG: _- SCC: SERIALNO: 65501- |
|||
| ? | 07000-11010 | • • O-ring | 1 | SN: 65501- KIT-FLAG: _- SCC: SERIALNO: 65501- |