| Номер на схеме | Каталожный номер | Название | Количество | Детали | |||
|---|---|---|---|---|---|---|---|
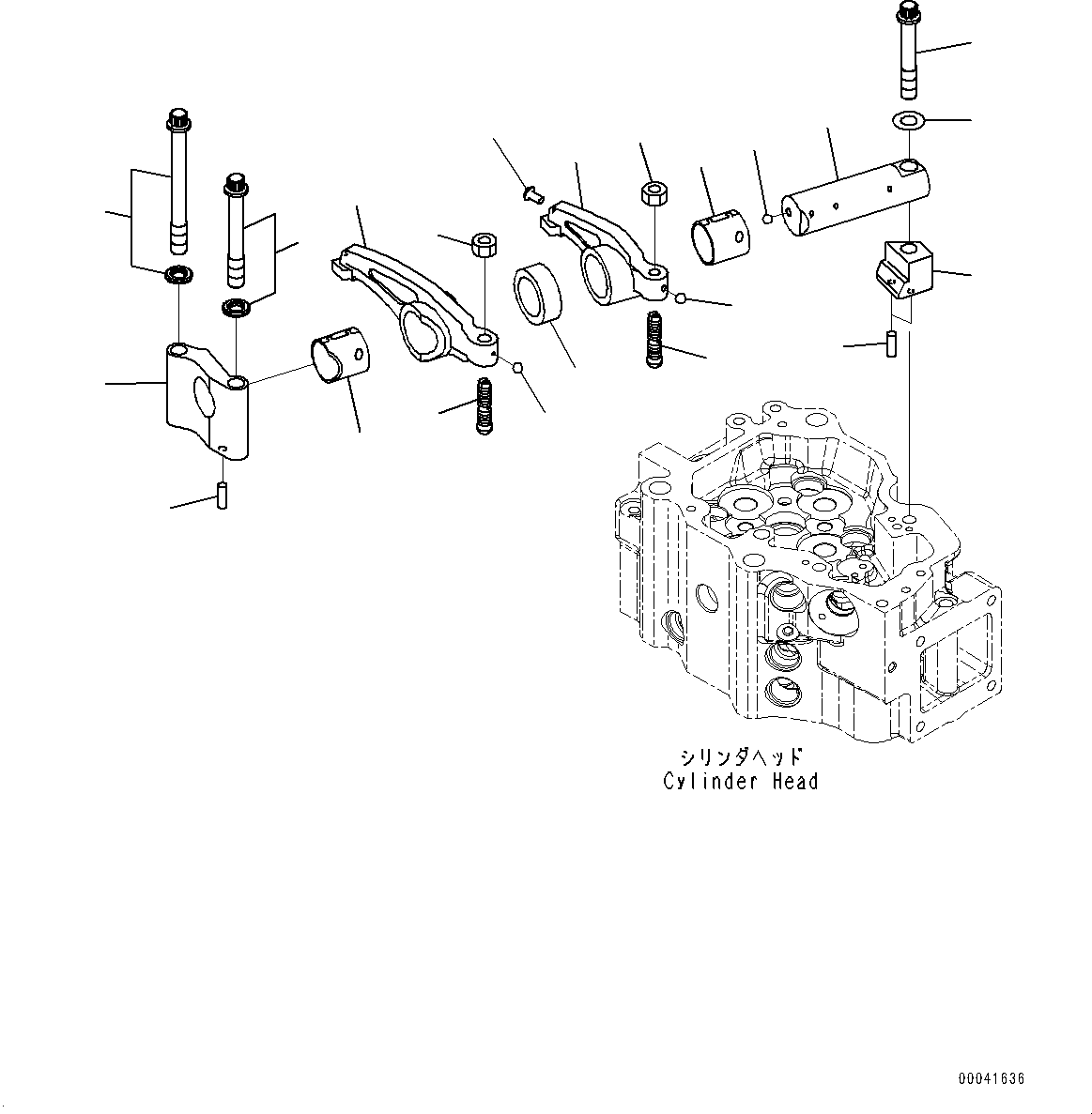
| ? | 6261-41-5040 | Rocker Arm Assembly | 6 | SN: 535751- KIT-FLAG: _- SCC: SERIALNO: 535751- |
|||
| ? | 6261-41-5400 | • Arm Assembly | 1 | SN: 535751- KIT-FLAG: _- SCC: SERIALNO: 535751- |
|||
| ? | • • Arm Assembly, Rocker | 1 | SN: 535751- KIT-FLAG: _- SCC: C1 SERIALNO: 535751- |
||||
| ? | 6261-41-5420 | • • Bushing | 1 | SN: 535751- KIT-FLAG: _- SCC: SERIALNO: 535751- |
|||
| ? | 6162-43-5340 | • • Rivet | 1 | SN: 535751- KIT-FLAG: _- SCC: SERIALNO: 535751- |
|||
| ? | 04260-00317 | • • Ball, Steel | 1 | SN: 535751- KIT-FLAG: _- SCC: SERIALNO: 535751- |
|||
| ? | 6217-41-5550 | • Screw | 1 | SN: 535751- KIT-FLAG: _- SCC: SERIALNO: 535751- |
|||
| ? | 01582-01008 | • Nut | 1 | SN: 535751- KIT-FLAG: _- SCC: SERIALNO: 535751- |
|||
| ? | 6261-41-5050 | Rocker Arm Assembly | 6 | SN: 535751- KIT-FLAG: _- SCC: SERIALNO: 535751- |
|||
| ? | 6261-41-5500 | • Arm Assembly | 1 | SN: 535751- KIT-FLAG: _- SCC: SERIALNO: 535751- |
|||
| ? | • • Arm | 1 | SN: 535751- KIT-FLAG: _- SCC: C1 SERIALNO: 535751- |
||||
| ? | 6261-41-5520 | • • Bushing | 1 | SN: 535751- KIT-FLAG: _- SCC: SERIALNO: 535751- |
|||
| ? | 04260-00317 | • • Ball, Steel | 1 | SN: 535751- KIT-FLAG: _- SCC: SERIALNO: 535751- |
|||
| ? | 6217-41-5550 | • Screw | 1 | SN: 535751- KIT-FLAG: _- SCC: SERIALNO: 535751- |
|||
| ? | 01582-01008 | • Nut | 1 | SN: 535751- KIT-FLAG: _- SCC: SERIALNO: 535751- |
|||
| ? | 6934-42-5300 | Shaft Assembly | 6 | SN: 535751- KIT-FLAG: _- SCC: SERIALNO: 535751- |
|||
| ? | • Shaft | 1 | SN: 535751- KIT-FLAG: _- SCC: C1 SERIALNO: 535751- |
||||
| ? | 04260-00635 | • Ball, Steel | 1 | SN: 535751- KIT-FLAG: _- SCC: SERIALNO: 535751- |
|||
| ? | 6261-41-5530 | Bracket | 6 | SN: 535751- KIT-FLAG: _- SCC: SERIALNO: 535751- |
|||
| ? | 6210-41-5440 | Collar | 6 | SN: 535751- KIT-FLAG: _- SCC: SERIALNO: 535751- |
|||
| ? | 04020-00514 | Pin, Dowel | 6 | SN: 535751- KIT-FLAG: _- SCC: SERIALNO: 535751- |
|||
| ? | 04020-00514 | Pin, Dowel | 12 | SN: 535751- KIT-FLAG: _- SCC: SERIALNO: 535751- |
|||
| ? | 6217-41-5540 | Spacer | 6 | SN: 535751- KIT-FLAG: _- SCC: SERIALNO: 535751- |
|||
| ? | 6217-41-5570 | Bolt | 6 | SN: 535751- KIT-FLAG: _- SCC: SERIALNO: 535751- |
|||
| ? | 6217-41-5560 | Bolt | 6 | SN: 535751- KIT-FLAG: _- SCC: SERIALNO: 535751- |
|||
| ? | 6217-81-8311 | Bolt | 6 | SN: 535751- KIT-FLAG: _- SCC: SERIALNO: 535751- |
|||
| ? | 01643-51232 | Washer | 6 | SN: 535751- KIT-FLAG: _- SCC: SERIALNO: 535751- |