k-part
Номер на схеме Каталожный номер Название Количество Детали
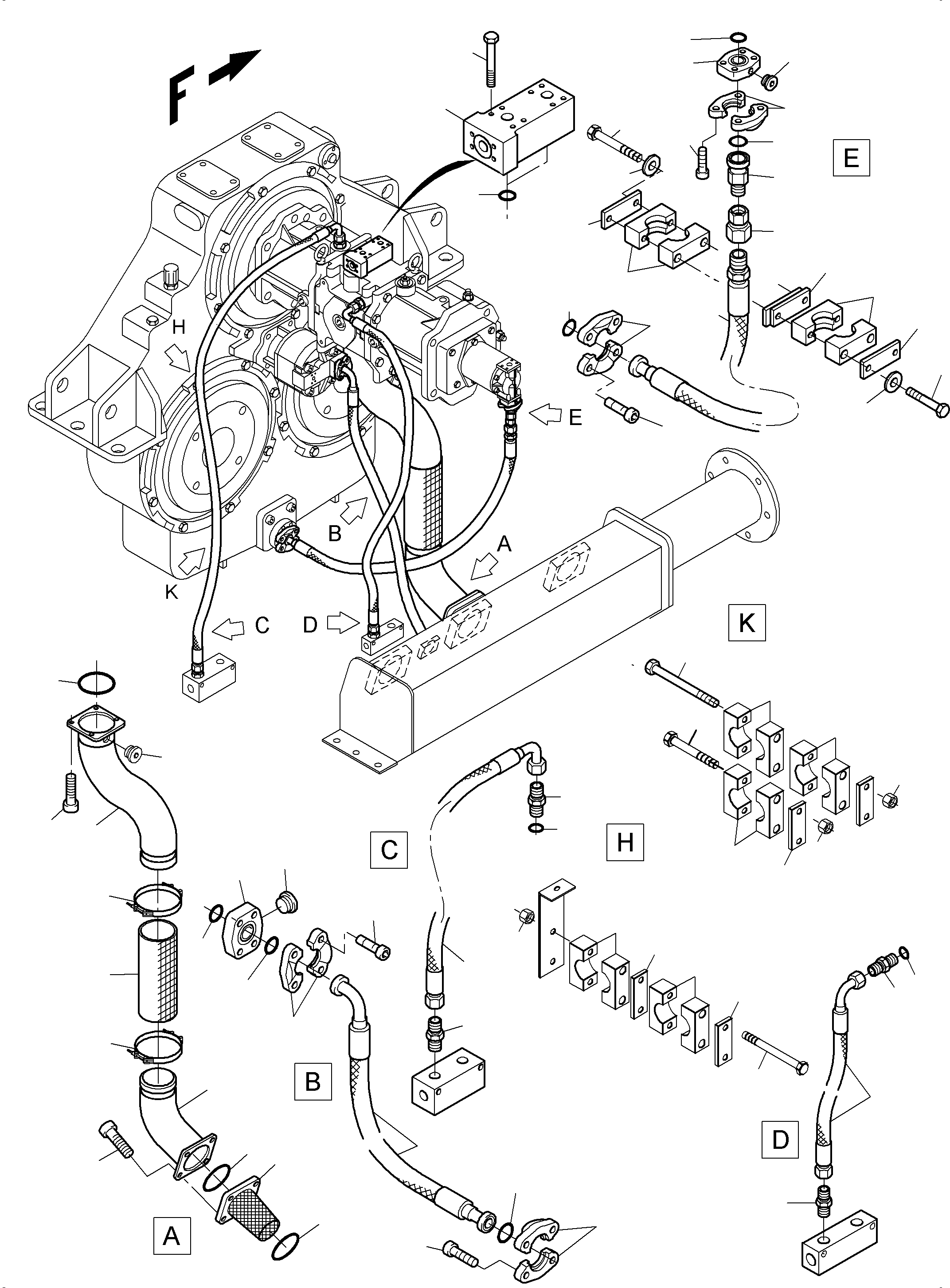
? 926 983 40 Bridge 3
EnglischBem:
DeutschBem:
DeutschDesc: Brьcke
InternBDB: 1 1/2"-S /2"-S 140x340
InternKon: 926 984 40 / 6
SerienBem:
Zwhead_Deu:
Zwhead_Eng:
? 926 982 40 Socket 3
EnglischBem:
DeutschBem:
DeutschDesc: Stutzen
InternBDB: L 35 /M42x1,5
InternKon: 926 984 40 / 7
SerienBem:
Zwhead_Deu:
Zwhead_Eng:
? 928 831 40 Block 1
EnglischBem:
DeutschBem:
DeutschDesc: Sammelklotz
InternBDB: 95x241
InternKon: 926 984 40 / 8
SerienBem:
Zwhead_Deu:
Zwhead_Eng:
? 940 895 40 Filter 3
EnglischBem:
DeutschBem:
DeutschDesc: Grobfilter
InternBDB: NW 120 03016902 Hydac
InternKon: 926 984 40 / 10
SerienBem:
Zwhead_Deu:
Zwhead_Eng:
? 941 101 40 Filter 1
EnglischBem:
DeutschBem:
DeutschDesc: Grobfilter
InternBDB: NW 80 03365553 Hydac
InternKon: 926 984 40 / 11
SerienBem:
Zwhead_Deu:
Zwhead_Eng:
? 340 652 99 Washer 8
EnglischBem:
DeutschBem:
DeutschDesc: Scheibe
InternBDB: B 13,0
InternKon: 926 984 40 / 15
SerienBem:
Zwhead_Deu:
Zwhead_Eng:
? 517 568 98 Bolt 24
EnglischBem:
DeutschBem:
DeutschDesc: Schraube
InternBDB: M14x140 / DIN 931
InternKon: 926 984 40 / 16
SerienBem:
Zwhead_Deu:
Zwhead_Eng:
? 308 615 99 Bolt 2
EnglischBem:
DeutschBem:
DeutschDesc: Schraube
InternBDB: M12x130 / DIN 931
InternKon: 926 984 40 / 17
SerienBem:
Zwhead_Deu:
Zwhead_Eng:
? 907 675 40 Flange adapter 1
EnglischBem:
DeutschBem:
DeutschDesc: Flanschadapter
InternBDB: GFS 35/35 L A3C X
InternKon: 926 984 40 / 18
SerienBem:
Zwhead_Deu:
Zwhead_Eng:
? 654 502 40 Intermediate flange 1
EnglischBem:
DeutschBem:
DeutschDesc: Zwischenflansch
InternBDB: SAE 1 1/4" 3000 PSI
InternKon: 926 984 40 / 19
SerienBem:
Zwhead_Deu:
Zwhead_Eng:
? 356 209 40 Flange seal 6
EnglischBem:
DeutschBem:
DeutschDesc: Flanschdichtung
InternBDB: 1 1/2 NBR 90 WN 341 986 40 Busak + Shamb.
InternKon: 926 984 40 / 20
SerienBem:
Zwhead_Deu:
Zwhead_Eng:
? 356 210 40 Flange seal 2
EnglischBem:
DeutschBem:
DeutschDesc: Flanschdichtung
InternBDB: 1 1/4 NBR 90
InternKon: 926 984 40 / 21
SerienBem:
Zwhead_Deu:
Zwhead_Eng:
? 006 633 98 Half flange 2
EnglischBem:
DeutschBem:
DeutschDesc: Flanschhдlfte
InternBDB: 32 /210
InternKon: 926 984 40 / 22
SerienBem:
Zwhead_Deu:
Zwhead_Eng:
? 319 430 99 Screw 4
EnglischBem:
DeutschBem:
DeutschDesc: Schraube
InternBDB: ZYLSHR M10 X 50 8.8 DIN 00912
InternKon: 926 984 40 / 23
SerienBem:
Zwhead_Deu:
Zwhead_Eng:
? 180 113 40 Plug 5
EnglischBem:
DeutschBem:
DeutschDesc: VerschluЯschraube
InternBDB: Vsti R 1/4 ED
InternKon: 926 984 40 / 24
SerienBem:
Zwhead_Deu:
Zwhead_Eng:
? 635 933 40 Intermediate flange 1
EnglischBem:
DeutschBem:
DeutschDesc: Zwischenflansch
InternBDB: SAE 2" 3000 PSI
InternKon: 926 984 40 / 25
SerienBem:
Zwhead_Deu:
Zwhead_Eng:
? 006 635 98 Half flange 6
EnglischBem:
DeutschBem:
DeutschDesc: Flanschhдlfte
InternBDB: 50 /210
InternKon: 926 984 40 / 26
SerienBem:
Zwhead_Deu:
Zwhead_Eng:
? 385 243 40 Flange seal 4
EnglischBem:
DeutschBem:
DeutschDesc: Flanschdichtung
InternBDB: 2 NBR 90
InternKon: 926 984 40 / 27
SerienBem:
Zwhead_Deu:
Zwhead_Eng:
? 319 437 99 Bolt 4
EnglischBem:
DeutschBem:
DeutschDesc: Schraube
InternBDB: ZYLSHR M12 X 55 8.8 DIN 00912
InternKon: 926 984 40 / 28
SerienBem:
Zwhead_Deu:
Zwhead_Eng:
? 319 156 99 Bolt 8
EnglischBem:
DeutschBem:
DeutschDesc: Schraube
InternBDB: ZYLSHR M12 X 30 8.8 DIN 00912
InternKon: 926 984 40 / 29
SerienBem:
Zwhead_Deu:
Zwhead_Eng:
? 374 415 99 Union 1
EnglischBem:
DeutschBem:
DeutschDesc: Verschraubung
InternBDB: SDS-L42XM48x2
InternKon: 926 984 40 / 33
SerienBem:
Zwhead_Deu:
Zwhead_Eng:
? 374 422 99 Union 2
EnglischBem:
DeutschBem:
DeutschDesc: Verschraubung
InternBDB: SDS-L35XM42x2
InternKon: 926 984 40 / 34
SerienBem:
Zwhead_Deu:
Zwhead_Eng:
? 007 136 98 Union 1
EnglischBem:
DeutschBem:
DeutschDesc: Verschraubung
InternBDB: Voss 35-LM
InternKon: 926 984 40 / 35
SerienBem:
Zwhead_Deu:
Zwhead_Eng:
? 516 283 98 Hose assy. DN32x2100 1
EnglischBem:
DeutschBem:
DeutschDesc: Schlauchleitung DN32x2100
InternBDB: 025 DOL 35 /DOL 35-45
InternKon: 926 984 40 / 36
SerienBem:
Zwhead_Deu:
Zwhead_Eng:
? 517 654 98 Hose assy. DN32x2100 1
EnglischBem:
DeutschBem:
DeutschDesc: Schlauchleitung DN32x2100
InternBDB: 025 DOL 35 /DOL 35-90
InternKon: 926 984 40 / 37
SerienBem:
Zwhead_Deu:
Zwhead_Eng:
? 517 391 98 Hose assy. DN32x1300 1
EnglischBem:
DeutschBem:
DeutschDesc: Schlauchleitung DN32x1300
InternBDB: 025 DOL 35 /DOL 35-90
InternKon: 926 984 40 / 38
SerienBem:
Zwhead_Deu:
Zwhead_Eng:
? 517 655 98 Hose assy. DN50x1300 1
EnglischBem:
DeutschBem:
DeutschDesc: Schlauchleitung DN50x1300
InternBDB: 025 FL2 /FL2-90
InternKon: 926 984 40 / 39
SerienBem:
Zwhead_Deu:
Zwhead_Eng:
? 517 656 98 Hose assy. DN50x1700 1
EnglischBem:
DeutschBem:
DeutschDesc: Schlauchleitung DN50x1700
InternBDB: 025 FL2 /CEL 42
InternKon: 926 984 40 / 40
SerienBem:
Zwhead_Deu:
Zwhead_Eng:
? 517 170 98 Socket 1
EnglischBem:
DeutschBem:
DeutschDesc: Stutzen
InternBDB: GZR 42/35-PL
InternKon: 926 984 40 / 41
SerienBem:
Zwhead_Deu:
Zwhead_Eng:
? 907 683 40 Elbow 2
EnglischBem:
DeutschBem:
DeutschDesc: Krьmmer
InternBDB: Interhydraulik Pumpe 1+2
InternKon: 926 984 40 / 42
SerienBem:
Zwhead_Deu:
Zwhead_Eng:
? 907 684 40 Socket 2
EnglischBem:
DeutschBem:
DeutschDesc: Stutzen
InternBDB: Pumpe 1+2
InternKon: 926 984 40 / 43
SerienBem:
Zwhead_Deu:
Zwhead_Eng:
? 907 685 40 Elbow 1
EnglischBem:
DeutschBem:
DeutschDesc: Krьmmer
InternBDB: Pumpe 3 oben
InternKon: 926 984 40 / 44
SerienBem:
Zwhead_Deu:
Zwhead_Eng:
? 907 686 40 Elbow 1
EnglischBem:
DeutschBem:
DeutschDesc: Krьmmer
InternBDB: Pumpe 3 unten
InternKon: 926 984 40 / 45
SerienBem:
Zwhead_Deu:
Zwhead_Eng:
? 932 885 40 Suction hose 1
EnglischBem:
DeutschBem:
DeutschDesc: Saugschlauch
InternBDB: Interhydraulik 304-140x385
InternKon: 926 984 40 / 46
SerienBem:
Zwhead_Deu:
Zwhead_Eng:
? 907 687 40 Elbow 1
EnglischBem:
DeutschBem:
DeutschDesc: Krьmmer
InternBDB: Lьfterpumpe unten
InternKon: 926 984 40 / 47
SerienBem:
Zwhead_Deu:
Zwhead_Eng:
? 907 688 40 Elbow 1
EnglischBem:
DeutschBem:
DeutschDesc: Krьmmer
InternBDB: Lьfterpumpe oben
InternKon: 926 984 40 / 48
SerienBem:
Zwhead_Deu:
Zwhead_Eng:
? 907 508 40 Suction hose A/R
EnglischBem:
DeutschBem:
DeutschDesc: Saugschlauch
InternBDB: 0,250 m 304-75
InternKon: 926 984 40 / 49
SerienBem:
Zwhead_Deu:
Zwhead_Eng:
? 517 582 98 O-ring 9
EnglischBem:
DeutschBem:
DeutschDesc: O-Ring
InternBDB: 136,12x3,53B NB 90
InternKon: 926 984 40 / 50
SerienBem:
Zwhead_Deu:
Zwhead_Eng:
? 508 105 98 O-ring 2
EnglischBem:
DeutschBem:
DeutschDesc: O-Ring
InternBDB: 98,02x3,53B NB 90
InternKon: 926 984 40 / 51
SerienBem:
Zwhead_Deu:
Zwhead_Eng:
? 517 583 98 O-ring 1
EnglischBem:
DeutschBem:
DeutschDesc: O-Ring
InternBDB: 85,32x3,53B NB 90
InternKon: 926 984 40 / 52
SerienBem:
Zwhead_Deu:
Zwhead_Eng:
? 517 558 98 O-ring 3
EnglischBem:
DeutschBem:
DeutschDesc: O-Ring
InternBDB: 38,70x3,40B NB 90
InternKon: 926 984 40 / 53
SerienBem:
Zwhead_Deu:
Zwhead_Eng:
? 319 442 99 Bolt 16
EnglischBem:
DeutschBem:
DeutschDesc: Schraube
InternBDB: ZYLSHR M16 X 40 8.8 DIN 00912
InternKon: 926 984 40 / 54
SerienBem:
Zwhead_Deu:
Zwhead_Eng:
? 319 157 99 Bolt 4
EnglischBem:
DeutschBem:
DeutschDesc: Schraube
InternBDB: ZYLSHR M12 X 35 8.8 DIN 00912
InternKon: 926 984 40 / 55
SerienBem:
Zwhead_Deu:
Zwhead_Eng:
? 907 681 40 Clamp 6
EnglischBem:
DeutschBem:
DeutschDesc: Schelle
InternBDB: Interhydraulik GBS NW 140
InternKon: 926 984 40 / 56
SerienBem:
Zwhead_Deu:
Zwhead_Eng:
? 907 752 40 Clamp 2
EnglischBem:
DeutschBem:
DeutschDesc: Schelle
InternBDB: Interhydraulik GBS 89/25 M8
InternKon: 926 984 40 / 57
SerienBem:
Zwhead_Deu:
Zwhead_Eng:
? 928 811 40 Socket 3
EnglischBem:
DeutschBem:
DeutschDesc: Stutzen
InternBDB: L 15 /M24x1,5
InternKon: 926 984 40 / 58
SerienBem:
Zwhead_Deu:
Zwhead_Eng:
? 928 298 40 Block 1
EnglischBem:
DeutschBem:
DeutschDesc: Sammelklotz
InternBDB: 65x145
InternKon: 926 984 40 / 59
SerienBem:
Zwhead_Deu:
Zwhead_Eng:
? 512 938 98 Hose assy. DN12x1200 1
EnglischBem:
DeutschBem:
DeutschDesc: Schlauchleitung DN12x1200
InternBDB: 240 DOL 15 /DOL 15-90
InternKon: 926 984 40 / 61
SerienBem:
Zwhead_Deu:
Zwhead_Eng:
? 627 121 40 Hose assy. DN12x1700 1
EnglischBem:
DeutschBem:
DeutschDesc: Schlauchleitung DN12x1700
InternBDB: 240 DOL 15 /DOL 15-90
InternKon: 926 984 40 / 62
SerienBem:
Zwhead_Deu:
Zwhead_Eng:
? 514 034 98 O-ring 3
EnglischBem:
DeutschBem:
DeutschDesc: O-Ring
InternBDB: 20,70x3,40B NB 90
InternKon: 926 984 40 / 64
SerienBem:
Zwhead_Deu:
Zwhead_Eng:
? 374 407 99 Union 3
EnglischBem:
DeutschBem:
DeutschDesc: Verschraubung
InternBDB: SDS-L15XM18x1,5
InternKon: 926 984 40 / 66
SerienBem:
Zwhead_Deu:
Zwhead_Eng:
? 517 791 98 Bolt 2
EnglischBem:
DeutschBem:
DeutschDesc: Schraube
InternBDB: 6KTSHR M12X 65 8.8 DIN 00931
InternKon: 926 984 40 / 67
SerienBem:
Zwhead_Deu:
Zwhead_Eng:
? 334 600 99 Nut 8
EnglischBem:
DeutschBem:
DeutschDesc: Mutter
InternBDB: M 12 / DIN 985
InternKon: 926 984 40 / 68
SerienBem:
Zwhead_Deu:
Zwhead_Eng:
? 906 983 40 Union 1
EnglischBem:
DeutschBem:
DeutschDesc: Verschraubung
InternBDB: 15 LM /OMD
InternKon: 926 984 40 / 69
SerienBem:
Zwhead_Deu:
Zwhead_Eng:
? 319 188 99 Bolt 12
EnglischBem:
DeutschBem:
DeutschDesc: Schraube
InternBDB: ZYLSHR M16 X 50 8.8 DIN 00912
InternKon: 926 984 40 / 76
SerienBem:
Zwhead_Deu:
Zwhead_Eng:
? 517 771 98 Hose assy. DN12x850 1
EnglischBem:
DeutschBem:
DeutschDesc: Schlauchleitung DN12x850
InternBDB: 240 DOL 15 / DOL 15-90
InternKon: 926 984 40 / 63
SerienBem:
Zwhead_Deu:
Zwhead_Eng:
? 932 886 40 Suction hose 2
EnglischBem:
DeutschBem:
DeutschDesc: Saugschlauch
InternBDB: Interhydraulik 304-140x480
InternKon:
SerienBem:
Zwhead_Deu:
Zwhead_Eng:
? 928 841 40 Retainer 1
EnglischBem:
DeutschBem:
DeutschDesc: Halter
InternBDB:
InternKon: 943 506 40 / 10
SerienBem:
Zwhead_Deu:
Zwhead_Eng:
? 930 615 40 Retainer 1
EnglischBem:
DeutschBem:
DeutschDesc: Halterung
InternBDB: 30x8x100
InternKon: 926 984 40 / 70
SerienBem:
Zwhead_Deu:
Zwhead_Eng:
? 506 371 98 Clamp set 7
EnglischBem:
DeutschBem:
DeutschDesc: Klemmpaar
InternBDB: KLEMMHPAAR S-4-E PA DIN 03015
InternKon: 926 984 40 / 71
SerienBem:
Zwhead_Deu:
Zwhead_Eng:
? 517 118 98 Lock washer 4
EnglischBem:
DeutschBem:
DeutschDesc: Sicherungsscheibe
InternBDB: SG-SHB 12 STZN WN 65593840
InternKon: 926 984 40 / 72
SerienBem:
Zwhead_Deu:
Zwhead_Eng:
? 0443452110 Clip 3
EnglischBem:
DeutschBem:
DeutschDesc: Clip
InternBDB: SCHELLE D=21,5 BLZ=10 77 KES 04434
InternKon: 926 984 40 / 73
SerienBem:
Zwhead_Deu:
Zwhead_Eng:
? 340 465 99 Washer 1
EnglischBem:
DeutschBem:
DeutschDesc: Scheibe
InternBDB: SHB B 10,5 140HV DIN 00125
InternKon: 926 984 40 / 74
SerienBem:
Zwhead_Deu:
Zwhead_Eng:
? 507 037 98 Nut 2
EnglischBem:
DeutschBem:
DeutschDesc: Mutter
InternBDB: 6KTMU M10 8 DIN 00985
InternKon: 926 984 40 / 75
SerienBem:
Zwhead_Deu:
Zwhead_Eng:
? 307 842 99 Bolt 1
EnglischBem:
DeutschBem:
DeutschDesc: Schraube
InternBDB: 6KTSHR M20 X 35 8.8 DIN 00933
InternKon: 926 984 40 / 77
SerienBem:
Zwhead_Deu:
Zwhead_Eng:
? 307 777 99 Bolt 2
EnglischBem:
DeutschBem:
DeutschDesc: Schraube
InternBDB: 6KTSHR M10 X 25 8.8 DIN 00933
InternKon: 926 984 40 / 78
SerienBem:
Zwhead_Deu:
Zwhead_Eng:
? 308 599 99 Bolt 2
EnglischBem:
DeutschBem:
DeutschDesc: Schraube
InternBDB: 6KTSHR M12X 105 8.8 DIN 00931
InternKon: 926 984 40 / 79
SerienBem:
Zwhead_Deu:
Zwhead_Eng:
? 517 124 98 Lock washer 1
EnglischBem:
DeutschBem:
DeutschDesc: Sicherungsscheibe
InternBDB: SG-SHB 20 STZN WN 65593840
InternKon: 926 984 40 / 80
SerienBem:
Zwhead_Deu:
Zwhead_Eng:
? 930 618 40 Half clamp retainer 1
EnglischBem:
DeutschBem:
DeutschDesc: Schellenhalterung
InternBDB: SCHELLENHALTERUNG PC 3000- 6
InternKon: 926 984 40 / 81
SerienBem:
Zwhead_Deu:
Zwhead_Eng:
? 308 613 99 Bolt 4
EnglischBem:
DeutschBem:
DeutschDesc: Schraube
InternBDB: 6KTSHR M12X 110 8.8 DIN 00931
InternKon: 926 984 40 / 82
SerienBem:
Zwhead_Deu:
Zwhead_Eng:
? 511 246 98 Grommet 5
EnglischBem:
DeutschBem:
DeutschDesc: Gummieinsatz
InternBDB: ELASTOMEREINS S-4-43 GUMMI DIN 03015
InternKon: 926 984 40 / 84
SerienBem:
Zwhead_Deu:
Zwhead_Eng:
? 534 008 99 Cover plate 6
EnglischBem:
DeutschBem:
DeutschDesc: Deckplatte
InternBDB: D-PLATTE S-DP-A-4 W1 DIN 03015
InternKon: 926 984 40 / 85
SerienBem:
Zwhead_Deu:
Zwhead_Eng:
? 506 701 98 Bolt 2
EnglischBem:
DeutschBem:
DeutschDesc: Schraube
InternBDB: 6KTSHR M12X 230 8.8 DIN 00931
InternKon: 926 984 40 / 86
SerienBem:
Zwhead_Deu:
Zwhead_Eng:
? 506 291 98 Bolt 2
EnglischBem:
DeutschBem:
DeutschDesc: Schraube
InternBDB: 6KTSHR M12X 220 8.8 DIN 00931
InternKon: 926 984 40 / 87
SerienBem:
Zwhead_Deu:
Zwhead_Eng:
? 502 626 98 Grommet 2
EnglischBem:
DeutschBem:
DeutschDesc: Gummieinsatz
InternBDB: ELASTOMEREINS S-4-56,4 GUMMI DIN 03015
InternKon: 926 984 40 / 88
SerienBem:
Zwhead_Deu:
Zwhead_Eng:

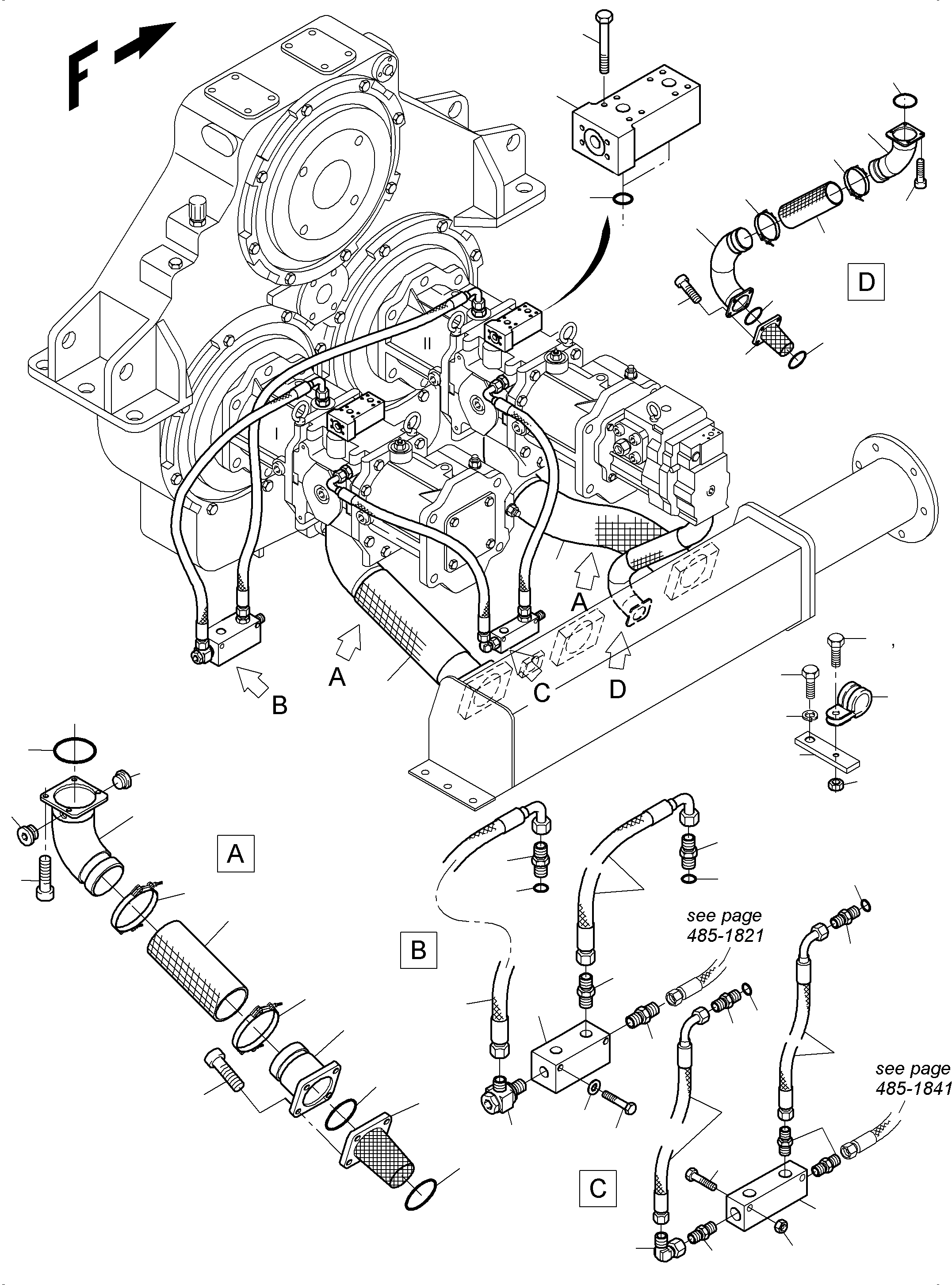
Excavators Mining Komatsu / PC 3000-6 06 302 31.07.2014(G06302) / Suction Lines(485-1811e : 485-1811e)
?
?
?
?
?
?
?
?
?
?
?
?
?
?
?
?
?
?
?
?
?
?
?
?
?
?
?
?
?
?
?
?
?
?
?
?
?
?
?
?
?
?
?
?
?
?
?
?
?
?
?
?
?
?
?
?
?
?
?
?
?
?
?
?
?
?
?
?
?
?
?
?
?
?
?
?
?
Excavators Mining Komatsu / PC 3000-6 06 302 31.07.2014(G06302) / Suction Lines(485-1811e : 485-1811e)
?
?
?
?
?
?
?
?
?
?
?
?
?
?
?
?
?
?
?
?
?
?
?
?
?
?
?
?
?
?
?
?
?
?
?
?
?
?
?
?
?
?
?
?
?
?
?
?
?
?
?
?
?
?
?
?
?
?
?
?