| Номер на схеме | Каталожный номер | Название | Количество | Детали | |||
|---|---|---|---|---|---|---|---|
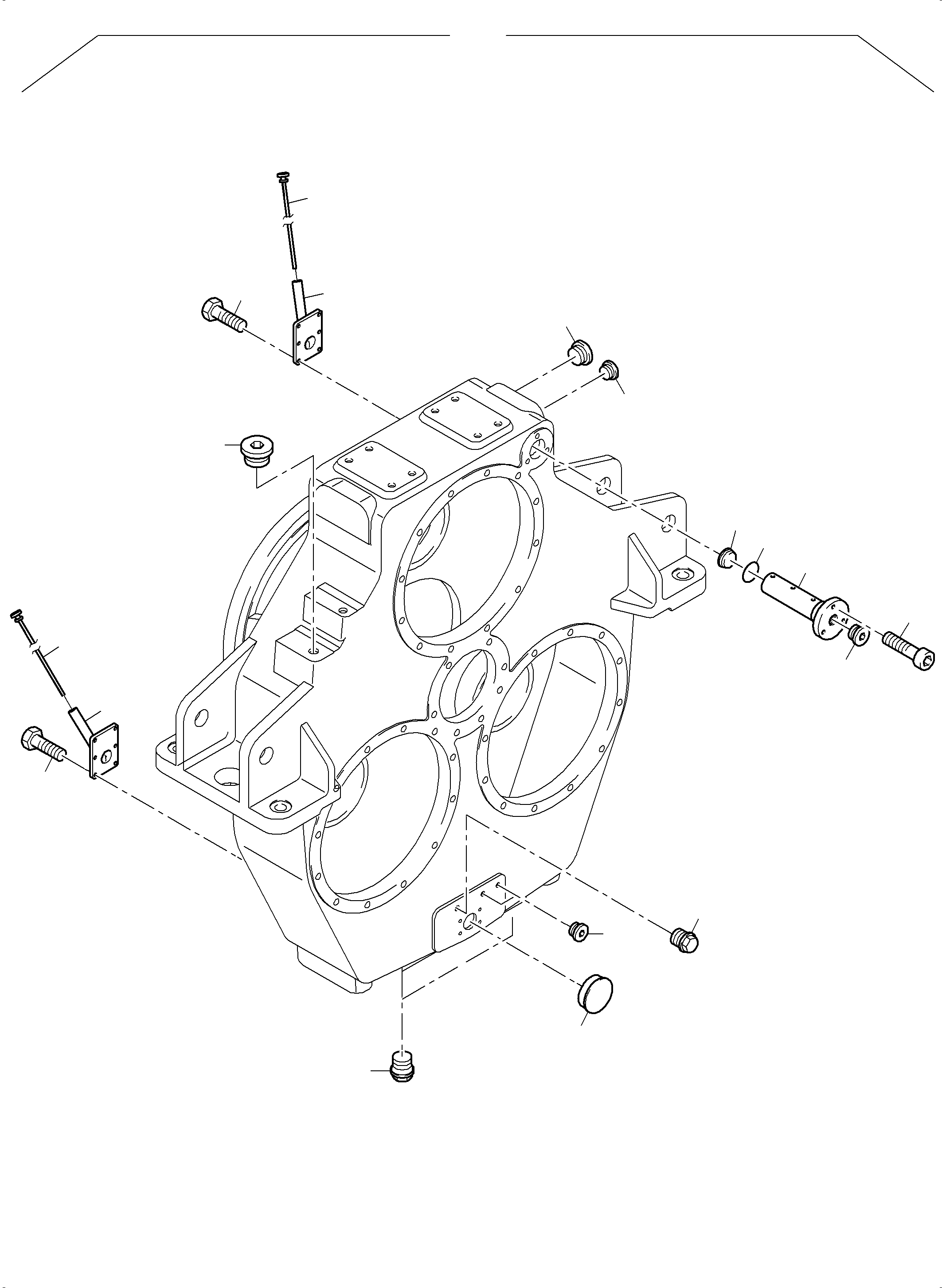
| ? | 898 162 40 | Pump distributor gear | 1 | EnglischBem: DeutschBem: DeutschDesc: Pumpenverteilergetriebe InternBDB: InternKon: SerienBem: Zwhead_Deu: Zwhead_Eng: |
|||
| ? | 798 781 73 | Housing | 1 | EnglischBem: DeutschBem: DeutschDesc: Gehдuse InternBDB: InternKon: SerienBem: Zwhead_Deu: Zwhead_Eng: |
|||
| ? | 796 319 73 | Bearing carrier | 1 | EnglischBem: DeutschBem: DeutschDesc: Lagertrдger InternBDB: InternKon: SerienBem: Zwhead_Deu: Zwhead_Eng: |
|||
| ? | 798 782 73 | Mounting flange | 3 | EnglischBem: DeutschBem: DeutschDesc: Anbauflansch InternBDB: InternKon: SerienBem: Zwhead_Deu: Zwhead_Eng: |
|||
| ? | 798 783 73 | Mounting flange | 1 | EnglischBem: DeutschBem: DeutschDesc: Anbauflansch InternBDB: InternKon: SerienBem: Zwhead_Deu: Zwhead_Eng: |
|||
| ? | 798 784 73 | Cover | 1 | EnglischBem: DeutschBem: DeutschDesc: Deckel InternBDB: InternKon: SerienBem: Zwhead_Deu: Zwhead_Eng: |
|||
| ? | 798 785 73 | Cover | 1 | EnglischBem: DeutschBem: DeutschDesc: Deckel InternBDB: InternKon: SerienBem: Zwhead_Deu: Zwhead_Eng: |
|||
| ? | 798 786 73 | Cylindrical gear | 1 | EnglischBem: DeutschBem: DeutschDesc: Stirnrad InternBDB: InternKon: SerienBem: Zwhead_Deu: Zwhead_Eng: |
|||
| ? | 796 325 73 | Cylindrical gear | 3 | EnglischBem: DeutschBem: DeutschDesc: Stirnrad InternBDB: InternKon: SerienBem: Zwhead_Deu: Zwhead_Eng: |
|||
| ? | 796 460 73 | Flange shaft | 1 | EnglischBem: DeutschBem: DeutschDesc: Flanschwelle InternBDB: InternKon: SerienBem: Zwhead_Deu: Zwhead_Eng: |
|||
| ? | 796 327 73 | Thoothed shaft | 3 | EnglischBem: DeutschBem: DeutschDesc: Zahnwelle InternBDB: InternKon: SerienBem: Zwhead_Deu: Zwhead_Eng: |
|||
| ? | 796 328 73 | Spacer | 36 | EnglischBem: DeutschBem: DeutschDesc: Distanzring InternBDB: InternKon: SerienBem: Zwhead_Deu: Zwhead_Eng: |
|||
| ? | 798 787 73 | Slotter round nut | 1 | EnglischBem: DeutschBem: DeutschDesc: Nutmutter InternBDB: InternKon: SerienBem: Zwhead_Deu: Zwhead_Eng: |
|||
| ? | 796 330 73 | Sleeve | 1 | EnglischBem: DeutschBem: DeutschDesc: Laufring InternBDB: InternKon: SerienBem: Zwhead_Deu: Zwhead_Eng: |
|||
| ? | 796 334 73 | Sleeve | 1 | EnglischBem: DeutschBem: DeutschDesc: Laufring InternBDB: InternKon: SerienBem: Zwhead_Deu: Zwhead_Eng: |
|||
| ? | 798 788 73 | Tube | 1 | EnglischBem: DeutschBem: DeutschDesc: Rohr InternBDB: InternKon: SerienBem: Zwhead_Deu: Zwhead_Eng: |
|||
| ? | 796 336 73 | Shaft adapter | 1 | EnglischBem: DeutschBem: DeutschDesc: Kupplungsstьck InternBDB: InternKon: SerienBem: Zwhead_Deu: Zwhead_Eng: |
|||
| ? | 214 768 99 | Tube | A/R | EnglischBem: DeutschBem: DeutschDesc: Rohr InternBDB: InternKon: SerienBem: Zwhead_Deu: Zwhead_Eng: |
|||
| ? | 796 338 73 | Oil dipstick | 2 | EnglischBem: DeutschBem: DeutschDesc: Цlmessstab InternBDB: InternKon: SerienBem: Zwhead_Deu: Zwhead_Eng: |
|||
| ? | 501 954 98 | Ball bearing | 3 | EnglischBem: DeutschBem: DeutschDesc: Rillenkugellager InternBDB: InternKon: SerienBem: Zwhead_Deu: Zwhead_Eng: |
|||
| ? | 518 272 98 | Ball bearing | 3 | EnglischBem: DeutschBem: DeutschDesc: Rillenkugellager InternBDB: InternKon: SerienBem: Zwhead_Deu: Zwhead_Eng: |
|||
| ? | 518 273 98 | Ball bearing | 1 | EnglischBem: DeutschBem: DeutschDesc: Rillenkugellager InternBDB: InternKon: SerienBem: Zwhead_Deu: Zwhead_Eng: |
|||
| ? | 796 461 73 | Cylindrical roller bearing | 1 | EnglischBem: DeutschBem: DeutschDesc: Zylinderrollenlager InternBDB: InternKon: SerienBem: Zwhead_Deu: Zwhead_Eng: |
|||
| ? | 518 275 98 | Radial oil seal | 2 | EnglischBem: DeutschBem: DeutschDesc: Radialwellendichtring InternBDB: InternKon: SerienBem: Zwhead_Deu: Zwhead_Eng: |
|||
| ? | 518 276 98 | Radial oil seal | 6 | EnglischBem: DeutschBem: DeutschDesc: Radialwellendichtring InternBDB: InternKon: SerienBem: Zwhead_Deu: Zwhead_Eng: |
|||
| ? | 518 277 98 | Radial oil seal | 2 | EnglischBem: DeutschBem: DeutschDesc: Radialwellendichtring InternBDB: InternKon: SerienBem: Zwhead_Deu: Zwhead_Eng: |
|||
| ? | 518 278 98 | O-Ring | 1 | EnglischBem: DeutschBem: DeutschDesc: O-Ring InternBDB: InternKon: SerienBem: Zwhead_Deu: Zwhead_Eng: |
|||
| ? | 518 279 98 | O-Ring | 1 | EnglischBem: DeutschBem: DeutschDesc: O-Ring InternBDB: InternKon: SerienBem: Zwhead_Deu: Zwhead_Eng: |
|||
| ? | 518 280 98 | O-Ring | 3 | EnglischBem: DeutschBem: DeutschDesc: O-Ring InternBDB: InternKon: SerienBem: Zwhead_Deu: Zwhead_Eng: |
|||
| ? | 518 281 98 | O-Ring | 1 | EnglischBem: DeutschBem: DeutschDesc: O-Ring InternBDB: InternKon: SerienBem: Zwhead_Deu: Zwhead_Eng: |
|||
| ? | 518 282 98 | O-Ring | 1 | EnglischBem: DeutschBem: DeutschDesc: O-Ring InternBDB: InternKon: SerienBem: Zwhead_Deu: Zwhead_Eng: |
|||
| ? | 518 283 98 | O-Ring | 3 | EnglischBem: DeutschBem: DeutschDesc: O-Ring InternBDB: InternKon: SerienBem: Zwhead_Deu: Zwhead_Eng: |
|||
| ? | 342 572 99 | Circlip | 1 | EnglischBem: DeutschBem: DeutschDesc: Sicherungsring InternBDB: InternKon: SerienBem: Zwhead_Deu: Zwhead_Eng: |
|||
| ? | 342 575 99 | Circlip | 3 | EnglischBem: DeutschBem: DeutschDesc: Sicherungsring InternBDB: InternKon: SerienBem: Zwhead_Deu: Zwhead_Eng: |
|||
| ? | 517 572 98 | Circlip | 1 | EnglischBem: DeutschBem: DeutschDesc: Sicherungsring InternBDB: InternKon: SerienBem: Zwhead_Deu: Zwhead_Eng: |
|||
| ? | 342 690 99 | Circlip | 1 | EnglischBem: DeutschBem: DeutschDesc: Sicherungsring InternBDB: InternKon: SerienBem: Zwhead_Deu: Zwhead_Eng: |
|||
| ? | 342 715 99 | Circlip | 1 | EnglischBem: DeutschBem: DeutschDesc: Sicherungsring InternBDB: InternKon: SerienBem: Zwhead_Deu: Zwhead_Eng: |
|||
| ? | 796 341 73 | Snap ring | 1 | EnglischBem: DeutschBem: DeutschDesc: Sprengring InternBDB: InternKon: SerienBem: Zwhead_Deu: Zwhead_Eng: |
|||
| ? | 796 342 73 | Snap ring | 1 | EnglischBem: DeutschBem: DeutschDesc: Sprengring InternBDB: InternKon: SerienBem: Zwhead_Deu: Zwhead_Eng: |
|||
| ? | 518 284 98 | Support disk | 1 | EnglischBem: DeutschBem: DeutschDesc: Stьtzscheibe InternBDB: InternKon: SerienBem: Zwhead_Deu: Zwhead_Eng: |
|||
| ? | 518 285 98 | Feather key | 3 | EnglischBem: DeutschBem: DeutschDesc: Passfeder InternBDB: InternKon: SerienBem: Zwhead_Deu: Zwhead_Eng: |
|||
| ? | 518 286 98 | Feather key | 1 | EnglischBem: DeutschBem: DeutschDesc: Passfeder InternBDB: InternKon: SerienBem: Zwhead_Deu: Zwhead_Eng: |
|||
| ? | 518 287 98 | Bolt | 3 | EnglischBem: DeutschBem: DeutschDesc: Schraube InternBDB: InternKon: SerienBem: Zwhead_Deu: Zwhead_Eng: |
|||
| ? | 518 288 98 | Bolt | 6 | EnglischBem: DeutschBem: DeutschDesc: Schraube InternBDB: InternKon: SerienBem: Zwhead_Deu: Zwhead_Eng: |
|||
| ? | 308 427 99 | Bolt | 36 | EnglischBem: DeutschBem: DeutschDesc: Schraube InternBDB: InternKon: SerienBem: Zwhead_Deu: Zwhead_Eng: |
|||
| ? | 307 447 99 | Bolt | 12 | EnglischBem: DeutschBem: DeutschDesc: Schraube InternBDB: InternKon: SerienBem: Zwhead_Deu: Zwhead_Eng: |
|||
| ? | 504 268 98 | Bolt | 12 | EnglischBem: DeutschBem: DeutschDesc: Schraube InternBDB: InternKon: SerienBem: Zwhead_Deu: Zwhead_Eng: |
|||
| ? | 180 113 40 | Plug | 19 | EnglischBem: DeutschBem: DeutschDesc: Verschlusschraube InternBDB: InternKon: SerienBem: Zwhead_Deu: Zwhead_Eng: |
|||
| ? | 505 126 98 | Plug | 3 | EnglischBem: DeutschBem: DeutschDesc: Verschlusschraube InternBDB: InternKon: SerienBem: Zwhead_Deu: Zwhead_Eng: |
|||
| ? | 173 494 40 | Plug | 2 | EnglischBem: DeutschBem: DeutschDesc: Verschlusschraube InternBDB: InternKon: SerienBem: Zwhead_Deu: Zwhead_Eng: |
|||
| ? | 173 495 40 | Plug | 1 | EnglischBem: DeutschBem: DeutschDesc: Verschlusschraube InternBDB: InternKon: SerienBem: Zwhead_Deu: Zwhead_Eng: |
|||
| ? | 518 289 98 | Plug | 1 | EnglischBem: DeutschBem: DeutschDesc: Verschlusschraube InternBDB: InternKon: SerienBem: Zwhead_Deu: Zwhead_Eng: |
|||
| ? | 796 343 73 | Plug | 3 | EnglischBem: DeutschBem: DeutschDesc: Verschlusschraube InternBDB: InternKon: SerienBem: Zwhead_Deu: Zwhead_Eng: |
|||
| ? | 370 312 99 | Union | 3 | EnglischBem: DeutschBem: DeutschDesc: Verschraubung InternBDB: InternKon: SerienBem: Zwhead_Deu: Zwhead_Eng: |
|||
| ? | 370 332 99 | Union | 1 | EnglischBem: DeutschBem: DeutschDesc: Verschraubung InternBDB: InternKon: SerienBem: Zwhead_Deu: Zwhead_Eng: |
|||
| ? | 796 345 73 | Screw plug | 1 | EnglischBem: DeutschBem: DeutschDesc: Verschlussstopfen InternBDB: InternKon: SerienBem: Zwhead_Deu: Zwhead_Eng: |