k-part
Номер на схеме Каталожный номер Название Количество Детали
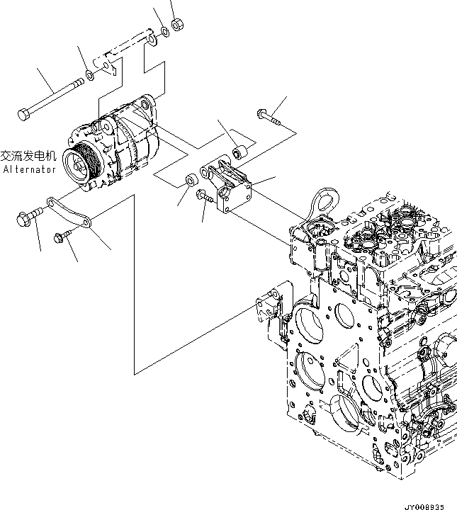
? 6754-81-6140 SUPPORT ASSEMBLY 1
Field_1: SUPPORT ASSEMBLY
Field_2: 26594007-
code:
? 6742-01-2441 BOLT 1
Field_1: BOLT
Field_2: 26594007-
code:
? 6732-61-3110 BOLT 3
Field_1: BOLT
Field_2: 26594007-
code:
? 6207-81-6980 BOLT 1
Field_1: BOLT
Field_2: 26594007-
code:
? 01641-21223 WASHER 2
Field_1: WASHER
Field_2: 26594007-
code:
? 6732-81-6490 SPACER 1
Field_1: SPACER
Field_2: 26594007-
code:
? 6732-81-6530 SPACER 1
Field_1: SPACER
Field_2: 26594007-
code:
? 01580-11210 NUT 1
Field_1: NUT
Field_2: 26594007-
code:
? 6754-81-6150 BRACKET 1
Field_1: BRACKET
Field_2: 26594007-
code:
? 01435-61025 BOLT 1
Field_1: BOLT
Field_2: 26594007-
code:
? 01050-31230 BOLT 1
Field_1: BOLT
Field_2: 26594007-
code:

Engines Komatsu / SAA6D107E-1N S/N 26542663-up(KC_EE019) / ALTERNATOR MOUNTING (FOR 35 AMP. SEALED ALTERNATOR)(|0078 : |0078)
?
?
?
?
?
?
?
?
?
?
?
?