k-part
Номер на схеме Каталожный номер Название Количество Детали
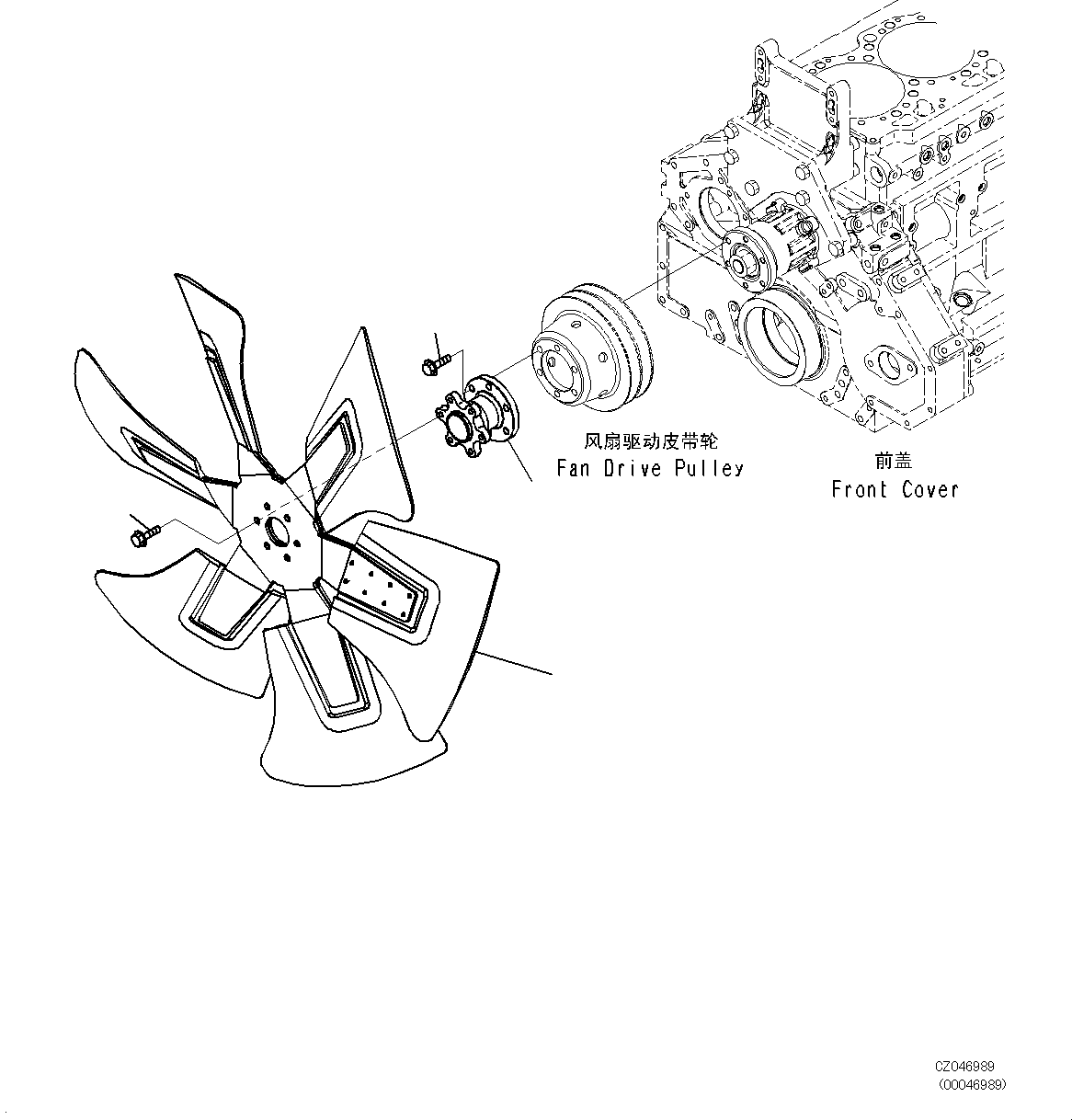
? 600-635-5870 FAN, COOLING 1
Field_1: FAN, COOLING
Field_2: 574420-
code:
? 01435-01030 BOLT 6
Field_1: BOLT
Field_2: 574420-
code:
? 6156-61-3720 SPACER 1
Field_1: SPACER
Field_2: 574420-
code:
? 01435-01040 BOLT 6
Field_1: BOLT
Field_2: 574420-
code:

Engines Komatsu / SAA6D125E-5F S/N 674420-up(KC_EE014) / COOLING FAN(|E00065 : |E00065)
?
?
?
?